
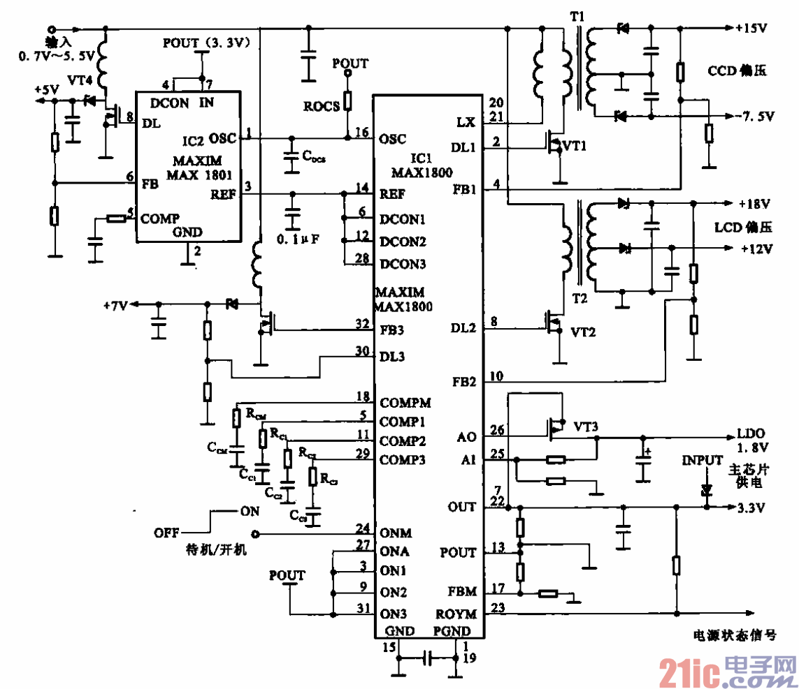
数码相机-DV机电源供电电路
所示为数码相机/DV机电源供电电路,该电路以MAX1800芯片为控制核心。由图可知,
数码相机都是采用电池供电.电压较低(0.7~5.5 V).但数码相机内的电路往往需要较高的电压,如+18
V、+15 V、+12 V等。为此数码相机采用MAX1800莉iJ的芯片产生PWM信号,并通过升压方式将开
关脉冲经两个开关变压器(TI、T2)后输出+18V、+15V、+12V、-7.5V,还输出+1.8V和3.3V直流
电压。同时荐经IC2输出+5 V电压。