0
问答首页 最新问题 热门问题 等待回答标签广场
我要提问

开关电源电路电源

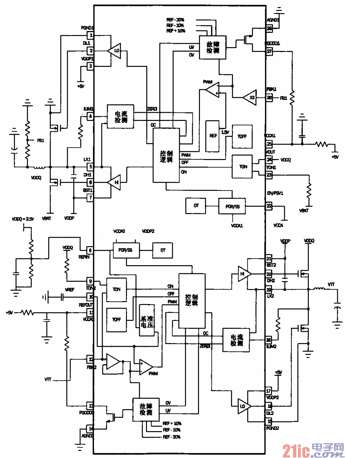
SC1486电源管理芯片的内部功能框图

SC1486电源管理芯片的内部功能框图
提问者:nvywyer 地点:- 浏览次数:2181 提问时间:09-08 11:55
我有更好的答案
提 交
1条回答
mxvuwyerw 09-09 17:14

60.SC1486电源管理芯片的内部功能框图.gif


SC1486电源管理芯片的内部功能框图


SC14fl6是双路PWM信号产生电路,国脚和@脚输出一组相位相反的PWM信号,经Ql、Q2和

Ll、CT输出+2.5V电压:@脚和@脚输出第二组相位相反的PWM信号,经Q3、Q4和Ll、C6输出

+1.25 V电压,为内存供电。

撰写答案
提 交
1 / 3
1 / 3
相关开关电源电路
TEA1753T开关电源应用电路
TH-1024S集线器开关电源电路图
24V开关电源原理电路图
谁有开关电源电路原理图
一种UC3842设计的PWM开关电源电路
相关电源
TDA16846组成的彩电开关电源原理图
联想LX-PL4C2型彩色显示器开关电源电路
长虹CN-9机心彩电开关电源电路
索尼KV2184彩电开关电源电路
王牌TCL-3460D彩电开关电源电路