0
问答首页 最新问题 热门问题 等待回答标签广场
我要提问

电子百科

ASE光源

ASE光源

ASE光源特点

  •   1、多种规格可供选择;

      2、优异的波长稳定性;

      3、低光谱纹波(≤0.5 dB);

      4、输出功率高(最大值20mW);

      5、微处理器智能控制(可选);

      6、内部状态参量实时监控(可选);

      7、优异的光功率稳定性(OxxM型);

      8、结构尺寸紧凑(100 x 80 x 24 mm);

      9、低偏振输出(OxxM-LP型DOP ≤ 2 % );

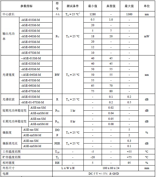
ASE光源的技术指标

  • ASE光源的技术指标

ASE光源的应用范围

  •   1、光纤传感系统

      2、光纤陀螺仪

      3、光纤无源器件测试

      4、波分复用器件测试

      5、EDFA测试和生产

      6、无源器件的测试和生产

      7、WDM测试

      8、实验室测试

提问者:msvsudsdf 地点:- 浏览次数:1286 提问时间:05-18 23:33
我有更好的答案
提 交
撰写答案
提 交
1 / 3
1 / 3
相关电子百科
硅胶板
3D晶体管
双极性晶体管
晶体管时间继电器
导热硅胶垫