电子百科

1 电阻
⑴直流电阻
在晶体二极管上加上一定的直流电压V,就有一对那个的直流电流I,直流电压V 与直流电流I 的比值,就是晶体二极管的等效直流电流。
⑵动态电流
在晶体二极管上加一定的直流电压 V 的基础上,再加上一个增量电压,则晶体二极管也有一个增量电流△I。增量电压△V 与增量电流△I 的比值,就是晶体二极管的动态电阻,即动态电阻为晶体二极管两端电压变化与电流变化的比值。
二极管的正向直流电阻和动态电阻都是随工作点的不同而发生变化的。
普通晶体二极管反响运动时,其直流电阻和动态电阻都很大,通常可以尽是为无穷大。
2 额定电流
晶体二极管的额定电流是指晶体二极管长时间连续工作时,允许通过的最大正向平均电流。在二极管连续工作时,为使PN 结的温度不超过某一极限值,整流电流不应超过标准规定的允许值。
例如: 2AP1 的额定电流为 12mA; 2AP5 为16mA;2AP9 为5mA。
对于大功率晶体二极管,为了降低它的温度,增大电流,必须加装散热片。
3 反向击穿电压
反向击穿电压是指二极管在工作中能承受的最大反向电压,它也是使二极管不致反响击穿的电压极限值。在一般情况下,最大反向工作电压应小于反向击穿电压。选用晶体二极管时,还要以最大反向工作电压为准,并留有适当余地,以保证二极管不致损坏。 例如:2AP21 型二极管的反向击穿电压为 15V 最大反向工作电压小于 10V;2AP26 的反向击穿电压为150V,最大反向工作电流小于100V。
4 最高工作频率
最高工作频率是指晶体二极管能正常工作的最高频率。选用二极管时,必须使它的工作频率低于最高工作频率。 例如: 2AP8BD 最高工作频率为150MHz;2CZ12 的最高工作频率为3kHz;2AP16 的最高工作频率为40MHz。
D的伏安特性
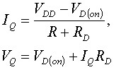
1、图解分析法(Graphical Analysis)

利用二极管曲线模型,特性曲线与管外电路方程(负载线)的交点Q,即为所求静态工作点(IQ,VQ)
2、简化分析法
利用简化电路模型

当 Vdd大于Vd(on) 时,D导通,电路模型如右图

通常R>>RD,RD可忽略, D为恒压模型

1、点接触型二极管
点接触型二极管是在锗或硅材料的单晶片上压触一根金属针后,再通过电流法而形成的。因此,其PN结的静电容量小,适用于高频电路。但是,与面结型相比较,点接触型二极管正向特性和反向特性都差,因此,不能使用于大电流和整流。因为构造简单,所以价格便宜。对于小信号的检波、整流、调制、混频和限幅等一般用途而言,它是应用范围较广的类型。
2、键型二极管
键型二极管是在锗或硅的单晶片上熔接或银的细丝而形成的。其特性介于点接触型二极管和合金型二极管之间。与点接触型相比较,虽然键型二极管的PN结电容量稍有增加,正向特性特别优良。多作开关用,有时也被应用于检波和电源整流(不大于50mA)。在键型二极管中,熔接金丝的二极管有时被称金键型,熔接银丝的二极管有时被称为银键型。
3、合金型二极管
在N型锗或硅的单晶片上,通过合金铟、铝等金属的方法制作PN结而形成的。正向电压降小,适于大电流整流。因其PN结反向时静电容量大,所以不适于高频检波和高频整流。
4、扩散型二极管
在高温的P型杂质气体中,加热N型锗或硅的单晶片,使单晶片表面的一部变成P型,以此法PN结。因PN结正向电压降小,适用于大电流整流。最近,使用大电流整流器的主流已由硅合金型转移到硅扩散型。
5、台面型二极管
PN结的制作方法虽然与扩散型相同,但是,只保留PN结及其必要的部分,把不必要的部分用药品腐蚀掉。其剩余的部分便呈现出台面形,因而得名。初期生产的台面型,是对半导体材料使用扩散法而制成的。因此,又把这种台面型称为扩散台面型。对于这一类型来说,似乎大电流整流用的产品型号很少,而小电流开关用的产品型号却很多。
6、平面型二极管
在半导体单晶片(主要地是N型硅单晶片)上,扩散P型杂质,利用硅片表面氧化膜的屏蔽作用,在N型硅单晶片上仅选择性地扩散一部分而形成的PN结。因此,不需要为调整PN结面积的药品腐蚀作用。由于半导体表面被制作得平整,故而得名。并且,PN结合的表面,因被氧化膜覆盖,所以公认为是稳定性好和寿命长的类型。最初,对于被使用的半导体材料是采用外延法形成的,故又把平面型称为外延平面型。对平面型二极管而言,似乎使用于大电流整流用的型号很少,而作小电流开关用的型号则很多。
7、合金扩散型二极管
它是合金型的一种。合金材料是容易被扩散的材料。把难以制作的材料通过巧妙地掺配杂质,就能与合金一起过扩散,以便在已经形成的PN结中获得杂质的恰当的浓度分布。此法适用于制造高灵敏度的变容二极管。
8、外延型二极管
用外延面长的过程制造PN结而形成的二极管。制造时需要非常高超的技术。因能随意地控制杂质的不同浓度的分布,故适宜于制造高灵敏度的变容二极管。
一、整流(利用单向导电性)
将交流电变为单极性电压,称为整流。图为二极管半波整流电路。若二极管为理想二极管,当输入一正弦波,正半周时,二极管导通(相当开关闭合),vo=vi;负半周时,二极管截止(相当开关打开), vo =0。

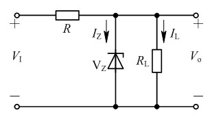
二、稳压电路
利用稳压二极管可以构成稳压电路和限幅电路。
稳压电路如图所示。图中VI为有波动的输入电压,并满足VI >VZ。R为限流电阻,RL为负载。
