0
问答首页 最新问题 热门问题 等待回答标签广场
我要提问

开关电源电路

锂电池充电器电路

锂电池充电器电路
提问者:kingnet_52003 地点:- 浏览次数:4377 提问时间:07-03 22:02
我有更好的答案
提 交
1条回答
60user107 07-07 12:41

72.锂电池充电器电路.gif


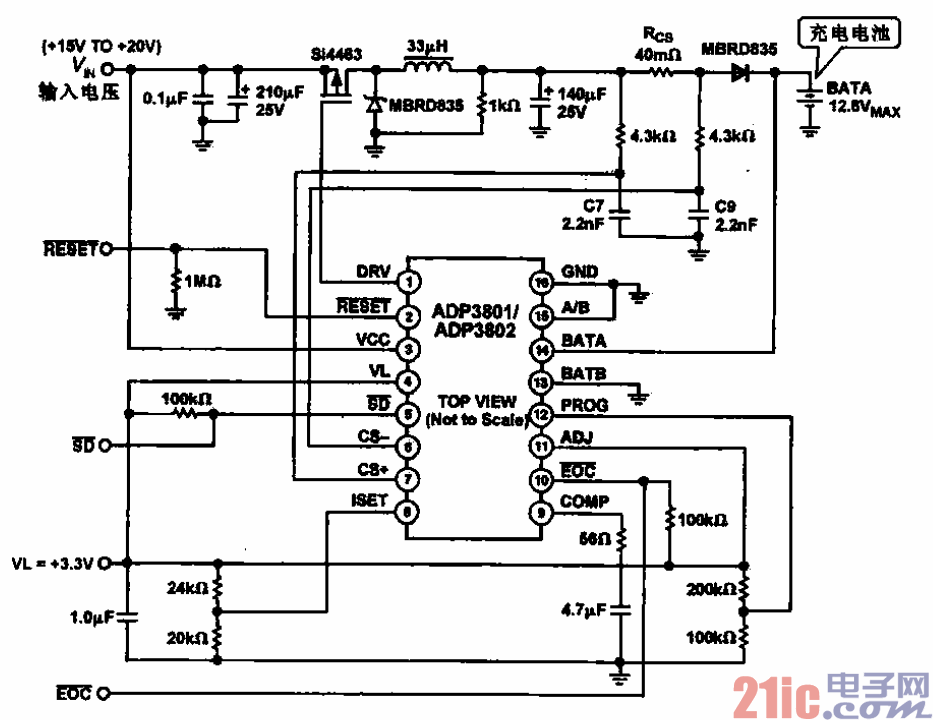
锂电池充电器电路


所示为一种锂电池充电器电路。该电路要用PWM产生电路作为充电器的控制满电,将输

入的15 V~20 V的直流电压在经开关场效应晶体管SI4463变成脉冲信号,再经滤波电路形成充电电流,

为锂电池充电。

撰写答案
提 交
1 / 3
1 / 3
相关开关电源电路
TEA1753T开关电源应用电路
TH-1024S集线器开关电源电路图
24V开关电源原理电路图
谁有开关电源电路原理图
一种UC3842设计的PWM开关电源电路