0
问答首页 最新问题 热门问题 等待回答标签广场
我要提问

开关电源电路

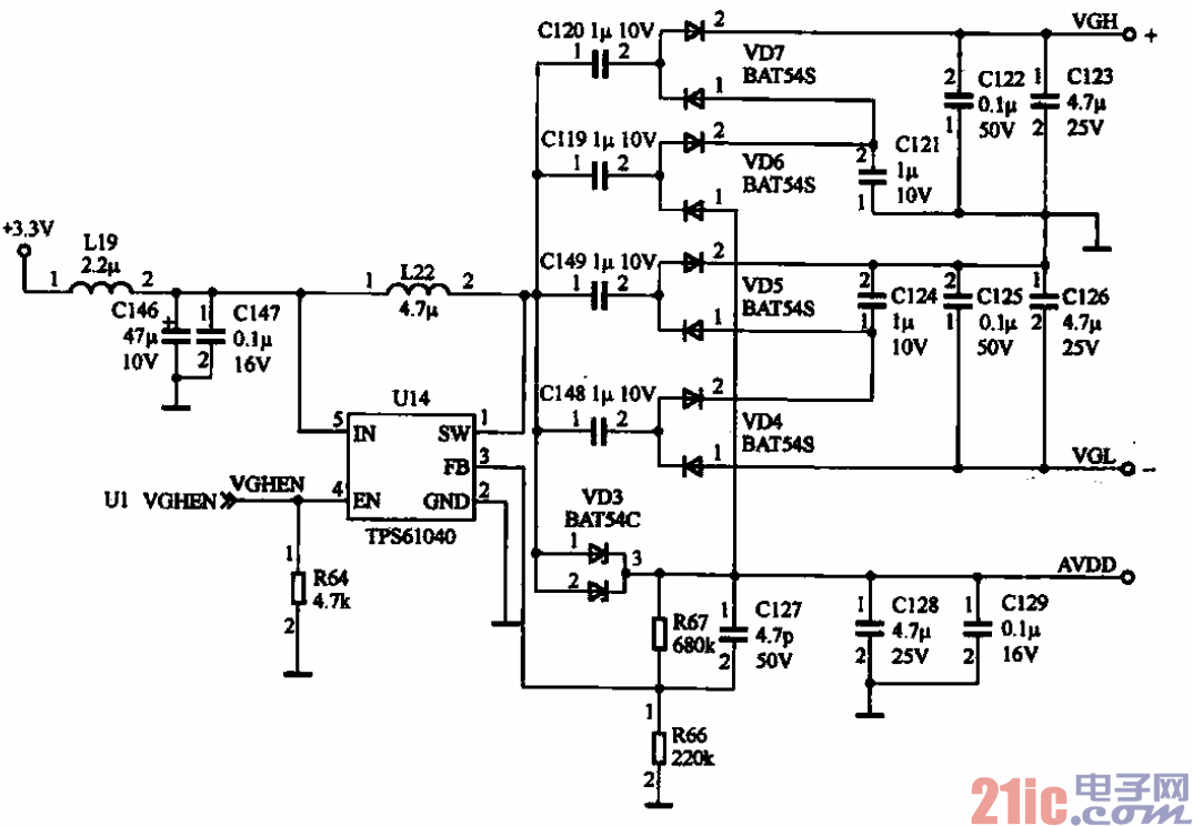
分压方式的LCD背光灯供电电路

分压方式的LCD背光灯供电电路

提问者:sonia87 地点:- 浏览次数:9790 提问时间:12-27 19:25
我有更好的答案
提 交
1条回答
dannyxu 01-01 12:16

82.分压方式的LCD背光灯供电电路.gif


分压方式的LCD背光灯供电电路


所示是采用分压方式给LCD背光灯供电的电路。

撰写答案
提 交
1 / 3
1 / 3
相关开关电源电路
TEA1753T开关电源应用电路
TH-1024S集线器开关电源电路图
24V开关电源原理电路图
谁有开关电源电路原理图
一种UC3842设计的PWM开关电源电路