开关电源电路

就是在负载两端并联一只电容组成。
电容滤波器的工作原理:利用了电容两端电压不能突变的特性。当二极管导通时,一方面给负载马,供
电,另一方面对电容器C进行充电。充电时间常数L -2RnC,其中Rn为二税管的正向导通电阻,其值非
常小,充电电压虬与上升的正弦电压地-致,峋-‰≈地,当碥充电到地的最大值,ku,地开始下降,且下
降速度逐渐加快。当№<碥时,四个二板管均截止,电容C经负载电阻R1.放电,放电时间常数五=Ri.C.
故放电较慢,直到负半周。
在负半周.当地>酶时.另外两个二极管导通,再次给电容C充电,当酶充电到砘的最大值以鸭,
撕开始下降,且下降速率逐渐加快,当地<“。时,四个二极管再次截止,电容C经负载R,.放电。如此重
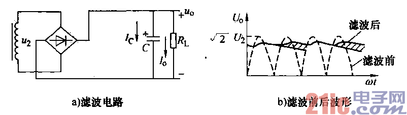
复上述过程。负载两端的输出电压波形如图12-14b所示。 ,
由上述讨论可见t输出电压的大∥翱脉动程度与放电时间常数五-RLC有关。若乳开路,电容c无
放电通路,‰将一直保持最大充电电压/jUz;若RL很小,放电时间常数很小,‰下降很快,使得输出电
压的脉动增大。
桥式整流电容滤波后,其输出电压l - (1. 1—1.4)u2范围内,滤波电容选用几十微法以上的电解电
容,其耐压值应高于一