开关电源电路

可以看出,一个稳压电源通常都是由变压器、整流滤波、调整元
件、比较放大、基准电源和取样等6个部分构成,有些稳压电源中还有过载或短路保护装置。
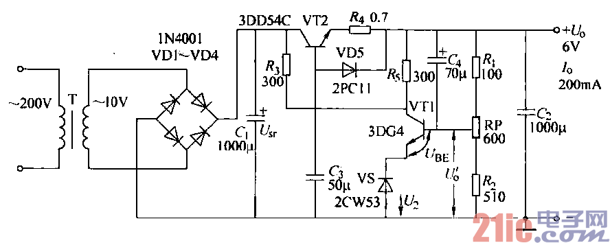
电路由变压器T将220V降压为10V,VD1~VD4桥式整流把交流10V变为脉动的直流电,经电容c1
滤波,再由稳压、放大、取样环节,使调整管VT2工作,输出直流电Uo为6V。调整取样电阻RP的大
小,就可以改变输出电压U。在6V以内变化,该电路输出电流Io为200mA。
它的稳压工作过程是:当输出电压发生变化时,通过电阻分压器来“取样”,与基准电源比较后,放大
器将误差信号放大,送到调整管的基极调整其管压降,以达到稳定输出电压的目的。一般地讲,放大环节
的放大倍数愈大,稳定度就愈高。
下面我们对照图12 - 21a所示稳匝电源方框图逐一分析如下:
(1)基准电压基准电压应是一个稳定性较高的直流电压,否则,由于基准电压值改变了,即使U,不
变t也会引起输出电压的变化,影响了输出电压的稳定性。
目前.基准电压往往采用硅稳压管vs和凤取得,如图12-21b所示,稳压管电路的关键是选择限流
电阻,其阻值应保证当输入电压【‘最小时,流过稳压管柏电流也不小于维持稳定电压下的最小电流