电子百科

DDR SDRAM与SDRAM的不同主要体现在以下几个方面:
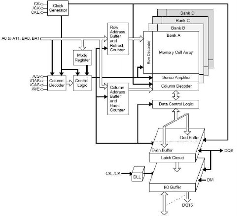
(1) 初始化。SDRAM在开始使用前要进行初始化,这项工作主要是对模式寄存器进行设置,即MRS。DDR SDRAM与SDRAM一样,在开机时也要进行MRS,不过由于操作功能的增多,DDR SDRAM在MRS之前还增加了一个扩展模式寄存器设置(EMRS)过程。这个扩展模式寄存器对DLL的有效与禁止、输出驱动强度等功能实施控制。
(2) 时钟。前面介绍SDRAM时已经看到,SDRAM的读/写采用单一时钟。在DDR SDRAM工作中要用差分时钟,也就是两个时钟,一个是CLK,另一个是与之反相的CK#。
CK#并不能被理解为第二个触发时钟(可以在讲述DDR原理时简单地这么比喻),它能起到触发时钟校准的作用。由于数据是在CLK的上下沿触发的,造成传输周期缩短了一半,因此必须要保证传输周期的稳定以确保数据的正确传输,这就要求对CLK的上下沿间距要有精确的控制。但因为温度、电阻性能的改变等原因,CLK上下沿间距可能发生变化,此时与其反相的CK#就起到纠正的作用(CLK上升快下降慢,CK#则是上升慢下降快)。而由于上下沿触发的原因,也使CL=1.5或2.5成为可能,并容易实现。
(3) 数据选取(DQS)脉冲。DQS是DDR SDRAM中的重要信号,其功能主要用来在一个时钟周期内准确地区分出每个传输周期,并使数据得以准确接收。每一块DDR SDRAM芯片都有一个双向的DQS信号线。在写入时,它用来传送由北桥发来的DQS信号;在读取时,则由芯片生成DQS向北桥发送。可以说,DQS就是数据的同步信号。
(4) 写入延时。在写入时,与SDRAM的0延时不一样,DDRSDRAM的写入延迟已经不是0了。在发出写入命令后,DQS与写入数据要等一段时间才会送达。这个周期被称为DQS相对于写入命令的延迟时间。
为什么会有这样的延迟呢?原因也在于同步,毕竟在一个时钟周期内进行两次传送需要很高的控制精度,它必须要等接收方做好充分的准备才行。tDQSS是DDR内存写入操作的一个重要参数,太短的话恐怕接收有误,太长则会造成总线空闲。tDQSS最短不能小于0.75个时钟周期,最长不能超过1.25个时钟周期。
(5) 突发长度与写入掩码。在DDR SDRAM中,突发长度只有2、4、8三种选择,没有了SDRAM的随机存取的操作(突发长度为1)和全页式突发方式。同时,突发长度的定义也与SDRAM的不一样了,它不再指所连续寻址的存储单元数量,而是指连续的传输周期数。
对于突发写入,如果其中有不想存入的数据,仍可以运用DM信号进行屏蔽。DM信号和数据信号同时发出,接收方在DQS的上升沿与下降沿来判断DM的状态,如果DM为高电平,那么之前从DQS脉冲中部选取的数据就被屏蔽了。
(6)延迟锁定回路(DLL)。DDR SDRAM对时钟的精确性有着很高的要求,而DDR SDRAM有两个时钟,一个是外部的总线时钟,一个是内部的工作时钟。在理论上,DDRSDRAM的这两个时钟应该是同步的,但由于种种原因,如温度、电压波动而产生延迟使两者很难同步,更何况时钟频率本身也有不稳定的情况。这就需要根据外部时钟动态修正内部时钟的延迟来实现内部时钟与外部时钟的同步,为此专门设置了DLL。利用这种电路,可使内部时钟与外部时钟保持同步。
(1) 读出。DDR SDRAM的读出时序关系与SDRAM很相似,如图所示。

(2) 写入。突发写入的时序如图所示。

在图中表示的是突发写入的过程,突发长度为4。由图我们注意到,在写入第一个数据前有一段写入延时tDQSS。
同样,DDR SDRAM是每个时钟周期写入两个数据。
最后要说明的是,为了使用户用好DDR SDRAM,厂家为我们开发了有关的控制器芯片,在将来连接使用时注意去选用。在PC机中,厂家开发出支持DDR SDRAM的北桥芯片,该芯片能提供DDR SDRAM工作所要求的信号,这为用户提供了很大的方便。
目前,PC机上的内存条主要是由SDR SDRAM(单倍速率同步DRAM)或DDR SDRAM芯片构成的。
标准的DDR内存条是184引脚线 DIMM(双面引脚内存条)。它很像标准的168引脚线 SDRAM DIMM,只是用了一个凹槽而不是SD上的两个凹槽。组件的长度也是5.25英寸。
标准化协会定义了两种不同配置的DDR内存条。第一种是无缓冲DDR DIMM,它成本低,可应用在PC和Internet设备上。
第二种是有缓冲DDR DIMM,应用于较高存储密度的服务器中。
新近的DDR-Ⅱ内存条所用的DDR芯片的速度更高一些。目前有三种工作频率:400 MHz、533 MHz和667 MHz,可以达到的速率分别为4.8 GB/s、5.6 GB/s和6.4 GB/s。所有的DDR-Ⅱ内存条均工作在1.8 V电压之下,单条容量均在512 MB以上。
DDR-Ⅱ内存条的引脚线有200线、220线和240线几种。

VDD、VDDQ:电源供电
CLK、/CLK:差分时钟�
CKE:时钟使能�
/CS:片选信号
BA0-BA1:块选择(决定哪个块进行读、写、刷新、预充电等操作)�
/RAS:行地址选取�
/CAS:列地址选取�
A0-A11:地址�
DQ0-DQ15:双向数据
DQS:数据选通信号,控制I/O buffer,数据真正的同步信号
/WE :读/写信号,高电平为读命令,低电平为写命令�
DM、/DM:数据标志位,标示当前数据是否为有效数据