电子百科

因为固定三端稳压器属于串联型稳压电路,因此它的原理等同于串联型稳压电路。举例说明如附图。

其中R1、Rp、R2组成的分压器是取样电路,从输出端取出部分电压UB2作为取样电压加至三极管T2的基极。稳压管Dz以其稳定电压Uz作为基准电压,加在T2的发射极上。R3是稳压管的限流电阻。三极管T2组成比较放大电路,它将取样电压UB2与基准电压Uz加以比较和放大,再去控制三极管T1的基极电位。从图可见,输入电压Ui加在三极管T1与负载RL相串联的电路上,因此,改变T1集电极间的电压降UCE1便可调节RL两端的电压Uo。也就是说,稳压电路的输出电压Uo可以通过三极管T1加以调节,所以T1称为调整管。由于调整元件是晶体管管,而且在电路中与负载相串联,故称为晶体管串联型稳压电路。电阻R4和T1的基极偏置电阻,也是T2的集电极负载电阻。
当电网电压降低或负载电阻减小而使输出端电压有所下降时,其取样电压UB2相应减小,T2基极电位下降。但因T2发射极电位既稳压管的稳定Uz保持不变,所以发射极电压UBE2减小,导致T2集电极电流减小而集电极电位Uc2升高。由于放大管T2的集电极与调整管T1的基极接在一起,故T1基极电位升高,导致集电极电流增大而管压降UCE1减小。因为T1与RL串联,所以,输出电压Uo基本不变。
同理,当电网电压或负载发生变化引起输出电压Uo增大时,通过取样、比较放大、调整等过程,将使调整调整管的管压降UCE1增加,结果抑制了输出端电压的增大,输出电压仍基本保持不变。
调节电位器,可对输出电压进行微调。调整管T1与负载电阻RL组成的是射极输出电路,所以具有稳定输出电压的特点。
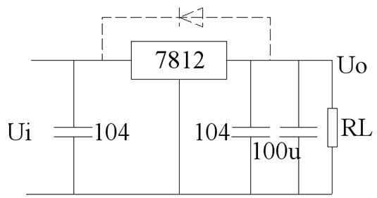
1、三端稳压器的通用产品有78系列(下电源)和79系列(负电源),输出电压由具体型号中的后面两个数字代表,有5V,6V,8V,9V,12V,15V,18V,24V等档次。输出电流以78(或79)后面加字母来区分。L表示0.1A,M表示0.5A,无字母表示1.5A,如78L05表求5V 0.1A。典型应用电路如下:

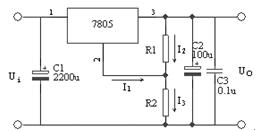
2、提高输出电压的电路

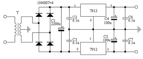
3、双电源电路

1、在使用时必须注意:(VI)和(Vo)之间的关系,以7805为例,该三端稳压器的固定输出电压是5V,而输入电压至少大于7V,这样输入/输出之间有2-3V及以上的压差。使调整管保证工作在放大区。但压差取得大时,又会增加集成块的功耗,所以,两者应兼顾,即既保证在最大负载电流时调整管不进入饱和,又不至于功耗偏大。
2、一般在三端稳压器的输入输出端接一个二极管,用来防止输入端短路时,输出端存储的电荷通过稳压器,而损坏器件。