电子百科

电路特点
( 1 )可逆对称电路。
( 2 )为减少转子电阻段数及控制转子电阻的触点数,采用凸轮控制器控制绕线型电动机时,转子串接不对称电阻。
( 3 )用于控制提升机构电动机时,提升与下放重物,电动机处于不同的工作状态。
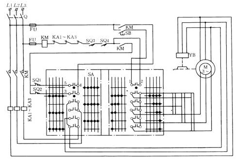
2 .控制线路分析
( 1 )主电路分析

图 2 凸轮控制器原理图
凸轮控制器操作手柄使电动机定子和转子电路同时处在左边或右边对应各档控制位置。左右两边转子回路接线完全一样。当操作手柄处于第一档时,各对触点都不接通,转子电路电阻全部接入,电动机转速最低。而处在第五档时,五对触点全部接通,转子电路电阻全部短接,电动机转速最高。
( 2 )控制电路分析 凸轮控制器的另外三对触点串接在接触器 KM 的控制回路中,当操作手柄处于零位时,触点 1-2 、 3-4 、 4-5 接通,此时若按下 SB 则接触器得电吸合并自锁,电源接通,电动机的运行状态由凸轮控制器控制。
( 3 )保护联锁环节分析 控制器 3 对常闭触点用来实现零位保护、并配合两个运动方向的行程开关 SQ1 、 SQ2 实现限位保护。
1 按照电器原理图的要求,分别遂档操作控制器,观察触头的分合是否与接线图中触头分合程序相符,如不符,应予以调整,所有导线由基座下端两接线孔引出。
2 通电前必须检查电动机和电阻器有关电气系统的接线是否正确,接地是否可靠。
3 通电后应按相应凸轮控制器细心检查电动机运转情况,若有异常,应立即切断电源,待查明原因后方可继续通电。
4 控制器应当按要求经常检修:
a 所有螺钉联接部分必须紧固,特别是触头接线螺钉
b 摩擦部分应经常保持一定的润滑
c 触头表面应无明显熔斑,烧熔的部分用细锉刀精心修理,不可用砂纸打磨
d 损坏的零件要及时更换。