
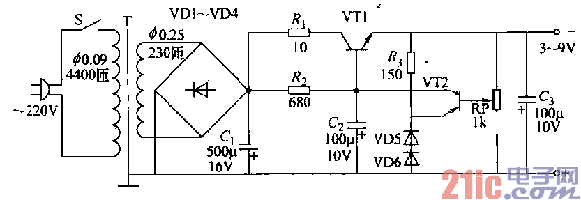
3—9V可调lOOmA稳压电源如图12-30所示的稳压电源,采用有放大管的串联型稳压电路,输出电压
由3~9V连续可调,输出电流可以达到lOOmA,适合电源电压不同的多种晶体管收音机使用。
电路原理:变压器二次侧的低压交流电,经过整流二极管VD1—VD4整流,电容c1滤波,获得直流
电,输送到稳压部分。稳压部分由调整管VT1、.放大管VTZ和起稳压作用的硅二槿管VD5、VD6等组成。
晶体管集电板和发射极之间的电压降简称管噩降。调接管VT1上的管压碑是可变的,当输出电压有减小的
趋势t管压降会自动地变小,维持输出电压不变,当输出电压有增大的趋势,管压降又会自动地变大,仍
维持输出电压不变。可见,VT1相当于一个可变电阻,由于它的调整作用,使输出电压基本上保持不变。
调整管的调整作用是受放大管VT2控制的,输出电压经过电位器分压,输出电压的一部分加到VT2的基
极和地之间。由于VT2的发射檄对地电压是通过-极管VD5、VD6稳定的,可以认为VT2的发射极对地
电压是不变的,这个电压叫做基准电压。这样.\r:r2基极电压‘的变化就反映了输出电压韵变化。如果输出
电压有减小(指绝对值,下同)趋势,VT2基极发射极之间的电压也要减小,这就使VT2的集电极电流
减小、集电极电压增大。由于VT2和VT1是直接耦合昀,VT2集电檄电压增大,也就是VT1基极发射极
之间的电压增大,这就使VT1加强导通,管压降减小,维持输出电压不变。同样,如果输出电压有增大的
趋势,通过VT2的作用使VT1的管压降增大,维持输出电压不变。
VD5、VD6是利用它们在正向导通的时候正向压降基本上不随电流变化的特性来稳压的。硅管的正向
压降大约是0. 7V,两只硅二极管串联可以得到大约1.4V的稳定电压。利用正向特性进行稳压没有利用反
向击穿特性效果好,它的优点是能够提供较低的稳定电压。马是提供VD5、VD6正向电流的限流电阻。
Rz是VT2的负载电阻,又是VT1的偏流电阻。Ri是为了在输出电流较大的时候,减小VT1管压降而设
置的。C2是考虑到在市电电压降低的时候,为了减小输出电压的交流成分而设置的。G的作用是降低稳
压电源的交流内阻和纹波。