0
问答首页 最新问题 热门问题 等待回答标签广场
我要提问

开关电源电路电源

大功率直流稳压电源-主回路电路

大功率直流稳压电源-主回路电路
提问者:金硕电子采购小耿 地点:- 浏览次数:7344 提问时间:03-21 23:33
我有更好的答案
提 交
1条回答
vctwetrwer 03-31 20:30

31.大功率直流稳压电源-主回路电路.gif


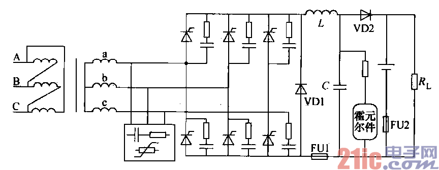
为了减少对电网的干扰,特别是减少整流装置高次谐波对电网的影响,系统主电路采用晶闸管三相全

控整流电路,输出采用r型滤波器,主电路如图12-3J所示。三相全控桥式整流电路与三相半波整流电路

相比,输出整流电压提高一倍,输出电压脉动较小,变压器的利用率高,且无直流磁化问题。由于三相桥

式整流电路控制快速性好,因而在大容量负载供电、电力拖动控制等方面获得广泛的应用。

    在设计过程中,采用了理论分析和工程算法相结合的方法。这里对各个环节的原理、作用和计算加以

简单的说明。

撰写答案
提 交
1 / 3
1 / 3
相关开关电源电路
TEA1753T开关电源应用电路
TH-1024S集线器开关电源电路图
24V开关电源原理电路图
谁有开关电源电路原理图
一种UC3842设计的PWM开关电源电路
相关电源
TDA16846组成的彩电开关电源原理图
联想LX-PL4C2型彩色显示器开关电源电路
长虹CN-9机心彩电开关电源电路
索尼KV2184彩电开关电源电路
王牌TCL-3460D彩电开关电源电路