0
问答首页 最新问题 热门问题 等待回答标签广场
我要提问

开关电源电路电源

正、负直流稳压电源电路

正、负直流稳压电源电路
提问者:tigerwang711 地点:- 浏览次数:3036 提问时间:03-21 13:53
我有更好的答案
提 交
1条回答
723662364d 03-30 07:30

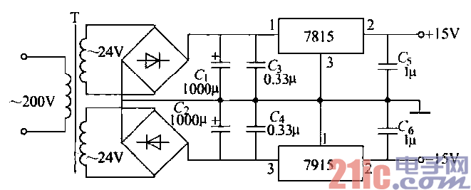
23.正、负直流稳压电源电路.gif


采用集成正、负稳压器的电源电路,变压器的二次侧输出电压为24V.经全波整流后输出的  ’

直流电压为24VXo.9- 21. 6V。两个1000_uF

电容器分别为两个桥式整流电路的滤波电容。

经过集成稳压器稳压后,分别输出正、负15V

的直流电源。

    集成稳压器内部稳压系统及纹波消除系统

十分完善,因此,滤波电容不必太大。特别是

目前使用广泛的声控灯开关,均使用这种电源

供电。

撰写答案
提 交
1 / 3
1 / 3
相关开关电源电路
TEA1753T开关电源应用电路
TH-1024S集线器开关电源电路图
24V开关电源原理电路图
谁有开关电源电路原理图
一种UC3842设计的PWM开关电源电路
相关电源
TDA16846组成的彩电开关电源原理图
联想LX-PL4C2型彩色显示器开关电源电路
长虹CN-9机心彩电开关电源电路
索尼KV2184彩电开关电源电路
王牌TCL-3460D彩电开关电源电路