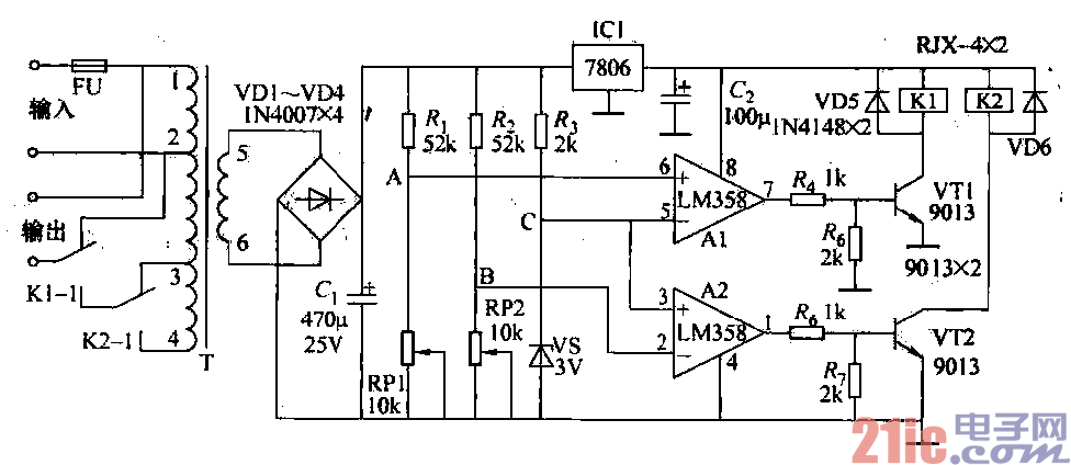
开关电源电路

它由供电、基准电压、电压取样比较等单元电路组成。
交流220V从变压器的①~②端绕组输入,③~④绕组为自耦调压抽头,⑤~⑥绕组为控制电路的电
源及取样抽头。Al、A2为运算放大籍.作电压比较器用;IC1为i端稳压块,为运算放大器及继电器提供
供电电源;VD5、VD6为保护二极管。
市电电压正常时,因C点电压始终为3V(由R3降压,DW稳压).A、B点电压均大于3V,故Al,
A2输出低电平,晶体管VT1、VT2截止,继电器Kl、K2不动作,调压器输出调于①~②绕组。
当市电电压下降时,⑤~⑥绕组的电压随之下降,A点电压跟着下降。当A点电压低于3V时,Al输
出高电平,晶体管VT1饱和导通,继电器Kl暇合,将调压器输出调于①~③绕组;当市电电压继续下降
时,B点电压下降到低于3V时,A2输出高电平,使晶体管VT2饱和导通,继电器K2吸合,将调压器输
出调于①~④绕组。当电压升高时,B点电压也随之升高,当B点电压高于3V时,A2输出低电平.VT2
截止,K2释放,输出端调至①~③绕组;当市电电压继续升高时.A点电压高于3V,Al输出低电平。
vri截止,Kl释放,输出端调至①~②绕组。