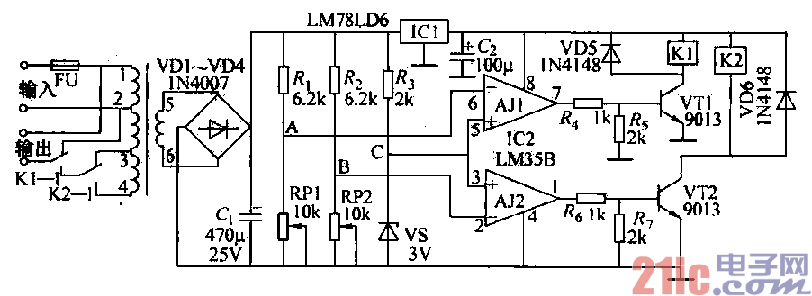
开关电源电路

交流稳压电源电路如图所示。它主要由供电、基准电压、电压取样比较等几个单元电路组成。
市电从变压器的①、②脚输入,③、④脚为自耦调压抽头,⑤、⑥脚为控制电路的电源及取样抽头。市电
电压正常时,因C点电压始终为3V(即Ri降压vs稳压所得).A、B点电压均大于3V,故^J1、AJ2输
出低电平#当市电电压下降时,⑤、⑥脚的电压也随之下降,A点电压也跟着下降,当A点电压下降到低
于3V时,AJ1输出高电平,使晶体管VT1饱和导通,继电器Kl‘暖合,将调压器输出调于1、3脚;当市
电电压继续下降时,同理B点电压低于3V时(UA
将调压器输出调于①、④脚,以达到自耦升压的目的。
反之,如果电压升高时,B点电压也随之升高,当B点电压高于3V时,AJZ输出低电平,VT2截止,
K2-1释放,输出端涸至①、③脚;当市电电压继续升高时,A点电压高于3V,AJ1输出低电平,'VT1截
止,Kl释放,输出端调至①、②脚。AJ1、^J2为运算放大器,在这里做电压比较器用;IC1为三端集成
稳压器件.~为运算放大器及继电器提供供电电源;VD5、VD6为保护二极管。