电子百科

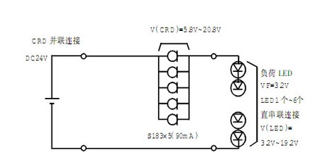
● 单一个CRD就有可能点亮LED
● 虽然电源电压会变动,可是LED可在稳定的亮度上点亮。
● 虽然LED的Vf有误差,可是可以得到稳定亮度。
● 并联连接使用可以对应在定额大的LED。
● 周围温度升高的话,电流值会变小,因此可以保护LED
● 和整流二极管一起使用的话,交流电亦可使用。
● 使用交流的情况下,周波数虽然有变化,可是亮度不会变化。
如上所述,CRD和LED有很好的匹配性,而且可以保护LED免受由于过电流,过电压的变动,周波数的变动所照成的外围破坏。而且,它还是一个可以无视LED Vf的误差可以得到稳定亮度的零部件。

综合CRD的特性
● 1V以下到100V广范围的电压都可以动作。
● 不会受到电源的变动,负荷的变动,异常电压变动的影响。
● 单一个零部件就可以实现恒流电路,而且还可以减少组装面积。
● 周波数特性特好,可用到10MHz的周波数。
● 无共振现象,不会有信号干扰。
● 并联连接可扩大电流使用。

图 恒流二极管的特性
CRD模块是作为比萤光灯效率还要好的LED照明而计划开发贡献的产品。
CRD模块是直接连接交流电源,使LED有效率点灯的一个模块商品。
CRD模块是一个桥是整流器和CRD所构成的简单的商品。
CRD模块的特征
● 减少线路的损失,提高照明效率。
● 电源电压即使有变动,亮度不变。
● 电源周波数即使有变化,亮度不变
● 突波电流不会发生。
● 不会发生线路杂信。
● 不须连接电解电容可延长寿命。
● 不须连接变压器和电容器,可小型化。
一般来说,LED照明的驱动线路会有一组电源供应器,AC/DC转换,让後再加上一个恒流线路来驱动LED的方式,可是这个线路在电源供应器和恒流线路会产生两个损失,因此无法达成比萤光灯还要高的效率。而且,电源供应器上的电解电容的寿命,也就是说电源供应器的寿命会很直接影响LED寿命。
况且,一个很平顺的线路依据所使用电解电容会发生突波电流,因此必须考虑到突波电流的对策。
针对此点,CRD模块的话是电源供应器和恒流线路两个机能的混合物,简单的组成,效率损失少,寿命长,因为不须使用电解电容,所以可以构筑一个高效率LED照明。
未来,LED可期待作为节能降耗,长寿命的光源,非常受到注目。CRD在不同的用途领域上经历了30年供给的长寿命产品,但经过CRD用途分析後发现,随着可作为稳定LED的芯片销售量不断在扩大,CRD的销售也在不断增加。见图1。

图1 CRD 模块
在2007年高精度,大电流的L系列CRD产品投入市场,只用1个芯片,就可以提供到30mA稳定电流。
2008年环氧树脂包封的S系列CRD产品投入市场,便于组装使用。除此之外,CRD S系列作为主要的零部件制成模块,研发高附加价值的模块CRD。 见图2。

图2 CRD S系列