电子百科

1、输出电压的可调范围要大,脉动要小;
2、交流电源功率因数要高,谐波电流要小 ;
3、 器件导电时间要尽可能长 , 承受正反向电压要低 ;
4、变压器利用率要高,尽量防止直流磁化 。
单相整流电路
优点: 结构简单;对触发电路的要求较低。
缺点:输出直流电压脉动大; 易造成电网负载不平衡。
三相半波可控整流电路
优点: 接线和控制简单 。
缺点 变压器副边电流中含有直流分量,出现直流磁化现象,引起附加损耗 ; 变压器利用率低(每相绕阻的最长导电 时间只有三分之一周期); 零线上通过较大的负载电流。
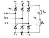
三相桥式全控整流电路
优点: 六脉波电路,输出电压脉动更小; 变压器绕组无直流磁势; 变压器绕组正负半周都工作,效率高。