0
问答首页 最新问题 热门问题 等待回答标签广场
我要提问

电子百科

手操压力泵

手操压力泵

手操压力泵特点

  •   手操压力泵具有体积小、重量轻、内部结构合理,使用方便、灵活等特点。

手操压力泵技术指标

  •   1、输出压力:-90~160kPa

      2、工作环境:温度:-10~60℃    湿度:100[%]

      3、重    量:约1kg

      4、气 密 性:当负压值为-90kMPa输出时(稳压1分钟后)压力值升高每分钟不超过0.02kPa;

      当压力值为160kPa输出时(稳压1分钟后)每分钟下降不超过0.02kPa。

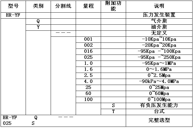
手操压力泵选型方法

  • 手操压力泵选型方法

提问者:60user175 地点:- 浏览次数:9228 提问时间:08-22 12:10
我有更好的答案
提 交
撰写答案
提 交
1 / 3
1 / 3
相关电子百科
硅胶板
3D晶体管
双极性晶体管
晶体管时间继电器
导热硅胶垫