电子百科

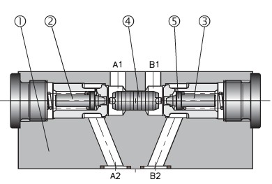
叠加式液控单向阀主要由钢制阀体(1),一个或两个单向阀(2),(3),先导级活塞(4)组成.单向阀的主阀芯内有先导锥阀芯(5),通过它保证单向阀打开.当油液由A1流向A2,单向阀(2)打开,同时先导级活塞(4)被推至右位,通过先导锥阀芯(5)的作用单向阀(3)打开.
当进油口A1和B1出现失压,弹簧作用力将阀芯紧压在阀座上,切断了单向阀与执行机构之间的油路.
为确保锥阀正确到位关闭阀口,应使用Y型机能的换向阀,让活塞(4)在中位,油口A1和B1接都接油箱。

(1)液压缸的“支承”:在立式液压缸中,由于滑阀和管的泄漏,在活塞和活塞杆的重力下,可能引起活塞和活塞杆下滑。将液控单向阀接于液压缸下腔的油路,则可防止液压缸活塞和滑块等活动部分下滑
(2)保持压力:滑阀式换向阀都有间隙泄漏现象,只能短时间保压。当有保压要求时,可在油路上加一个液控单向阀,利用锥阀关闭的严密性,使油路长时间保压
(3)实现液压缸锁紧:当换向阀处于中位时,两个液控单向阀关闭,可严密封闭液压缸两腔的油液,这时活塞就不能因外力作用而产生移动。
(4)大流量排油:液压缸两腔的有效工作面积相差很大。在活塞退回时,液压缸右腔排油量骤然增大,此时若采用小流量的滑阀,会产生节流作用,限制活塞的后退速度;若加设液控单向阀,在液压缸活塞后退时,控制压力油将液控单向阀打开,便可以顺利地将右腔油液排出。
(5)作充油阀:立式液压缸的活塞在高速下降过程中,因高压油和自重的作用,致使下降迅速,产生吸空和负压,必须增设补油装置。液控单向阀作为充油阀使用,以完成补油功能
(6)组合成换向阀:在设计液压回路时,有时可将液控单向阀组合成换向阀使用。例如:用两个液控单向阀和一个单向阀并联(单向阀居中),则相当于一个三位三通换向阀的换向回路。需要指出,控制压力油油口不工作时,应使其通回油箱,否则控制活塞难以复位,单向阀反向不能截止液流。
液压油液
这类阀中使用的材料和密封件要相容于:
抗磨液压油L-HM
非烷基磷酸酯L-HFD极端工作粘度范围从13至500cSt(70至2300SUS),但是推荐工作范围是13至54cSt(70至250SUS
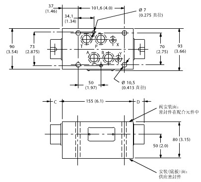
安装方位
不受限制
污染控制要求
推荐的污染控制方法和控制油液状态产品的选择包括在威格士出版物9132或561的"威格士系统污染控制指南"中.书中也包括了威格士"主动维护"的概念.以下的推荐值是基于ISO清洁度等级在2μm,5μm和15μm.
本样本产品推荐的等级是:
0至210bar(3000psi)18/16/13210至315bar
(3000至4500psi).17/15/12
温度
对于矿物油:最低–20C(–4.)F最高+60C(140F)
对于含水液压液:最低+10C(50F)最高+54C(130F)
对于其他使用范围超出矿物油的限制的油液,请询问油液制造商或威格士代理人.无论实际温度范围如何,均应保证粘度处于"液压油液"部分所规定的范围之内.