电子百科

根据IGBT 的特性, 其对驱动电路的要求如下:
(1) 提供适当的正反向电压, 使IGBT 能可靠地开通和关断。当正偏压增大时IGBT 通态压降和开通损耗均下降, 但若U GE过大, 则负载短路时其IC 随U GE增大而增大, 对其安全不利, 使用中选U GEn 15V 为好。
负偏电压可防止由于关断时浪涌电流过大而使IGBT误导通, 一般选U GE= - 5V 为宜。
(2) IGBT 的开关时间应综合考虑。快速开通和关断有利于提高工作频率, 减小开关损耗。但在大电感负载下, IGBT 的开频率不宜过大, 因为高速开断和关断会产生很高的尖峰电压, 及有可能造成IGBT 自身或其他元件击穿。
(3) IGBT 开通后, 驱动电路应提供足够的电压、电流幅值, 使IGBT 在正常工作及过载情况下不致退出饱和而损坏。
(4) IGBT 驱动电路中的电阻R G 对工作性能有较大的影响, R G 较大, 有利于抑制IGBT 的电流上升率及电压上升率, 但会增加IGBT 的开关时间和开关损耗; R G 较小, 会引起电流上升率增大, 使IGBT 误导通或损坏。R G 的具体数据与驱动电路的结构及IGBT 的量有关, 一般在几欧~ 几十欧, 小容量的IGBT 其R G 值较大。
(5) 驱动电路应具有较强的抗干扰能力及对IG2BT 的保护功能。IGBT 的控制、驱动及保护电路等应与其高速开关特性相匹配, 另外, 在未采取适当的防静电措施情况下, G—E 断不能开路。
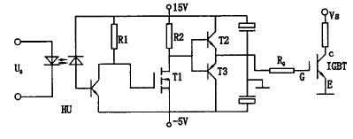
1 直接驱动法
如图 所示, 为了使IGBT 稳定工作, 一般要求双电源供电方式, 即驱动电路要求采用正、负偏压的两电源方式, 输入信号经整形器整形后进入放大级, 放大级采用有源负载方式以提供足够的门极电流。为消除可能出现的振荡现象, IGBT 的栅射极间接入了RC 网络组成的阻尼滤波器。此种驱动电路适用于小容量的IGBT。

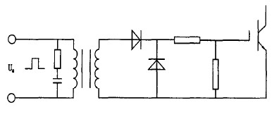
2 隔离驱动法
隔离驱动法有两种电路形式。

上图为最简单的变压器隔离驱动电路, 适用于小容量的IGBT。图4 为光电耦合隔离驱动电路, 采用双
电源供电的方式。当V G 使发光二极管有电流流过时,光电耦合器HU 的三极管导通, R 1 上有电流流过, 场效应管T 1 关断, 在V C 的作用下, 经电阻R 2、T 2 管的基—发射器有了偏流, T 2 迅速导通, 经R G 栅极电阻,GBT 得到正偏而导通。当V G 没有脉冲电压时, 发光二极管不发光, 作用过程相反, T 1 导通使T 3 导通,- V C 经栅极电阻R G 加在IGBT 得栅射极之间, 使IG2BT 迅速关断。
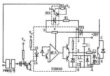
3 使用EXB840 集成模块控制的驱动电路
相对于分立元件驱动电路而言, 集成化模块驱动电路抗干扰能力强、集成化程度高、速度快、保护功能完善、可实现IGBT 的最优驱动。EXB840 为高速型集成模块, 最大开关频率达40kHz, 能驱动75A , 1200V的IGBT 管。 如图5 所示, 适当增加外部元件, 可使整个电路具有过流检测、保护及软关断功能。加直流20V 作为集成块工作电源。内部利用稳压二极管产生- 5V的电压, 除供内部应用外, 也为外用提供负偏压。集成块采用高速光耦输入隔离。
由于EXB840 的15 脚接高电平, 故控制脉冲输入端14 脚为低电平时, IGBT 导通, 14 脚高电平时, IG2BT 截止。稳压管V 1、V 2 为栅极电压的正向限幅保护, 电容C1、C2 为正、反向电源的滤波电容, 1 脚还外接发射极的钳位二极管VD2。此外, 当集电极电流过大时, IGBT 的饱和压降U CE将明显增加, 使集电极电位升高, 过高的集电极电位作为过流信号送至6 脚, 通过EXB840 内部的保护电路, 使栅极电位逐步下降,IGBT 延时截止。与此同时, 5 脚输出低电平, 使光耦合器S01 导通, 输出过电流保护信号, 对PWM 信号提供一个封锁信号, 封锁与门。

1,IGBT 开关时的 dv/dt 和 di/dt 很高,在主板连接到驱动板的扁平线上套一个扁磁 环,可降低对电子线路的电磁干扰.在每路 IGBT 的三根驱动连接线上也各套一个 圆柱磁环,也可降低电磁干扰.还可以在输入电源线上也套一个圆柱磁环.
2,设计 IGBT 驱动板位置时,应尽量靠近 IGBT,使驱动板至 IGBT 的连接线路尽 量短,这样驱动波形更佳,电路工作更可靠,但还要考虑靠近 IGBT 是否导致驱动 板环境温度过高,如果驱动板环境温度过高,驱动板应该要降额使用.
3,注意输入电源需要有一定的功率裕量,否则在带负载情况下,驱动板上的开关电 源可能不能正常启动.例如以 20KHz 的频率驱动 4 路 300A 的 IGBT,正常工作时, 输入 24V 或 12V 电源的总功率可能只有 12W 左右,但为保证带负载正常起动,输 入电源需要提供 24W 左右的瞬时起动功率,起动持续时间在 1S 以内.所以,一般 应按照最大电源电流值选取供电电源