电子百科

单卡可提供最多8路的话路并行处理能力。
每个模块同时处理两个通道, 每个模块根据你选择的类别实现不同的功能。
外线模块:与市话线接口相连,控制线路的摘挂机。
内线模块:与电话机相连,控制座席的摘挂机,为外线中继卡提供座席功能。
录音模块:与电话线路并连,通过检测线路上的能量变化,记录下来电,话音等通话信息。
实时语音监听端口:具有一路带功放的语音信号输出接口,可以实时监听任 意一个通道, 利用该接口放音时不占用系统通道。
支持 A-Law 、 μ -Law 、 ADPCM、 GSM 6.10 等格式的录音和放音操作, 具备自动增益功能(AGC),支持 WINDOWS WAV文件的直接录放音操作和VOX文件直接录放音操作。
基于DSP算法自适应信号音检测和分析。所有信号音参数驱动自动识别, 应用程序无需设置。
支持DTMF和FSK两种主叫识别功能。驱动自动区分两种模式, 无需设置。
提供标准FSK格式数据接收和发送功能。
采用专业外拨算法自动完成多通道模拟线路呼出拨号全过程, 并能准确识别是人或录音电话或传真机的应答。
采用分布式电话会议技术,所有通道都有独立的会议资源,无需配置额外的电话会议卡即可实现任意多方的交互式电话会议。
支持连续语音处理,语音打断和回声消除功能。全面支持语音识别和 语音合成。统一的编程接口,驱动程序同时支持轮询方式和事件驱动方式编程。
支持的操作系统:WINDOWS 98/2000/NT/ME/XP/2003。
接口方式:两线模拟中继
接口阻抗:600欧姆
频率响应:300Hz~3400Hz
中断向量:可选择2、3、5、6、7、10、11、12中的任一个
片上缓存:32K~256K Byte
数字语音:A-率PCM、ADPCM
数据速率:64KBPS、32KBPS、16KBPS
DTMF码:0~9、*、#、A、B、C、D
交换功能:256通道直接交换
呼叫监测:信号音、语音、极性反转
主叫号码:FSK、DTMF
FAX :FAX Group 3
FSK调制方式:
逻辑 0 :2200Hz±1[%]
逻辑 1 :1200Hz±1[%]
数据传送方式:二进制异步串行方式
一 插入电话语音卡
1.关闭待安装计算机的电源,包括所有外设电源。注意:一定将电脑电源线插头拔掉。
2.拧下计算机盖的螺丝,小心打开计算机上盖。
3.选择空闲的PCI插槽,插入电话语音卡。
4.用螺丝固定好电话语音卡。
二 连接卡间连线
为了使插在同一台计算机中的所有卡的任意两个逻辑通道之间可以进行直接交换,每一块电话卡上都设有ST-BUS/MVIP-BUS/CT-BUS总线的接口。如果您在同一台计算机中插入多块语音卡,则必须连接所有卡的ST-BUS/MVIP-BUS/CT-BUS总线的接口。
卡间连线的接口为J3,在连接卡间连线时,一定注意连线方向正确,即所有卡的连线方向一致。
2.3 连接电话机和/或模拟电话线
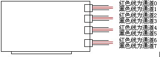
按照实际需要和模块类型,连接必要的模拟电话线和/或电话机,模拟电话线和/或电话机的接口为J4,对于四线语音卡,每个J4的插口为一线,并且每个插口的中间两芯为信号线,外侧两芯空闲;对于八线卡,每个J4插口包含两组电话线路接口,并且每个插口的中间两芯为第一组电话接口,外侧两芯为第二组电话接口(如下图)。

(8线PCI接线)
2.4 连接铃流电源和用户模块供电电源
如果您使用了用户模块,则一定需要给用户模块供电,电源分两种,一种为铃流,另一种为直流24伏。对于电话语音卡,以上两种电源共用一个四芯插座,插座标识为J5,请在断电的情况下正确连接电源线。(另外电话语音卡也可使用电源模块,这样就不用外接电源,电源模块直接对用户模块供电)
2.5 计算机复原
装回计算机盖,并用螺丝固定好,连接计算机电源线。
打开所有电源,如果有铃流电源,也同时打开铃流电源。
至此,所有的硬件安装全部完毕,紧接着可以进入软件安装,关于软件安装。
电话语音卡软件分为驱动程序和应用软件。用户必须先安装驱动程序,然后安装应用软件。下面详细叙述:
1 对于Windows 98驱动程序的安装过程如下:
安装好硬件,打开计算机电源,进入Windows操作系统。
将电话语音卡安装盘(For Windows98/2000)插入软盘驱动器或光盘驱动器中。
当系统提示找到新硬件并出现“此向导搜索下列设备的新驱动程序”,并指明“PCI Bridge ”提示对话框时,单击“下一步”。
在接下来的对话框中,选择“搜索设备的最新驱动程序(推荐)”,并单击“下一步”。
在接下来的对话框中,选择“指定位置”,依据GX08 PCI电话语音卡安装盘所插入的驱动器,在编辑框里键入相应的内容。如GX08 PCI安装盘在A:驱动器,则键入“A:\Drivers”;如果安装盘在光盘驱动器E:驱动器,则键入“E:\Drivers”。再单击“下一步”。
在接下来的对话框中,单击“下一步”。
在接下来的对话框中,单击“完成”。
至此,Windows 98的驱动程序安装完毕。
在开始->设置->控制面版->系统->设备管理器(按类型查看设备),看到GxVoice-> Voice&Fax Card(PCI)表示驱动程序安装成功。
2 对于Windows 2000驱动程序的安装过程如下:
安装好硬件,打开计算机电源,进入Windows操作系统。
将GX08 PCI语音卡安装盘(For Windows98/2000)插入软盘驱动器或光盘驱动器中。
当系统提示找到新硬件,并出现“此向导帮助您为硬件设备安装驱动程序”的对话框时,单击“下一步”。
在接下来的对话框中,选择“搜索适于我的设备的驱动程序(推荐)”,并单击“下一步”。
在接下来的对话框中,选择“指定位置”,并单击“下一步”。
在接下来的对话框中,依据语音卡安装盘所插入的驱动器,在编辑框里键入相应的内容。如GX08 PCI安装盘在A:驱动器,则键入“A:\Drivers”;如果安装盘在光盘驱动器E:驱动器,则键入“E:\Drivers”。再单击“确定”。
在接下来的对话框中,单击“下一步”。
在接下来的对话框中,单击“完成”。
至此,Windows 2000的驱动程序安装完毕。
在开始->设置->控制面版->系统->硬件->设备管理器,看到
GxVoice-> Voice&Fax Card(PCI)表示驱动程序安装成功。
3 对于应用程序的安装过程如下:
在安装完GX08 PCI电话语音卡的Windows 98或 Windows 2000的驱动程序后,启动计算机,并进入系统。
将语音卡安装盘(For Windows98/2000)插入软盘驱动器或光盘驱动器中。
在Windows的菜单“开始”--“运行”下,键入“驱动器名称:\Install\Setup”,并回车,进入安装向导,您可以跟着安装向导,进行安装。
根据安装向导提示,键入语音卡应用程序的安装路径。缺省为:“C:\ CTI"。
根据安装向导提示,键入语音卡WINDOWS/Program的菜单名称,缺省为“语音卡”。电话语音卡的应用程序安装完毕。安装后语音卡程序组如下图所示:

语音处理卡采用PCI接口,支持Plag And Play,没有硬件跳线设置,所有的资源分配由WINDOWS操作系统自动完成,无需人工干预。
4 测试GX08 PCI语音卡
当完成上述三节的过程后,您可以使用GX08 PCI电话语音卡的应用程序来测试语音卡,提供的应用程序有演示程序、信号音分析程序、语音编辑程序等。
电话语音卡的演示程序即提供了测试语音卡的大部分功能,如按键测试、录音、放音、信号音产生等,也提供了一些编写基于语音卡的应用程序的范例(VB、Delphi、Vc++等),仅供用户参考。