电子百科

(1) 在大容量(或多载波)数字通信系统,设计HPA电路尤其是末级电路,常发生大功率输出与线性要求之间矛盾。经常采用三种解决办法
采用平衡放大电路,其合成输出功率较单管增加一倍且保持单管线性。
采用预失真补偿电路,设计一个预失真网络使它产生的三阶互调与HPA三阶互调在输出合路器中相互抵消
在HPA前级设置自动电平控制(ALC)电路,通过末级输出耦合检波直流,控制PIN衰耗,保持输出功率恒定。防止因前级输入电平过高因饱和失真。
(2)HPA采用的大功率器件都呈现极低的输入、输出阻抗,其阻抗实部绝对值很小,都在1~3奥姆左右,而容抗和引线电感很大。对这样的大功率器件进行输入、输出和级间匹配非常困难。因单片微波集成电路(MMIC)技术的发展,许多厂家已制造出输入输出内匹配的大功率器件,大大地缓解设计难度
(3)HPA输出级必须要考虑空载保护。若与输出负载间发生严重失配(如,连接天线馈线开路或短路)末级与输出负载电路之间将产生大驻波电压,驻波峰值电压一旦落在器件漏极,它与供电电压迭加将使器件击穿。
在微波频段常采取二种保护方法,在4GHz以上频段借助于输出隔离器中的反向吸收负载R吸收反射波。
根据所用器件,高功率放大器大致可分成三种类型:
* 硅双极晶体管(Si Bipolar Transistor)功率放大器。在大功率放大时,单管增益及效率低,带宽窄,线性及反向隔离差,它通常用于3GHz以下频段,其优点是便宜和不需负偏压。但目前已逐渐被场效应晶体管功放所代替。
* 砷化镓场效应晶体管(GaAs Field-Effect Transistor)功率放大器。它包括由砷化镓场效应晶体管管芯制成的内匹配单片微波集成电路(MMIC)。这类器件工作频率及效率高,线性及反向隔离性能都优于硅双极晶体管,目前商用化器件最高工作频率可达40GHz,实验室可达80GHz。尤其内匹配MMIC集成功放块带宽宽、稳定得到普遍应用。需要负偏置及偏置保护电路是缺点。
*砷化镓异结质双极晶体管(GaAs Heterojunction Bipolar Transistor)功率放大器。这种器件特别适宜功放应用,它有砷化镓场效应晶体管一样好的性能(特别在线性和高耐压性能上更好些),同时它又克服了需要负偏置及偏置保护电路的缺点。
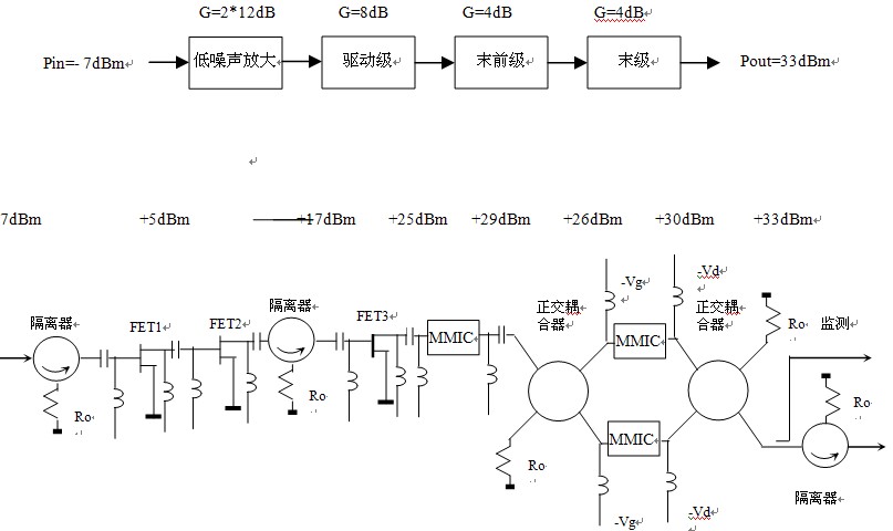
高功放只是发信设备的一个组成部分,它的构成和功能完全取决于整个设备性能的要求。不同用途的发信设备其具体电路构成和实现的功能会有差别。例如下面给出的7GHz微波发射机功放电路其输入为恒定电平,该电路不带ALC功能。
功能框图及主要电路组成如图所示。

该电路由五级放大组成,前四级为单管串联放大,末级为平衡功率放大。按各级功能和所处位置也可称作低噪声放大级、驱动级、末前级、末级。整个放大器采用二种封装工艺砷化镓场效应器件,前三级放大用分立组件场效应晶体管,后二级用单片微波集成电路MMIC,并采用带保护电路的双极性偏置电压(具体电路省略)。该电路总增益40dB,线性输出2瓦(33dBm)。
低噪声放大级- 变频式发射机输出噪声主要成分是调相噪声,其主要来源是发射振荡器产生的相位噪声。所以在发射机指标中都要规定振荡器相噪,而对这类发射机中的HPA热噪声要求不高,通常HPA噪声系数在6~ 8dB时都可满足要求。在直放式发射机中,尽管输出噪声主要成分是热噪声,因直放机收信输入端都有精心设计的高增益低噪声放大器(LNA),它有足够高的增益和极小噪声系数,从而减轻了对HPA低噪声要求。
相对于接收机低噪声放大级而言,在HPA中提出低噪声放大概念似乎不恰当,但它毕竟是多级级联放大器输入级,是HPA本身热噪声的主要来源,相对HPA其它级而言,对HPA前级要提出低噪声高增益要求。
驱动级- 采用平衡式末级输出方案时,末前级输出功率与末级单管输出功率几乎相近,它为末前级提供足够地输入激励功率。驱动级通常采用中功率输出器件。
末前级- 末前级功放主要作用是补偿末级输入正交耦合器分路损耗(3dB),并为二只并联末级功放管提供输入功率。
末级- 采用二只相同特性的MMIC功率放大块和二只相同特性的正交耦合器组成平衡功率放大器。为取得良好性能,上、下二支路应当在工作频段保持幅度、相位特性相同。这样结构的输出功放有二个特点,
* 较单管线性最大输出功率提高3dB。
* 利用输入端正交耦合器相位正交特性,使上、下二支路放大管入端反射波在正交耦合器入口抵消,有效地改善了末级与末前级之间匹配。
隔离器- 该器件输入、输出阻抗在很宽带带内等于特性阻抗,并且正向传输损耗很小(通常0.5dB以下)而反向传输损耗很大(通常25dB以上),即有单向传输特性。它常用在多级高增益放大器的输入、输出、级间电路吸收反射波改善匹配,使带内正向传输特性(如幅频特性、时延特性)更平坦,同时它又在很宽带带内产生反向损耗,减小后级对前级耦合,从而有效防止带内、带外自激。
末级耦合输出-用于输出功率监测。