0
问答首页 最新问题 热门问题 等待回答标签广场
我要提问

电源电路电源

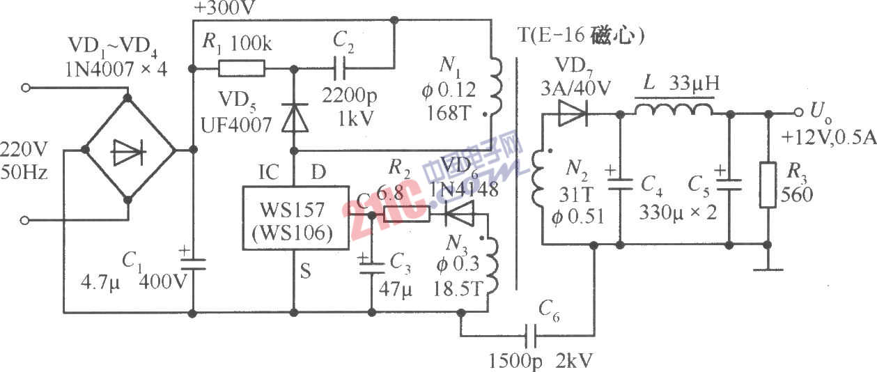
WS157构成的+12V、0.5A单片开关稳压电源电路

WS157构成的+12V、0.5A单片开关稳压电源电路
提问者:CapXon 地点:- 浏览次数:8082 提问时间:06-08 23:39
我有更好的答案
提 交
1条回答
胡政鹏测试_16 06-16 11:17

由WSl57构成的+12V、0.5A单片开关稳压电源电路如图所示。其输出功率为6W。当输入交流电压在110~260V范围内变化时,电压调整率Sv≤1%。当负载电流大幅度变化时,负载调整率SI=5%~7%。

 

 

 

撰写答案
提 交
1 / 3
1 / 3
相关电源电路
无噪声的的功放电源电路
LG CF-25H84彩电开关电源电路
LG MC-8AA机心彩电开关电源电路
LG MC-022A机心彩电开关电源电路
LG MC-019A机心彩电开关电源电路
相关电源
TDA16846组成的彩电开关电源原理图
联想LX-PL4C2型彩色显示器开关电源电路
长虹CN-9机心彩电开关电源电路
索尼KV2184彩电开关电源电路
王牌TCL-3460D彩电开关电源电路