0
问答首页 最新问题 热门问题 等待回答标签广场
我要提问

电源电路电源

用WS157或WS106制成的小功率微型开关稳压电源

用WS157或WS106制成的小功率微型开关稳压电源
提问者:HSHToby 地点:- 浏览次数:7247 提问时间:02-24 09:59
我有更好的答案
提 交
1条回答
想再看钻石冰尘 03-04 07:19

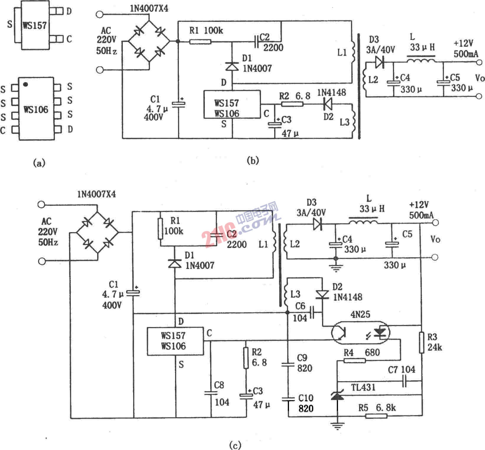
如图所示为用WS157或WS106小功率微型开关稳压电源。WS157或WS106是近年来新近开发的一种稳压式开关电源控制器件,内部将控制电路和功率开关管集成到同一个芯片上,具有PWM控制、过流过热等多种检测保护功能,外部仅需接合适的开关变压器和少量元件就能正常工作。用它制成的稳压电源特点是直接将交流市电(220V)转换成低压直流,且体积小巧,制作简单。WS157的功率为18W,WS106功率为12W。

 

 

撰写答案
提 交
1 / 3
1 / 3
相关电源电路
无噪声的的功放电源电路
LG CF-25H84彩电开关电源电路
LG MC-8AA机心彩电开关电源电路
LG MC-022A机心彩电开关电源电路
LG MC-019A机心彩电开关电源电路
相关电源
TDA16846组成的彩电开关电源原理图
联想LX-PL4C2型彩色显示器开关电源电路
长虹CN-9机心彩电开关电源电路
索尼KV2184彩电开关电源电路
王牌TCL-3460D彩电开关电源电路