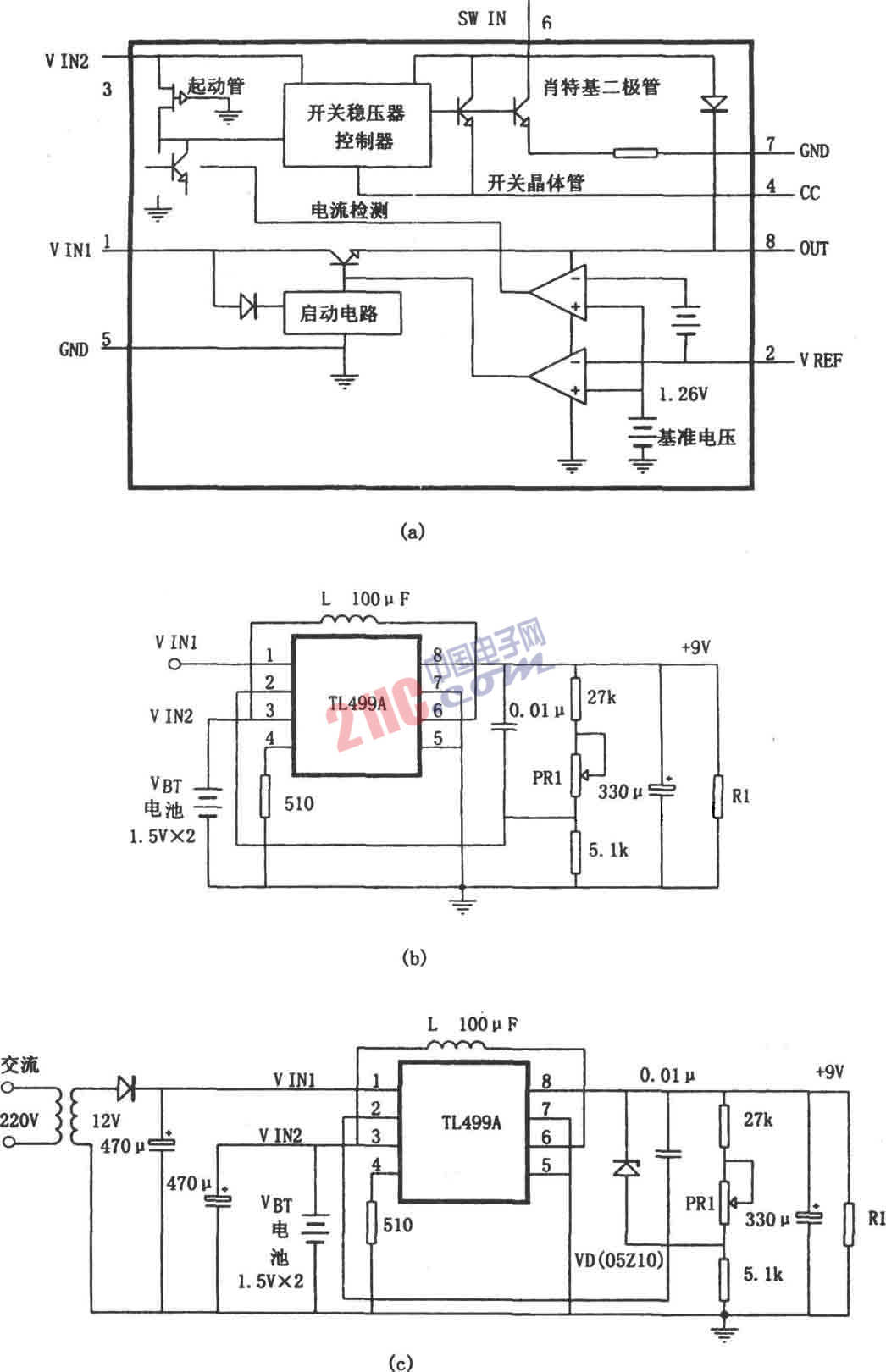
TL499A是一种可调式开关型稳压器,其输出电压在2.9~30V之间可调。TL499A不仅可用作开关稳压器,也可用作线性稳压器。图(a)为TL499A的内部结构框图。
图(b)所示为采用TL499A构成的升压稳压电源,输入端VlN2(3脚)外接两节l.5V电池。输出端OUT(8脚)的输出电压VOUT=1.26V×[1+(Rl+PRl)/R2],其中1.26V为TL499A内部的基准电压。为获得较高的变换效率,要选用Q值高,内阻小,高频特性好的线圈L。输入电压低于1.2V,电路也能工作,但输入变低时空载电流就会增加。若输入电压超过10V,输出电压就会超过稳定区而上升,因此,输入VIN2端不能加10V以上电压。
图(c)所示为采用TL499A构成的电池后备电源电路。若输入端VIN1(1脚)加直流电压,就可获得9V输出电压。它工作于线性稳压器状态,噪声非常小,但前提是输入电压VIN1应比输出电压VOUT高出1V。在图(b)所示电路中,TL499A 1脚的输入电压VIN1可由交流220V通过变压整流来提供,作为本电源电路的主要供电电压。若VIN1为10V以上,就工作于线性稳压器状态;若输入电压VIN1低于l0V,就工作于开关稳压器状态,此时由电池通过TL499A③脚供电,经升压变换后输出。停电时电池作为后备电源,这样可方便构成不间断电源。线性稳压器与开关稳压器之间的转换在TL499A的内部自动进行,虽然输出电压有些变动,但只有2%左右,一般用途不受影响。输入电压VIN1最高为32V。
