电子百科

光电耦合器的输入端是发光二极管,因此,它的输入特性可用发光二极管的伏安特性来表示,如图1b所示;输出端是光敏三极管,因此光敏三极管的伏安特性就是它的输出特性,如图1c所示。由图可见,光电耦合器存在着非线性工作区域,直接用来传输模拟量时精度较差。

图1 光电耦合器结构及输入、输出特性
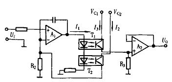
解决方法之一,利用2个具有相同非线性传输特性的光电耦合器,T1和T2,以及2个射极跟随器A1和A2组成,如图2所示。如果T1和T2是同型号同批次的光电耦合器,可以认为他们的非线性传输特性是完全一致的,即K1(I1)=K2(I1),则放大器的电压增益G=Uo/U1=I3R3/I2R2=(R3/R2)[K1(I1)/K2(I1)]=R3/R2。由此可见,利用T1和T2电流传输特性的对称性,利用反馈原理,可以很好的补偿他们原来的非线性。

图2 光电耦合线性电路
另一种模拟量传输的解决方法,就是采用VFC(电压频率转换)方式,如图3所示。现场变送器输出模拟量信号(假设电压信号),电压频率转换器将变送器送来的电压信号转换成脉冲序列,通过光耦隔离后送出。在主机侧,通过一个频率电压转换电路将脉冲序列还原成模拟信号。此时,相当于光耦隔离的是数字量,可以消除光耦非线性的影响。这是一种有效、简单易行的模拟量传输方式。

图3 VFC方式传送信号
当然,也可以选择线性光耦进行设计,如精密线性光耦TIL300,高速线性光耦6N135/6N136。线性光耦一般价格比普通光耦高,但是使用方便,设计简单;随着器件价格的下降,使用线性光耦将是趋势。
当采用光耦隔离数字信号进行控制系统设计时,光电耦合器的传输特性,即传输速度,往往成为系统最大数据传输速率的决定因素。在许多总线式结构的工业测控系统中,为了防止各模块之间的相互干扰,同时不降低通讯波特率,我们不得不采用高速光耦来实现模块之间的相互隔离。常用的高速光耦有6N135/6N136,6N137/6N138。但是,高速光耦价格比较高,导致设计成本提高。这里介绍两种方法来提高普通光耦的开关速度。
由于光耦自身存在的分布电容,对传输速度造成影响,光敏三极管内部存在着分布电容Cbe和Cce,如图1所示。由于光耦的电流传输比较低,其集电极负载电阻不能太小,否则输出电压的摆幅就受到了限制。但是,负载电阻又不宜过大,负载电阻RL越大,由于分布电容的存在,光电耦合器的频率特性就越差,传输延时也越长。

图1 光敏三极管内部分布电容
用2只光电耦合器T1,T2接成互补推挽式电路,可以提高光耦的开关速度,如图2所示。当脉冲上升为“1”电平时,T1截止,T2导通。相反,当脉冲为“0”电平时,T1导通,T2截止。这种互补推挽式电路的频率特性大大优于单个光电耦合器的频率特性。

图2 2只光电耦合器构成的推挽式电路
此外,在光敏三极管的光敏基极上增加正反馈电路,这样可以大大提高光电耦合器的开关速度。如图3所示电路,通过增加一个晶体管,四个电阻和一个电容,实验证明,这个电路可以将光耦的最大数据传输速率提高10倍左右。

图3 通过增加光敏基极正反馈来提高光耦的开关速度
在设计光耦光电隔离电路时必须正确选择光耦合器的型号及参数,选取原则如下:
(1)由于光电耦合器为信号单向传输器件,而电路中数据的传输是双向的,电路板的尺寸要求一定,结合电路设计的实际要求,就要选择单芯片集成多路光耦的器件;
(2)光耦合器的电流传输比(CTR)的允许范围是不小于500%。因为当CTR5.0 mA),才能保证信号在长线传输中不发生错误,这会增大光耦的功耗;
(3)光电耦合器的传输速度也是选取光耦必须遵循的原则之一,光耦开关速度过慢,无法对输入电平做出正确反应,会影响电路的正常工作。
(4)推荐采用线性光耦。其特点是CTR值能够在一定范围内做线性调整。设计中由于电路输入输出均是一种高低电平信号,故此,电路工作在非线性状态。而在线性应用中,因为信号不失真的传输,所以,应根据动态工作的要求,设置合适的静态工作点,使电路工作在线性状态。
通常情况下,单芯片集成多路光耦的器件速度都比较慢,而速度快的器件大多都是单路的,大量的隔离器件需要占用很大布板面积,也使得设计的成本大大增加。在设计中,受电路板尺寸、传输速度、设计成本等因素限制,无法选用速度上非常占优势的单路光耦器件,在此选用TOSHIBA公司的TLP521-4。
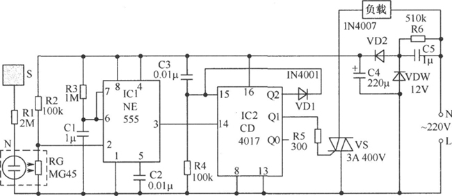
大多数触摸控制电路都是利用人体上的感应信号使电路发生“动作”的。如果用手指捏住示波器的输入端子,观察示波器上的波形,就会发现,人体上的感应信号,实际上就是50Hz的工频信号。采用这种控制电路很容易受外部干扰而产生误动作。如图所示为光电耦合器组成的触摸开关电路,它可以有效避免因干扰而产生的误动作。
工作原理:电容C5、稳压管VDW、二极管VD2、电容C4和电阻R6等组成的电路为控制部分提供约12V的直流工作电压。当手触摸金属片S时,氖管N被点燃发光,由于N和光敏电阻RG组成光电耦合器,故这时RG的阻值变得很小,使集成电路NE555的2脚上的电位下降到低于电源电压的1/3,由于NE555被接成了单稳态触发器,所以NE555的3脚给出一个正脉冲,加到了集成电路CD4017的计数触发端14脚,使CD4017计数一次。另外,该电路在接通电源时,由于电容C3和电阻R4的微分作用,给CD4017的复位清零端加上一个正的触发脉冲,使CD4017处于被清零的状态,即它的10个输出端中,除了Q0为高电平外,其余的9个输出端(Q1~Q9)都是低电平,所以经过这一次计数之后,Q1变成高电平,通过电阻R5给双向晶闸管VS的控制端注入触发电流,使VS进入导通状态,于是负载得电开始工作。被接成了单稳态触发器的NE555,在其3脚输出一个正脉冲之后,由于C1通过NE555的7脚放电,使其6脚上的电位又恢复到了零电位,另外,触摸S的手指离开S之后,NE555的2脚上的电位重新恢复到电源电压的1/3以上,这就为下一次触摸作好了准备。在负载处于工作状态时,如果再触摸金属片S一下,NE555也同样会给CD4017送去一个计数触发脉冲,使CD4017进行一次计数,这次计数将使Q1变成零电位,从而使VS截止,负载失电而停止工作,与此同时,Q2端变成高电位,这个高电位,又经过二极管VD1加到了CD4017的15脚上,使CD4017复位清零,从而为下一次触摸开机(接通负载)做好了准备。以NE555为核心构成的单稳态触发器的作用是避免触摸抖动造成CD4017的重复计数,即保证S被触摸一次,CD4017只计数一次,从而保证了操作结果不致出现错误。
元器件选择:IC1选择NE555时基电路;IC2选择CD4017。氖管N选择普通氖管,光敏电阻RG选择MG45型号。其他元器件选择如图所示。
