电子百科

由于数字电位器可代替机械式电位器,所以二者在原理上有相似之处。数字电位器属于集成化的三端可变电阻器件其等效电路,如图1所示。当数字电位器用作分压器时,其高端、低端、滑动端分别用VH、VL、VW表示;而用作可调电阻器时,分别用RH、RL和RW表示。

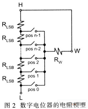
图2所示为数字电位器的内部简化电路,将n个阻值相同的电阻串联,每只电阻的两端经过一个由MOS管构成的模拟开关相连,作为数字电位器的抽头。这种模拟开关等效于单刀单掷开关,且在数字信号的控制下每次只能有一个模拟开关闭合,从而将串联电阻的每一个节点连接到滑动端。

数字电位器的数字控制部分包括加减计数器、译码电路、保存与恢复控制电路和不挥发存储器等4个数字电路模块。利用串入、并出的加/减计数器在输入脉冲和控制信号的控制下可实现加/减计数,计数器把累计的数据直接提供给译码电路控制开关阵列,同时也将数据传送给内部存储器保存。当外部计数脉冲信号停止或片选信号无效后,译码电路的输出端只有一个有效,于是只选择一个MOS管导通。
数字控制部分的存储器是一种掉电不挥发存储器,当电路掉电后再次上电时,数字电位器中仍保存着原有的控制数据,其中间抽头到两端点之间的电阻值仍是上一次的调整结果。因此,数字电位器与机械式电位器的使用效果基本相同。但是由于开关的工作采用“先连接后断开”的方式,所以在输入计数有效期间,数字电位器的电阻值与期望值可能会有一定的差别,只有在调整结束后才能达到期望值。
从图2可以看出,数字电位器与机械式电位器有2个重要区别:1)调整过程中,数字电位器的电阻值不是连续变化的,而是在调整结束后才具有所希望的输出。这是因为数字电位器采用MOS管作为开关电路,并且采用“先开后关”的控制方法:2)数字电位器无法实现电阻的连续调整,而只能按数字电位器中电阻网络上的最小电阻值进行调整。
1 引言
利用数字输入控制微调模拟输出有两种选择:数字电位器和数/模转换器(DAC),两者均采用数字输入控制模拟输出。通过数字电位器可以调整模拟电压;通过DAC既可以调整电流,也可以调整电压。电位器有三个模拟连接端:高端、抽头端(或模拟输出)和低端(见图1a)。DAC具有队应的三个端点:高端对应于正基准电压,抽头端对应于DAC输出,低端则可能对应于接地端或负基准电压端(见图1b)。

DAC和数字电位器存在一些明显区别,最明显的差异是DAC通常包括一个输出放大器/缓冲器,而数字电位器却没有。大部分数字电位器需要借助外部缓冲器驱动低阻负载。有些应用中,用户可以轻易地在DAC和数字电位器之间做出选择;而有些应用中两者都能满足需求。本文对DAC和数字电位器进行了比较,便于用户做出最恰当的选择。
2 数/模转换器
DAC通常采用电阻串结构或R-2R阶梯架构,使用电阻串时,DAC输入控制着一组开关,这些开关通过匹配的一系列电阻对基准电压分压。对于R-2R阶梯架构,通过切换每个电阻对正基准电压进行分压,从而产生受控电流。该电流送入输出放大器,电压输出DAC将此电流转换成电压输出,电流输出DAC则将R-2R阶梯电流通过放大器缓冲后输出。如果选择DAC,还要考虑具体指标,如串口/并口、分辨率、输入通道数、电流/电压输出、成本等。对于注重速度的系统,可以选用并行接口;如果注重成本和尺寸,则可选用3线或2线串口,这种器件引脚数较少,可显着降低成本,而且,有些3线接口能达到26 MHz的通信速率,2线接口能够达到3.4 MHz的速率。DAC的另一个指标是分辨率,16位或18位DAC可以提供微伏级控制。例如,一个18位、2.5V基准的DAC,每个LSB对应于9.54μV,高分辨率对于工业控制(如机器人、发动机)产品极为重要。目前,数字电位器能够提供的最高分辨率是10位或1 024抽头。数/模转换器的另一个优势是能够在单芯片内集成多路转换器,例如,MAX5733内置32路DAC,每路都能提供16位的分辨率。当前的数字电位器最多只能提供6个通道,如DS3930。
DAC能够源出或吸入电流,为设计者提供更大的灵活性。例如,MAX5550 10位DAC通过内部放大器、P沟道MOSFET和上拉电阻能够提供高达30mA的输出驱动。而MAX5547 10位DAC结合放大器、N沟道MOSFET和下拉电阻可以提供3.6 mA的吸电流。除电流输出外,一些DAC还可以与外部放大器连接提供额外的输出控制。因为数/模转换器通常内置放大器,成本要高于数字电位器。但随着新型DAC尺寸的缩小,成本差异也越来越小。
3 数字电位器
前面已谈到数字电位器可以通过数字输入控制电阻。图1a中的3端数字电位器实际上是一个固定端到端电阻的可调电阻分压器。通过将电位器中心抽头与高端或低端相连,或使高端或低端浮空,数字电位器能配置成2端可变电阻。与数/模转换器不同,数字电位器能将H端接最高电压或最低电压端。选用数字电位器时,用户也需考虑具体的指标:线性或对数调节、抽头数、抽头级数、非易失存储器、成本等。控制接口有递增/递减、按钮、SPI和I2C。
与数/模转换器一样,数字电位器通过串口通信,包括I2C和SPI。此外,数字电位器还提供了2线的递增、递减接口控制。通常,DAC与数字电位器的显着区别在于数/模转换器内部带有输出放大器。通过该输出放大器可以驱动低阻负载。
4 DAC/电位器的选择
很多应用场合,用户可以轻易地在DAC和电位器之间做出选择。要求高分辨率的电机控制、传感器或机器人系统,需要选用DAC。另外,高速应用中,例如基站、仪表等对速度、分辨率要求较高,甚至需要并行接口的DAC。电位器的线性特性便于实现放大器反馈网络。相对于数/模转换器,对数电位器更适合音量调节。
但在当前的许多应用中,DAC与数字电位器之间选择的界限比较模糊,图2中的DAC和数字电位器都可用于控制MAXl553 LED驱动器。MAXll53亮度(BRT)输入的直流电压和检流电阻决定了LED的电流。

概述
数字电位器,或digipot,方便了模拟电路的电阻、电压以及电流的数字控制和调整。数字电位器通常用于电源校准、音量控制、亮度控制、增益调节以及光模块的偏置/调制电流调节。数字电位器除基本功能外,还提供许多其它功能,以增强系统性能,简化设计。这些功能包括:不同类型的非易失存储器、过零检测、去抖动按键接口、温度补偿和写保护。这些功能针对不同的应用而设计。
基本的数字电位器设计
电位器实际上是一个三端元件(见图1a)。低端VL在内部连接至器件地或作为引脚输出,便于设计。三端数字电位器的结构实质上是一个具有固定端到端电阻的可调节分压电阻。
可变电阻是双端电位器,抽头和一个电阻串端点的阻值可变(参考图1b)。调节可变电阻数字电位器的抽头位置,可以改变数字电位器的端到端电阻。

图1. (a) 三端数字电位器的结构实质上是一个具有固定端到端电阻的可调节分压电阻。(b) 可变电阻为双端数字电位器,抽头内部连接到电位器的一端。
简单地说,数字电位器是由数字输入控制的模拟输出,类似于数/模转换器(DAC)的定义。与DAC不同的是,DAC提供经过缓冲的输出,而绝大多数数字电位器在没有外部缓冲器的情况下不能驱动低阻负载。
对于数字电位器,最大抽头电流范围为几百微安到毫安级。当数字电位器的抽头连接到低阻负载时,无论是可变电阻还是真正的数字电位器,一定要确保在最糟糕的工作条件下抽头电流处于可接受的IWIPER范围。可变电阻的最差负载发生在VW接近VH时。在这个点上,电路中除抽头电阻以外可能没有其它电阻限制电流。但是,有些应用中可能要求很大的抽头电流,这种情况下,需要重点考虑电位器抽头的压降,这个压降限制了数字电位器的输出动态范围。
根据应用需求改进设计
数字电位器的应用范围很广,一些设计中可能需要外加器件,以满足对数字电位器的“精密调节”要求。例如,数字电位器的端到端电阻范围为10kΩ和200kΩ,而控制LED亮度时常常需要小电阻。解决这个问题的方案是DS3906,该芯片与105Ω的固定电阻并联使用,可提供70Ω至102Ω的等效电阻。这种配置下可以获得0.5Ω的步进调节,精确调节LED亮度。另一个解决方案是多通道数字电位器,如MAX5477或MAX5487,可以多个通道相互组合得到不同的调节电阻步长,达到数字电位器的分辨率要求。
有些情况可能需要更特殊的数字电位器功能,对于需要温度补偿的电压或电流调节,如光模块的光驱动器偏置,可以选择基于查找表的可变电阻。一些数字电位器集成了EEPROM (用于存储温度变化时的校准数据)和内部温度传感器(用于测量环境温度)。数字电位器按照测量温度在查找表中检索到对应的数值,调整可变电阻。基于温度查找表的数字电位器通常用来修正电路元件的非线性温度响应,如激光二极管或光电二极管;也可以根据应用需要,有意建立一个非线性电阻的温度响应。
非易失存储器是数字电位器中引入的比较常见的低成本功能电路,标准的基于EEPROM的非易失(NV)数字电位器在上电复位(POR)期间进入一个已知状态。EEPROM能够确保50,000次的重复写次数,相对于机械电位器,大大提高了系统的可靠性。一次性编程(OTP)数字电位器,如MAX5427/MAX5428/MAX5429,采用熔丝设置,永久保存默认的抽头位置。与基于EEPROM的数字电位器一样,POR后OTP数字电位器初始化到已知状态。然而,OTP数字电位器的POR状态一旦编程后不能重写。所以,OTP很适合工厂编程或产品校准。熔丝永久性地设置OTP数字电位器的POR抽头位置,无需锁定抽头位置。有些OTP数字电位器的抽头在熔丝编程后可以调节;有些OTP数字电位器的抽头位置则被永久性地设置,得到一个精确的、经过校准的电阻分压器。一些数字电位器提供锁定寄存器,或数字控制输入,使数字电位器接口呈高阻态,避免不恰当的抽头调整。EEPROM数字电位器的写保护功能还降低了功耗。
数字电位器可以在电源或其它需要工厂校准的系统中完成电压和电流校准。与机械电位器或分离电阻等费时且不精确的手动校准相比,数字电位器有助于提高制造商的生产能力,改善校准精度和重复性指标。另外,数控电位器便于远程调试和重新校准。需要校准多个电压和/或电流时,使用DS3904/DS3905等三路NV数字电位器非常理想(图2)。这种情况下,一个小体积数字电位器可以代替三个机械电位器。用数字电位器替代机械电位器还有助于提高电路布局的灵活性,因为数字电位器不需要在安装或维护期间进行机械调整。校准是OTP或EEPROM写保护功能的典型应用,其中EEPROM写保护更有利于设计。

图2. DS3904/DS3905三路非易失数字电位器,可理想用于需要校准多路电压/电流的系统。这款小尺寸IC可以替代3个机械电位器。
虽然不是数字电位器,DS4303等具有简单的单线数字控制接口的采样/保持电压基准也能用于产品校准(图3)。紧凑的设计非常符合校准的需求,电压基准输出在被控制信号锁定之前取决于输入电压,输出锁定后,除非重新编程或掉电,否则输出将不再发生变化,与输入电压无关。最新产品把锁定后的输出电压存储在EEPROM中,电源上电后可重新恢复。

图3. 非易失采样/保持电压基准DS4303,虽然不是数字电位器,但可理想用于产品校准。校准时,在被控制信号(ADJ)锁定之前,DS4303输出(VOUT)取决于输入电压(VIN)。
改进后的按键接口是传统接口(如SPI?、I?C、增/减和旋转控制)的补充。带有缓冲输出的数字电位器MAX5486使用了这种接口。这种经过去抖的按键接口基于按键按下的时间,用变化的速度控制抽头动作。按键接口不需要微控制器,降低了系统设计的复杂度。去抖动按键接口对于音量控制尤其重要。
针对音频应用设计的数字电位器通常提供过零检测电路,过零检测可以抑制抽头从一个位置跳变到另一个位置时的可闻噪声。该功能使能后,过零检测电路将抽头动作推迟到VL接近VH时。很多过零检测电路还提供最大抽头变化的延迟,方便直流调节及其它特定电路。
结论
简单的易失性数字电位器在系统设计中仍然实用,而针对特殊应用设计的数字电位器和可变电阻提供了更多的功能。目前,很多设计者希望替换机械电位器,提高系统的可靠性和在整个工作温度范围内的性能,省去系统微处理器,或抑制咔嗒/噼噗声。对于这些需求,数字电位器充分展现它的优势,数字电位器的应用越来越普遍。
数字电位器是一种应用普遍的器件,以下介绍如何使用数字电位器构建一个可调带宽的低通滤波器。
2 一种简单的低通滤波器
由DS3903构成的音频低通滤波器如图1所示。该电路采用单电源供电,电源电压范围为2.7~5.5 V。包含一级前置衰减,5.0 V供电时可处理5.0 VP-P(1.77VRMS)输入。为了产生一个双极点(极点在同一频点)低通滤波器(每10倍频程衰减12 dB),电容C3必须是C2的2倍以上,可变电阻POTO和POTl设置相同值,则截止频率(fC)计算如下:

其中,RPOT是可变电阻POT0和POT2设置对应的电阻值。

该电路的输入部分(Cl、U1一POTl、U2A、Rl和R2)是音量控制电路,还可将音频信号的直流偏置到VCC/2,使信号在未嵌位的条件下通过数字电位器和运放器,在任何供电电源下,电路都能够处理最大信号摆幅。因此,该设计在2.7 V至5.0 V下工作性能良好。输出直流电平保持在VCC/2,除非在正常输出以外工作,电平将偏移到不同工作点。
对于已限定工作范围的应用,可以去掉输入级电路,采用直接耦合的方式连接到滤波器。去掉输入电路后,输出信号只是经截止频率为fC的双极点滤波器滤波后的信号,而输入信号的直流分量则直接旁路到输出端。
通过更改电容或选择不同端到端电阻的数字电位器,该电路的截止频率可设置为500 kHz。

用于计算RPOT的数字电阻模型如图2所示,对于指定位置,相应的开关将闭合而其他位置的开关则开路。电位器每递增一个单元位置,电阻将相应增加LSB(对DS3903,10 kΩ/128=78Ω),最高抽头位置除外,最高抽头位置为电位器电阻的并联组合,则引起非线性。通过下式计算RPOT:

其中:RLSB是端到端电阻除以抽头数;RW是滑动端、电阻;n是电位器的编程位置;a是数字电位器的总抽头数。
图3所示给出了DS3903 10 kΩ电位器的RPOT电阻值与抽头位置之间的关系图,假定端到端电阻为10 kΩ,滑动端电阻最小值是500Ω。这两个参数都会对滤波特性产生显着影响,但主要影响的是截止频率的最小值和最大值,实际截止频率可以在其最小值和最大值之间调节,选择适当的电容值即可将截止频率设置在可调范围内所要求的频点。

3 数字电位器设计考虑
滤波电路选择数字电位器时需要考虑以下几个因素。
使用数字电位器的最大限制是电位器端点的电压,通常该电压必须保持在VCC和GND之间,以避免ESD结构内部的二极管将音频信号嵌位。当VCC在规定的范围(2.7~5.5 V)内时,DS3903的ESD结构允许输入信号处于6 V与GND之间,这一特性对于要求输入信号大于VCC的应用非常灵活。但是,在图l所示电路中并未处理6.0 VP-P信号,因为运放电源低于6 V时将会嵌位信号。如果运算放大器能够采用更高的电压供电,即可使用DS3903的大信号处理功能。
电位器抽头的变化形式(线性或对数)决定了电路截止频率的线性调节或对数调节形式。对于图l所示音频范围的滤波电路,为保证在40~800 Hz之间提供尽可能多的截止频率设置,采用线性电位器比较合适。
电位器的分辨率(如128或256抽头)决定了截止频率的调节精度,抽头数越多,截止频率的调节精度也越高。对于音频应用,不太可能使用64或128抽头以上的电位器来设置低通滤波器的截止频率。对于宽带应用则要求更多的电位器抽头。
一些数字电位器采用非易失存储,能够在没有电源供电时保持抽头位置。这种特性可用于保存校准后的滤波器位置,而在上电时不再调整滤波器设置。易失电位器总是从一个预置位置启动,电路在被修改之前将一直保持默认位置。
数字电位器的端到端电阻和滑动电阻具有较宽的公差,图l所示电路中的两个电阻(POTO和POT2)则保持相等,因为这两个电阻制作在同一硅片上。电位器的实际阻值差别较大,通常端到端电阻的变化范围是±20%,但它们的相对值基本保持稳定。
另外,数字电位器内部也具有一定的寄生电容,这会限制最大截止频率。截止频率大于500 kHz时,不推荐使用10 kΩ的数字电位器,也不建议将50 kΩ数字电位器用于100 kHz以上的设计或将100 kΩ的数字电位器用于50 kHz以上的设计。对于音频应用,所选择的电位器能够提供足够的带宽,但对于宽带应用,必须慎重考虑这一因素。
4 运算放大器的选择
该电路对于运算放大器的主要设计考虑是最小稳定增益和输入、输出电压摆幅。输入级接收信号并将其偏置在VCC/2直流电平,滤波器本身是单位增益放大器。为保证可靠工作.放大器必须是单位增益稳定。另外,还需选择具有满摆幅输入、输出的运算放大器,以处理接近电路供电电压的输入信号。
5 结语
数字电位器可用于构建数控低通滤波器.本文中的双极点滤波器能够在音频应用中提供良好性能,选择不同的电容、电位器值可以调整滤波器的截止频率,最高可达500 kHz。