0
问答首页 最新问题 热门问题 等待回答标签广场
我要提问

电源电路电源

适用于驱动微处理机的稳压电源(LT1587、LT1431S)

适用于驱动微处理机的稳压电源(LT1587、LT1431S)
提问者:Green_LJ 地点:- 浏览次数:8347 提问时间:01-16 19:10
我有更好的答案
提 交
1条回答
xufang20160719 01-23 14:11

 

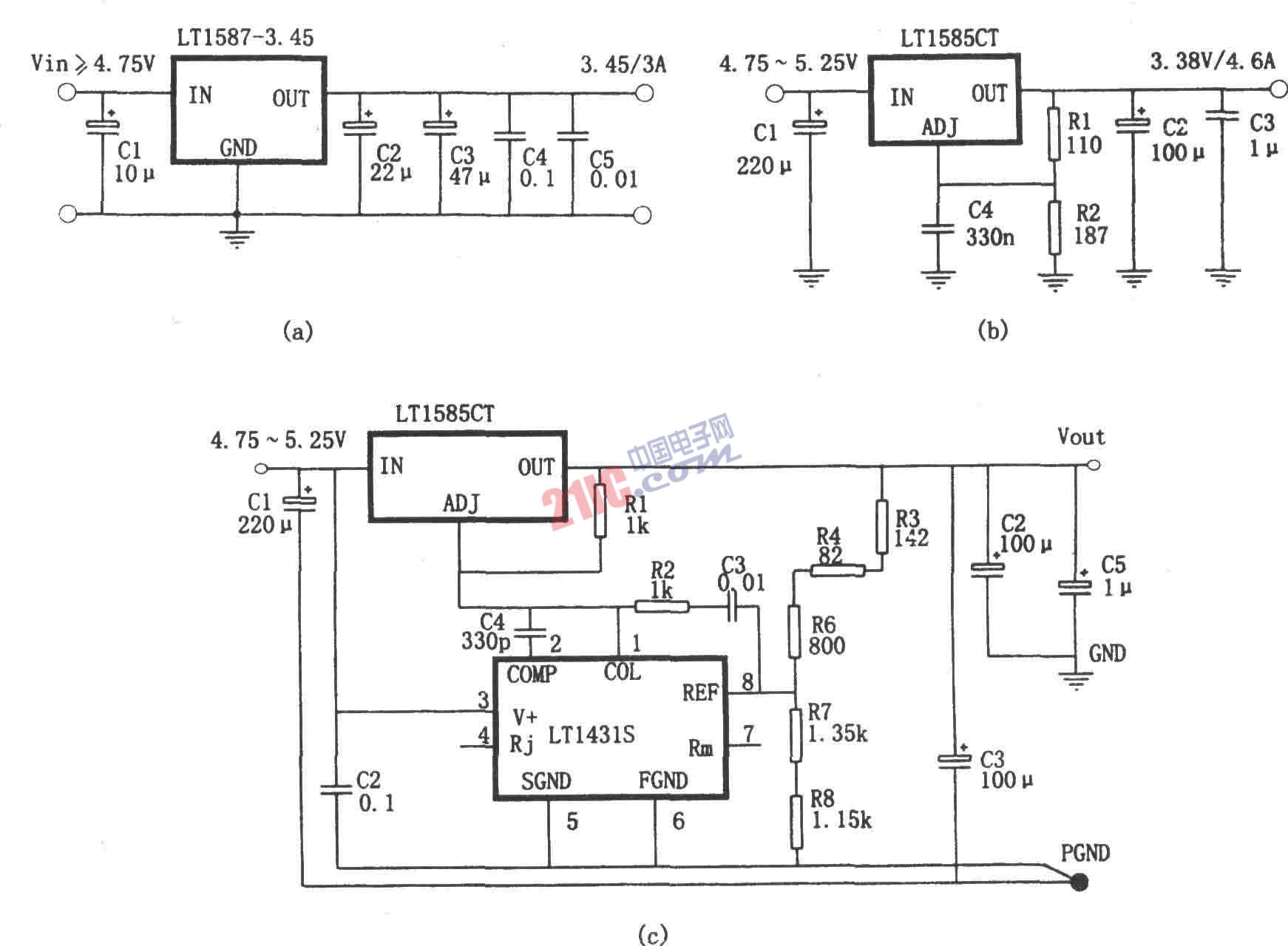
图(a)是采用LT1587-3.45构成的微处理机电源电路。图(b)是采用LT1585构成的输出电压可调的稳压电源。图(c)是采用LT1584和LT1431构成的微机电源。LT1584、LTl585、LT1587的输出电流为7A、4.6A、3A,是最适用于驱动微处理机的稳压器,具有高速过度响应特性,负载调整率为0.5%,内有热击穿保护电路。基本应用电路非常简单,固定输出电压时,只要在输入与输出端各接l只电容;可调输出电压时,再接上用于设定输出的2只电阻即可,输入输出的电容容量可非常小。

 

撰写答案
提 交
1 / 3
1 / 3
相关电源电路
无噪声的的功放电源电路
LG CF-25H84彩电开关电源电路
LG MC-8AA机心彩电开关电源电路
LG MC-022A机心彩电开关电源电路
LG MC-019A机心彩电开关电源电路
相关电源
TDA16846组成的彩电开关电源原理图
联想LX-PL4C2型彩色显示器开关电源电路
长虹CN-9机心彩电开关电源电路
索尼KV2184彩电开关电源电路
王牌TCL-3460D彩电开关电源电路