0
问答首页 最新问题 热门问题 等待回答标签广场
我要提问

电源电路电源

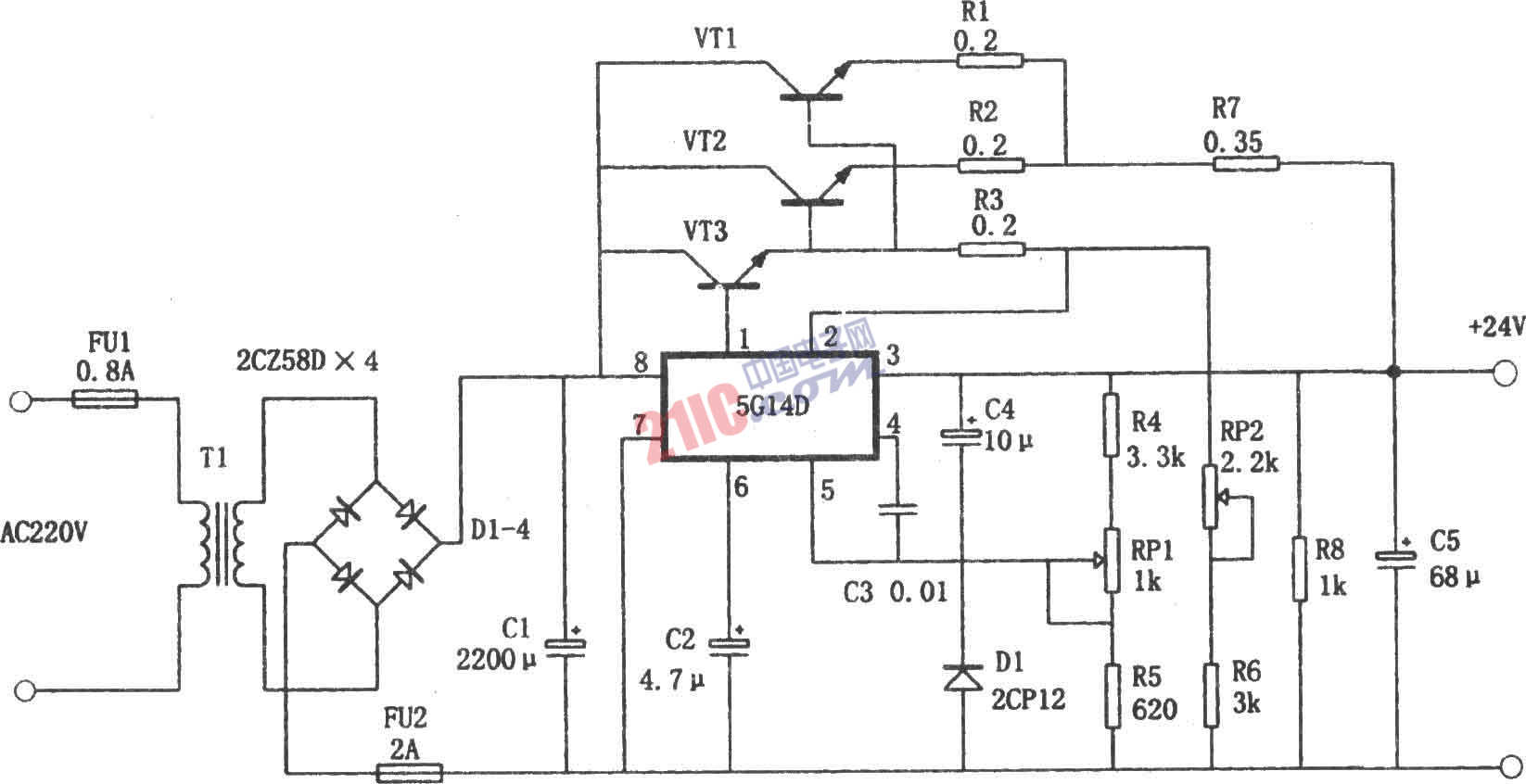
5G14D构成的+24V、1.9A稳压电源

5G14D构成的+24V、1.9A稳压电源
提问者:gramsoup 地点:- 浏览次数:3942 提问时间:03-31 05:58
我有更好的答案
提 交
1条回答
yu1004402274 04-07 05:32

如图所示为一种+24V、1.9A电源电路。它以国产的集成稳压器5G14D为核心,外接三只功率晶体管,使电源的输出电流由5G14D本身的额定电流24mA,提高到1.9A。RP1用来微调输出电压,RP2用来调整过载电流保护点。本电源的主要技术特点:(1)输入电压:220V±22V,50Hz。(2)输出电压:24V,误差≤±2%。(3)最大输出电流:1.9A。(4)纹波电压:≤24mV。(5)过载保护点:2.8A。

 

 

撰写答案
提 交
1 / 3
1 / 3
相关电源电路
无噪声的的功放电源电路
LG CF-25H84彩电开关电源电路
LG MC-8AA机心彩电开关电源电路
LG MC-022A机心彩电开关电源电路
LG MC-019A机心彩电开关电源电路
相关电源
TDA16846组成的彩电开关电源原理图
联想LX-PL4C2型彩色显示器开关电源电路
长虹CN-9机心彩电开关电源电路
索尼KV2184彩电开关电源电路
王牌TCL-3460D彩电开关电源电路