电子百科

意法半导体(ST)成立于1987年,是意大利SGS半导体公司和法国汤姆逊半导体合并后的新企业,公司自1994年起公开上市,意法半导体股票在纽约证券交易所(交易代码:STM)、泛欧巴黎证券交易所和意大利米兰证券交易所挂牌上市。从成立之初至今,意法半导体的增长速度超过了半导体工业的整体增长速度。自2005年起,意法半导体始终是世界五大半导体公司之一。
整个集团共有员工约50,000人,拥有16个先进的研发机构、39个设计和应用中心、13个主要制造厂,并在36个国家设有78个销售办事处。
公司总部设在瑞士日内瓦,同时也是欧洲、中东和非洲地区(EMEA)市场的总部;公司的美国总部设在德克萨斯州达拉斯市的卡罗顿;亚太区总部设在新加坡;日本的业务则以东京为总部;大中国区总部设在上海,负责香港、大陆和台湾三个地区的业务。
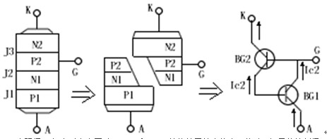
st可控硅是P1N1P2N2四层三端结构元件,共有三个PN结,分析原理时,可以把它看作由一个PNP管和一个NPN管所组成,其等效图解如图1所示

当阳极A加上正向电压时,BG1和BG2管均处于放大状态。此时,如果从控制极G输入一个正向触发信号,BG2便有基流ib2流过,经BG2放大,其集电极电流ic2=β2ib2。因为BG2的集电极直接与BG1的基极相连,所以ib1=ic2。此时,电流ic2再经BG1放大,于是BG1的集电极电流ic1=β1ib1=β1β2ib2。这个电流又流回到BG2的基极,表成正反馈,使ib2不断增大,如此正向馈循环的结果,两个管子的电流剧增,st可控硅使饱和导通。
由于BG1和BG2所构成的正反馈作用,所以一旦st可控硅导通后,即使控制极G的电流消失了,st可控硅仍然能够维持导通状态,由于触发信号只起触发作用,没有关断功能,所以这种st可控硅是不可关断的。
由于st可控硅只有导通和关断两种工作状态,所以它具有开关特性,这种特性需要一定的条件才能转化,此条件见表1

2、基本伏安特性
st可控硅的基本伏安特性见图2

图2 st可控硅基本伏安特性
(1)反向特性
当控制极开路,阳极加上反向电压时(见图3),J2结正偏,但J1、J2结反偏。此时只能流过很小的反向饱和电流,当电压进一步提高到J1结的雪崩击穿电压后,接差J3结也击穿,电流迅速增加,图3的特性开始弯曲,如特性OR段所示,弯曲处的电压URO叫“反向转折电压”。此时,st可控硅会发生永久性反向

(2)正向特性
当控制极开路,阳极上加上正向电压时(见图4),J1、J3结正偏,但J2结反偏,这与普通PN结的反向特性相似,也只能流过很小电流,这叫正向阻断状态,当电压增加,图3的特性发生了弯曲,如特性OA段所示,弯曲处的是UBO叫:正向转折电压

图4 阳极加正向电压
由于电压升高到J2结的雪崩击穿电压后,J2结发生雪崩倍增效应,在结区产生大量的电子和空穴,电子时入N1区,空穴时入P2区。进入N1区的电子与由P1区通过J1结注入N1区的空穴复合,同样,进入P2区的空穴与由N2区通过J3结注入P2区的电子复合,雪崩击穿,进入N1区的电子与进入P2区的空穴各自不能全部复合掉,这样,在N1区就有电子积累,在P2区就有空穴积累,结果使P2区的电位升高,N1区的电位下降,J2结变成正偏,只要电流稍增加,电压便迅速下降,出现所谓负阻特性,见图3的虚线AB段。
这时J1、J2、J3三个结均处于正偏,st可控硅便进入正向导电状态---通态,此时,它的特性与普通的PN结正向特性相似,见图2中的BC段
st可控硅的优点很多,例如:以小功率控制大功率,功率放大倍数高达几十万倍;反应极快,在微秒级内开通、关断;无触点运行,无火花、无噪音;效率高,成本低等等。
st可控硅的弱点:静态及动态的过载能力较差;容易受干扰而误导通。
电流
1. 额定通态电流(IT)即最大稳定工作电流,俗称电流。常用可控硅的IT一般为一安到几十安。
耐压
2. 反向重复峰值电压(VRRM)或断态重复峰值电压(VDRM),俗称耐压。常用可控硅的VRRM/VDRM一般为几百伏到一千伏。
触发电流
3. 控制极触发电流(IGT),俗称触发电流。常用可控硅的IGT一般为几微安到几十毫安。 额定正向平均电流 4,在规定环境温度和散热条件下,允许通过阴极和阳极的电流平均值