电子百科

1、接口特性:接口兼容EIA/TIA的RS-232C、RS-485/RS-422标准。
2、电气接口:RS-232C接口DB9孔型连接器
RS-485/RS-422接口孔型连接器
3、传输介质:双绞线或屏蔽线
4、工作方式:异步半双工或异步全双工
5、信号指示:三个信号指示灯TXD/RXD/PWR
6、隔离度:隔离电压3500VRMS 500VDC连接
7、传输速率:115.2K BPS到1.2KM
38.4KBPS到2.4KM
600BPS到5KM
8、传输距离:0-5公里。
1.模拟量隔离转换器
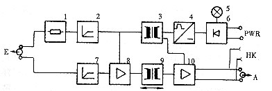
由于现场DAS系统实际采用德国西门子公司AS235电站专用控制系统,因此我们选用大连达西公司推荐的德国AHMS/TV271模拟量隔离转换器,其原理框图如图1所示。

其主要性能及特点:
1-通讯电阻;2-阻幅器;3-电源转换器;4-交流转换器;
5-绿灯(供电电源);6-整流器;7-限幅器;8-输入放大器;
9-信号转换器;10-输出放大器;HK-通讯插孔;E-输入信号;
A-输出信号;PWR-供电电流。
图1 模拟量隔转换器原理图
(1)可实现输入与输出之间的信号隔离、输入与供电电源之间的隔离、输出与供电电源之间的隔离,最大程度地防止强电信号的串入。
(2)精度高,负载能力大,隔离能力强,最大可隔离交流电压1500V。
(3)在隔离器前面板上通过电源指示灯、模件故障报警灯及测量通道实时反映是否串入强电信号。
(4)可向两线制变送器供电(24VDC),具有一定的抗RFI/EMI(无线射频/电磁干扰)能力。
(5)信号隔离形式多样,我们主要选用输入4~20mA直流信号、输出4~20mA及0~10V直流信号。
同时根据现场实际,又选择了部分非供电方式模拟量隔离转换器,其工作原理参照供电方式隔离转换器。
2.开关量隔离转换器
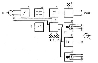
开关量隔离转换器选用AHTS920型双通道隔离转换器,工作原理如图2所示。

1-稳压器;2-绿灯(电源指示);3-电气隔离;4-比较器;5-限幅单元;
6-切换开关;7-控制逻辑;8-红灯(故障灯);9-黄灯(输入指示);
10-黄灯(输出指示);11-继电气(输出);12-输出信号(电气信号);
13-警继电器(故障信号);E-输入信号;A-输出信号;PWR-供电电源。
图2 开关量隔离转换器工作原理图
其主要性能及特点
(1)可实现输入与输出之间的信号隔离、输入与供电电源之间的隔离、输出与供电电源之间的隔离,最大程度防止强电信号的串入。
(2)精度高,负载能力大,隔离能力强,最大可隔离交流电压1500V。
(3)采用继电器输出,触点电压ACmax250V/4 A,DCmax200V/90W。
(4)在隔离器前面板上通过电源指示灯、信号故障报警灯及输入/输出信号状态灯实时反映是否串入强电信号。
1、数据通信失败
检查接口连接是否正确、检查供电电压及极性是否正确、检查设备的接口类型与接口转换器的是否存在正确的转换模式上。
2、数据丢失或错误
检查数据通信设备两端数据速率、格式是否一致。
1.安装
隔离转换器安装在现场信号进入DAS系统之前,因此对于模拟量信号、模拟量隔离转换器输入输出电缆均采用软屏蔽电缆,以消除外来电磁干扰。隔离器工作电源为直流24V,采用双路稳压电源互为备用,稳压电源入口电压采用从不同电源段送来的两路交流电源。
2.应用效果
在3号机组大修中,完成了隔离转换器系统改造并随机组运行,隔离转换器系统运行正常,模拟量信号采集模件、开关量信号采集模件至今未发生因模件串入强电而导致损坏,这就证明光电隔离转换器在电厂数据采集系统中应用效果良好。