电子百科

1.判定栅极G
将万用表拨至R×1k档分别测量三个管脚之间的电阻。若发现某脚与其字两脚的电阻均呈无穷大,并且交换表笔后仍为无穷大,则证明此脚为G极,因为它和另外两个管脚是绝缘的。
2.判定源极S、漏极D
由图1可见,在源-漏之间有一个PN结,因此根据PN结正、反向电阻存在差异,可识别S极与D极。用交换表笔法测两次电阻,其中电阻值较低(一般为几千欧至十几千欧)的一次为正向电阻,此时黑表笔的是S极,红表笔接D极。
3.测量漏-源通态电阻RDS(on)
将G-S极短路,选择万用表的R×1档,黑表笔接S极,红表笔接D极,阻值应为几欧至十几欧。
由于测试条件不同,测出的RDS(on)值比手册中给出的典型值要高一些。例如用500型万用表R×1档实测一只IRFPC50型VMOS管,RDS(on)=3.2W,大于0.58W(典型值)。
4.检查跨导
将万用表置于R×1k(或R×100)档,红表笔接S极,黑表笔接D极,手持螺丝刀去碰触栅极,表针应有明显偏转,偏转愈大,管子的跨导愈高。
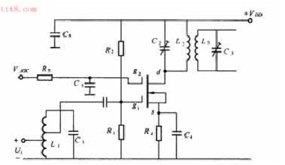
双栅场效应管也称为双栅MOS管。它是一个管子中有两个控制极。从结构上来看可以认为是两个单栅场效应管的串联,增加了第二栅极g2,它具有一定的屏蔽作用,使得漏极与第一栅极之间的反馈电容变得很小,如图所示是彩色电视机高频调作用的双栅场效应管高频放大器。双栅场效应管高频放大器从结构上来说可以认为是共源-共栅放大器的形式。值得注意的是栅g2的电压时可以改变场效应管正向传输特性曲线的斜率,从而改变高频放大器的增益。
