电子百科

1 Power SmartTM高压变频调速控制装置系统组成
Power SmartTM系列高压变频调速系统主要由切分移相干式变压器柜、功率单元柜、控制单元柜、远控操作箱、旁路开关柜等部分组成。切分移相干式变压器为变频器的输入设备,一般由铁心、输入绕组、屏蔽层、输出绕组及冷却风机、过热保护等部分构成。控制单元柜主要由主控制器、温控器、风机保护器、人机界面(数码管和彩色触摸屏可选)、PLC、嵌入式微机、开关电源、EMI模块、隔离变压器、空气开关、接触器、继电器、模拟量模块、开关量模块等组成。
2 工作原理
Power SmartTM系列高压变频器是采用单元串联多重化技术属于电压源型高-高式高压变频器。所谓多重化,就是每相由几个低压功率单元串联组成,各功率单元由一个多绕组的移相隔离变压器来独立供电。采用多重化叠加的方式,使变频器输出电压的谐波含量很小,不会引起电动机的附加谐波发热。其输出电压的dV/dt也很小,不会给电机增加明显的应力,因此可以向普通标准型交流电动机供电,而且无需降容使用。由于输出电压的谐波和dV/dt都很小,不需要附加输出滤波器,输出电缆也长度无要求。由于谐波很小,附加的转矩脉动也很小,避免了由此引起的机械共振。变频器工作时的功率因数达0.96以上,完全满足了供电系统的要求。因此不需要附加电源滤波器或功率因数补偿装置,也不会与现有的补偿电容装置发生谐振,变频器工作时不会对同一电网上运行的电气设备发生干扰,因而被人们誉为“完美无谐波的高压变频器”。
3 技术特点
采用双DSP控制,可靠性高,杜绝了变频器死机问题;采用36脉冲整流(以6KV变频器为例)及空间矢量多重化PWM技术,每相由6个功率单元串联而成,并直接驱动电动机,无需输出升压变压器。输出电平数高,dv/dt很小,输出波形接近正弦波。采用专利技术的实时光纤传送技术,对功率单元进行控制。变频器输出转矩脉冲窄,控制精度高,避免了机械共振。完善的自我诊断和故障预警机制,上电自检,运行中实时监测,检测速度高。通过双DSP系统,实现纳秒级运算并进行综合判断,分析准确,减少变频器误报警。具有PWM控制波形与逆变输出波形实时验证功能,提高了输出波形的准确性,增强了系统无故障的运行能力。具有反转启动和飞车启动功能,无论电机处于正转还是反转状态,变频器均可实现大力矩直接启动。具备来电自启动功能,避免电网短时失电对生产造成影响。变频器发生短路、接地、过流、过载、过压、欠压、过热等情况时,系统均能故障定位并且及时告警或保护,对电网波动的适应能力强。支持中心点偏移式的旁路技术。当某一个功率单元失效时,能够立即对该单元实施旁路处理,而整个变频器的输出仍能维持94[%]以上的电压,这保证了系统的不间断运行。
4 出厂测试
powersmart系列高压变频器检验项目(全功率出厂测试)包括:①一般检验:包括外观、部件、元器件。②电气间隙与爬电距离检验。③安全与接地检验。④外壳防护检验。⑤保护功能检验。⑥显示功能检验。⑦效率检验。⑧功率因数检验。⑨输出电压检验。⑩频率分辨率检验。 过载试验。 连续运行试验。 启动特性控制实验。 温升试验。 谐波实验。 控制回路上电源切换实验。 不间断后备电源实验。 高压掉电短时跟踪再启动实验。 飞车启动试验。
每一台PowerSmart系列高压变频器,在出厂时都经过严格测试。九洲电气组建了高压大功率变频器实验室。具体包括:电气性能试验室,负责对产品的工频耐压、电气绝缘、三防、效率、功率因数、产品的动态特性等性能进行综合测试。电磁兼容实验室,负责对产品进行快速脉冲群、静电、浪涌、电压跌落等项目试验。单元模块老化实验室,负责对每一个功率单元、控制单元板进行高温带载72小时老化实验。中高压变流试验站,是与罗克韦尔共同建造的,负责对中高压等级的变频器、软启动器、兆瓦级风力发电变流器、SVC产品进行智能化带负载性能测试。其所能测试等级为690V到10KV,最大测试功率可达到5000KW。它为高压变频器的技术发展提供了一个全方位的试验平台。
(1)市场普遍接受。如果在5年以前推广高压变频器,一般还要给用户讲解其原理,为什么要使用它。但是现在,经过众多厂家的共同努力,和市场使用效果的宣传,用户已经普遍接受高压变频器,只是在众多厂家中选择谁的问题。
(2)业绩很重要。高压变频器一般功率较大,都使用在非常关键的部位。所以用户对产品的可靠性是最关心的。考查可靠性的最好办法,就是去已经使用的用户那里去了解情况,这样的用户越多,说服力就越强.
(3)服务的重要性不容忽视。高压变频器是大功率的电子设备,在使用中,总会遇到一些问题,高压变频器工作的场合又非常关键,因此,对用户的及时服务是非常重要的。服务是维持用户关系的非常重要的方面。如果服务不到位,或者像有些国外厂家,服务和备件的价格较高,都会影响用户的选择。
(4)现场的适应性非常重要。一般的高压变频器开发厂家,在自己的实验室里,都很难完全模仿用户现场的情况,所以,产品设计的灵活性怎么样,到了现场遇到问题能否尽快解决,都是非常重要的。由于耗电量大,负载又非常重要,用户往往不希望设备较长时间的试运行,所以,产品设计不严谨,一旦遇到问题,就非常难以解决。近年来,许多厂家的产品裹足不前,就是这个原因。
(5)价格进一步下降。由于激烈的竞争,以及后来者为了夺取业绩而不得已采用的低价策略,高压变频器的价格下降很快,在某些项目上,一些竞争厂家报出的价格甚至低于成本价。随着技术的进步,高压变频器除了在已有的市场上继续扩大规模外,还将进一步扩展应用的领域,对于很多负载,还需要解决变频器的工程应用上的问题。总之,高压变频器正在迎来发展的黄金时期。
通常,我们把用来驱动1kV以上交流电动机的中、大容量变频器称为高压变频器。但按国际惯例和我国国家标准,当按供电电压大于或等于10kV时称高压,小于10kV至1kV时应称为中压。考虑到电压大于6kV时,我国变频器多采用交直交多电平式拓扑结构。本文所讨论的信号传递技术侧重于电压大于6kV的高压变频器。
一、高压变频器的电磁环境
包括高压变频器在内的变频器主电路一般为交-直-交拓扑结构,外部由电网输入工频电源经三相桥路不可控整流成直流电压信号,经过电容滤波及大功率晶体管开关元件逆变为频率可变的交流信号。国内高压变频器的整流部分多采用移相变压器使电网的输入电流谐波在4[%]以下。在逆变器输出回路中,输出电压信号受PWM载波信号调制的脉冲波形,对于GTR大功率逆变元件,其PWM的载波频率为2-3kHz,而IGBT大功率逆变元件的PWM最高载波频率可达15kHz。虽然,高压变频器采用移相变压器、多重化等技术手段使变频器的输入输出波形达到了令人满意的程度,但是其功率达到兆瓦以上,电磁干扰与本身功率成正比,其电磁干扰仍然严重。笔者的同事用万用表测得变频器内部的共模干扰电压达到AC200V,也就是说信号线所受的共模干扰电压在AC200V以上。
二、高压变频器信号所受电磁干扰的传播途径
高压变频器能产生功率非常大的谐波,对自身与其它设备干扰性较强。其干扰传播途径与一般电磁干扰途径是一致的,主要分电磁辐射、传导和感应耦合。其具体表现为:
(1)对周围的电子、电气设备产生电磁辐射。高压变频器的逆变桥采用PWM技术,当根据给定频率和幅值指令产生预期的和可重复的开关模式时,其输出的电压和电流的功率频谱是离散的,并且带有与开关频率相应的高次谐波群。高载波频率和场控开关器件的高速切换(du/dt可达1kV/us以上)所引起的辐射干扰问题相当突出。
(2)强电磁干扰环境中的变频器电路产生感应耦合,感应出干扰电压或电流。当回路1对回路2造成磁场耦合干扰时,在回路2上形成的串联干扰电压UN为式中ω — 干扰信号的角频率;
B — 干扰源回路1形成的磁场连接回路2处的磁通密度;
A — 为回路2感受磁场感应的磁通的闭合面积;
θ — B和A两个适量的夹角。
电磁耦合干扰主要由两类组成:一是恶劣电磁环境中的金属导线回路产生非常高的共模电压;二是所测量的电信号本省含有丰富的噪声。当变频器的信号传输线路和变频器的功率逆变器件的物理距离比较近时,逆变器件的高次谐波信号将通过感应的方式耦合到信号中去。
三、高压变频器的信号传递技术
据电磁性的基本原理,形成电磁干扰(EMI)须具备三要素:电磁干扰源、电磁干扰途径、对电磁干扰敏感的系统。电磁干扰源不在本文的讨论范围之内,本文主要从切断电磁干扰途径和降低系统对电磁干扰的敏感性两个方面讨论高压变频器的信号传递技术。高压变频器主要从以下几个方面来保障信号传递技术的。
(1)在设计系统时选择抗干扰性强的信号传递技术,如优先考虑数字型与电流型信号。数字信号的抗干扰能力远远强于模拟信号。除测量用模拟信号外,在数字信号满足信号传输速度的前提下应优先考虑采用数字信号。恶劣的电磁环境对信号电缆的影响主要是产生共模电压干扰,电流型信号在传输通路中不会出现在同一回路中各点电流大小不一致的问题,有很强的抗感应式干扰的能力,推荐采用工业上常用的4-20mA信号。
(2)当传递数字信号或电平信号时,采用光纤作为传输介质传递信号。以光波的形式传递信号,可以从根本上杜绝信号在传输过程中所受干扰;信号在光纤中以光速传输,光纤传输信号速度快;采用光纤可以节省有色金属-铜,比电缆传输信号经济。
(3)隔离,隔离是切除电磁辐射和传导干扰的有效方法,可以避免干扰信号传入下一级信号处理电路。隔离是指切断信号的电气传播途径,在信号传输的过程中利用光或磁来耦合输入信号。隔离可分为对模拟信号的隔离和对数字信号的隔离两种信号隔离方法。常用的模拟信号的隔离措施为隔离放大器和隔离变压器。常用的数字信号隔离方法为采用光电耦合器,光电耦合器分普通型和高速型两种。图1(a)为模型信号隔离放大器ISO124原理图,(b)为双通道高速数字信号光电耦合器原理图。

将不同种类的信号线隔离铺设(不在同一电缆槽中或在同一电缆槽中用金属隔板隔开),可以根据信号不同类型将其按抗噪声干扰能力分类铺设。
(4)屏蔽是限制内部的电磁能量越出某一区域和防止外来的能量进入某一区域。一般常用于隔离和衰减辐射干扰,屏蔽的实质是由具有良好导电性能的金属材料制成的一个全封闭的壳体。在高压变频器中传输电信号时均需采用屏蔽电缆,在使用中需要注意以下几点:①屏蔽体单端接地,有时也称为静电屏蔽。屏蔽层靠近变频器的一端,应接控制电路的公共端(COM),但不要接到变频器的接地端(E)或大地,如图2所示。②当干扰电场很强而电路灵敏度又高时,可采用双层屏蔽。注意:内外屏蔽层之间只能一点连接,且要加滤波电路,两层之间距离应尽可能大。③为防止空间电磁波对高灵敏度接收调和的干扰,可采用金属网屏蔽室。
(5)接地。接地的作用概括起来只有两种:保护人和设备不受损害的保护接地和为了抑制电磁干扰的接地即工作接地。在此只讨论工作接地的问题,工作接地是为了使变频控制系统及与之相连的仪表均能可靠运行并保证测量和控制精度而设的接地。在高压变频器信号传递中需要考虑信号回路接地、屏蔽接地,高压变频器用于石化或其他防暴系统中还有本安接地的问题。
信号回路接地,如各变频器的负端接地,开关信号的负端接地等。信号地的处理原则上不允许各变送器和其他的传感器在现场接地,而应都将其负端在变频器端子处一点接地。但在有些场合,现场必须接地,这时必须注意原信号的输入端子(上双端)绝对不允许和变频控制系统的接地线有任何电气连线,而变频控制系统在处理这类信号时,必须在前端采用有效的隔离措施。
屏蔽接地(模拟信号的屏蔽接地),模拟地是所有的接地中要求最高的一种,高压变频器要求接地电阻小于0.1Ω,需在变频器机柜内部安装模拟地汇流排或其他设施。用户在接线时将屏蔽线分别接到模拟地汇流排上,在机柜底部,用绝缘多股铜线连接到一点,然后将各机柜的汇流排用绝缘多股铜导线或铜条以辐射状连接到接地点。注意各机柜之间的连接电阻需小于1Ω。
本安接地,是本安仪表或安全栅的接地。这种接地除了可抑制干扰外,还是使仪表和系统具有本质安全性质的措施之一。本安接地会因采用的设备不同而不同,安全栅的作用是使危险现场端永远处于安全电源和安全电压范围之内。如果现场端短路,由于负载电阻和安全栅电阻R的限流作用,会将导线上的电流限制在安全范围之内,使现场端不至于产生很高的温度,引起燃烧。如果变频器一端产生故障,则高压信号加入信号回路,则由于齐纳二极管的作用,也使电压处于安全范围。
(6)使用双绞线。双绞线的绞扭节距把式(1)中的A回路分隔成许多小回路,如果双绞线的绞扭一致,那么这些小回路的面积相等而方向相反,因此其磁场干扰可以相互抵消。但需要说明的是双绞线的结构对电场耦合干扰没有抑制能力。当给双绞线加上屏蔽层后,其抑制干扰能力更强。图3 示出了几种双绞线的使用方法,读者可作比较。如果每2.54cm扭6个均匀绞扭,对磁场干扰得抑制dB数入图所示。其中图3(a)采用单端接地的方式,对磁场干扰具有高达55dB的衰减能力。而图3(b)由于双端接地,地线阻抗与信号线阻抗不对称,地环流造成了双绞线电流不平衡,因此降低了双绞线抗磁场干扰能力,只有13dB的磁场干扰能力。图3(c)的屏蔽层双端接地,具有一定的抑制磁场耦合干扰能力,加上双绞线本身的作用,具有63dB的衰减。图3(d)的屏蔽层和双绞线都两端接地,其效果只是比图3(b)好,只有63dB的衰减。

四、结束语
如前所述,高压变频器的电磁环境除具有一般电子设备的共性外,还具有自己的特性。在考虑其信号传输时,需综合采用本文中所提的这些信号传输技术。我们公司的风光牌变频器正是因为采用了上述的信号传输技术,产品的可靠性得到保障。亦是我们公司的产品被评为中国名牌的因素之一。
1 前言
随着现代电力电子技术和微电子技术的迅猛发展,高压大功率变频调速装置不断地成熟起来,原来一直难于解决的高压问题,近年来通过器件串联或单元串联得到了很好的解决。其应用的领域和范围也越来越为广范,这使得高效、合理地利用能源(尤其是电能)成为了可能。电机是国民经济中主要的耗电大户,高压大功率的更为突出,而这些设备大部分都有节能的潜力。大力发展高压大功率变频调速技术,,将是时代赋予我们的一项神圣使命,而这一使命也将具有深远的意义。
2 高压变频器的分类及其电路的拓扑结构
高压变频器的种类繁多,其分类方法也多种多样。按着中间环节有无直流部分,可分为交交变频器和交直交变频器;按着直流部分的性质,可分为电流型和电压型变频器;按着有无中间低压回路,可分为高高变频器和高低高变频器;按着输出电平数,可分为两电平、三电平、五电平及多电平变频器;按着电压等级和用途,可分为通用变频器和高压变频器;按着嵌位方式,可分为二极管嵌位型和电容嵌位型变频器等等。
2.1电流型变频器
由于在变频器的直流环节采用了电感元件而得名,其优点是具有四象限运行能力,能很方便地实现电机的制动功能。缺点是需要对逆变桥进行强迫换流,装置结构复杂,调整较为困难。另外,由于电网侧采用可控硅移相整流,故输入电流谐波较大,容量大时对电网会有一定的影响。如图1、3所示。
2.2电压型变频器
由于在变频器的直流环节采用了电容元件而得名,其特点是不能进行四象限运行,当负载电动机需要制动时,需要另行安装制动电路。功率较大时,输出还需要增设正弦波滤波器。如图2、4所示。
2.3高低高变频器
采用升降压的办法,将低压或通用变频器应用在中、高压环境中而得名。原理是通过降压变压器,将电网电压降到低压变频器额定或允许的电压输入范围内,经变频器的变换形成频率和幅度都可变的交流电,再经过升压变压器变换成电机所需要的电压等级。
这种方式,由于采用标准的低压变频器,配合降压,升压变压器,故可以任意匹配电网及电动机的电压等级,容量小的时侯(
一般高低高变频器可分为电流型和电压型两种。
2.3.1高低高电流型变频器
电路拓扑结构如图1所示,在低压变频器的直流环节由于采用了电感元件而得名。输入侧采用可控硅移相控制整流,控制电动机的电流,输出侧为强迫换流方式,控制电动机的频率和相位。能够实现电机的四象限运行。

图1
2.3.2高低高电压型变频器
电路拓扑结构如图2所示,在低压变频器的直流环节由于采用了电容元件而得名。输入侧可采用可控硅移相控制整流,也可以采用二极管三相桥直接整流,电容的作用是滤波和储能。逆变或变流电路可采用GTO ,IGBT,IGCT 或 SCR元件,通过SPWM变换,即可得到频率和幅度都可变的交流电,再经升压变压器变换成电机所需要的电压等级。需要指出的是,在变流电路至升压变压器之间还需要置入正弦波滤波器(F),否则升压变压器会因输入谐波或dv/dt过大而发热,或破坏绕组的绝缘。该正弦波滤波器成本很高,一般相当于低压变频器的1/3到1/2的价格。

图2
2.4高高变频器
高高变频器无需升降压变压器,功率器件在电网与电动机之间直接构建变换器。由于功率器件耐压问题难于解决,目前国际通用做法是采用器件串联的办法来提高电压等级,其缺点是需要解决器件均压和缓冲难题,技术复杂,难度大。但这种变频器由于没有升降压变压器,故其效率较高低高方式的高,而且结构比较紧凑。
高高变频器也可分为电流型和电压型两种。
2.4.1高高电流型变频器
它采用GTO,SCR或IGCT元件串联的办法实现直接的高压变频,目前电压可达10KV。由于直流环节使用了电感元件,其对电流不够敏感,因此不容易发生过流故障,逆变器工作也很可靠,保护性能良好。其输入侧采用可控硅相控整流,输入电流谐波较大。变频装置容量大时要考虑对电网的污染和对通信电子设备的干扰问题。均压和缓冲电路,技术复杂,成本高。由于器件较多,装置体积大,调整和维修都比较困难。逆变桥采用强迫换流,发热量也比较大,需要解决器件的散热问题。其优点在于具有四象限运行能力,可以制动。
需要特别说明的是,该类变频器由于较低的输入功率因数和较高的输入输出谐波,故需要在其输入输出侧安装高压自愈电容。
其电路拓扑结构如图3所示。

图3
2.4.2高高电压型变频器
如图4所示,电路结构采用IGBT 直接串联技术,也叫直接器件串联型高压变频器。其在直流环节使用高压电容进行滤波和储能,输出电压可达6KV,其优点是可以采用较低耐压的功率器件,串联桥臂上的所有IGBT作用相同,能够实现互为备用,或者进行冗余设计。缺点是电平数较低,仅为两电平,输出电压dV/dt也较大,需要采用特种电动机或整加高压正弦波滤波器,其成本会增加许多。它不具有四象限运行功能,制动时需另行安装制动单元。
这种变频器同样需要解决器件的均压问题,一般需特殊设计驱动电路和缓冲电路。对于IGBT驱动电路的延时也有极其苛刻的要求。一旦IGBT的开通、关闭的时间不一致,或者上升、下降沿的斜率相差太悬殊,均会造成功率器件的损坏。

图4
2.5嵌位型变频器
钳位型变频器一般可分为二极管钳位型和电容钳位型。
2.5.1二极管嵌位型变频器
电路拓扑结构如图5所示,它既可以实现二极管中点嵌位,也可以实现三电平或更多电平的输出,其技术难度较直接器件串联型变频器低。由于直流环节采用了电容元件,因此它仍属于电压型变频器。这种变频器需要设置输入变压器,它的作用是隔离与星角变换,能够实现12脉冲整流,并提供中间嵌位零电平。通过辅助二极管将IGBT等功率器件强行嵌位于中间零电平上,从而使IGBT两端不会因过压而烧毁,又实现了多电平的输出。
这种变频器结构,输出可以不安装正弦波滤波器。

图5
2.5.2电容嵌位型变频器
电路拓扑结构如图6所示,它采用同桥臂增设悬浮电容的办法实现了功率器件的嵌位,目前这种变频器应用的比较少。

图6
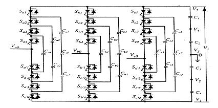
2.6单元串联型变频器
这是近几年才发展起来的一种电路拓扑结构,它主要由输入变压器、功率单元和控制单元三大部分组成。采用模块化设计,由于采用功率单元相互串联的办法解决了高压的难题而得名,可直接驱动交流电动机,无需输出变压器,更不需要任何形式的滤波器。
如图7所示,以6单元串联为例。整套变频器共有18个功率单元,每相由6台功率单元相串联,并组成Y形连接,直接驱动电机。每台功率单元电路、结构完全相同,可以互换,也可以互为备用。
变频器的输入部分是一台移相变压器,原边Y形连接,副边采用沿边三角形连接,共18副三相绕组,分别为每台功率单元供电。它们被平均分成Ⅰ、Ⅱ、Ⅲ三大部分,每部分具有6副三相小绕组,之间均匀相位移10度。
该变频器的特点如下:
① 采用多重化PWM方式控制,输出电压波形接近正弦波。
② 整流电路的多重化,脉冲数多达36,功率因数高,输入谐波小。
③ 模块化设计,结构紧凑,维护方便,增强了产品的互换性。
④ 直接高压输出,无需输出变压器。
⑤ 极低的dv/dt输出,无需任何形式的滤波器。
⑥ 采用光纤通讯技术,提高了产品的抗干扰能力和可靠性。
⑦ 功率单元自动旁通电路,能够实现故障不停机功能。
3 高压变频器的主要应用领域
高压大功率变频调速装置被广泛地应用于石油化工、市政供水、冶金钢铁、电力能源等行业的各种风机、水泵、压缩机、轧钢机等。