电子百科

基本的执行机构用于把阀门驱动至全开或全关的位置。用与控制阀的执行机构能够精确的使阀门走到任何位置。尽管大部分执行机构都是用于开关阀门,但是如今的执行机构的设计远远超出了简单的开关功能,它们包含了位置感应装置,力矩感应装置,电极保护装置,逻辑控制装置,数字通讯模块及PID控制模块等,而这些装置全部安装在一个紧凑的外壳内。
因为越来越多的工厂采用了自动化控制,人工操作被机械或自动化设备所替代,人们要求执行机构能够起到控制系统与阀门机械运动之间的界面作用,更要求执行机构增强工作安全性能和环境保护性能。在一些危险性的场合,自动化的执行机构装置能减少人员的伤害。某些特殊阀门要求在特殊情况下紧急打开或关闭,阀门执行机构能阻止危险进一步扩散同时将工厂损失减至最少。对一些高压大口径的阀门,所需的执行机构输出力矩非常大,这时所需执行机构必须提高机械效率并使用高输出的电机,这样平稳的操作大口径阀门。
以MD系列电动执行机构的整体式比例调节型为例。
MD系列电动执行机构以交流伺服电动机为驱动装置的位皿伺服机构,由配接的位置定位器PM-2控制板接受调节系统的4~20mA直流控制信号与位置发送器的位置反馈借号进行比较,比较后的信号偏差经过放大使功率级导通,电动机旋转驱动执行机构的输出件朝着减小这一偏差的方向移动(位置发送器不断将输出件的实际位置转变为电信号—位盈反馈信号送至位致定位器),直到偏差信号小于设定值为止。此时执行机构的输出件就稳定在与输人信号相对应的位置上。该系列角行程机构示意图如图1、直行程机构示意图如图2所示,其实际使用接线图如图3所示。
MD系列角行程调节电动执行机构由动力部件和位置定位器(PM-2控制板)两大部分组成。其中动力部件主要由电动机、减速器、力矩行程限制器、开关控制箱、手轮和机械限位装置以及位置发送器等组成,其各部分作用简述如下:
1、电动机:电动机是特种单相或三相交流异步电动机,具有高启动力矩、低启动电流和较小的转动惯量,因而有较好的伺服特性。在电动机定子内部装有热敏开关(详见图3所示)做过热保护,当电动机出现异常过热(内部温度超过130℃)时该开关将控制电动机的电路断开以保护电动机和执行机构,当电动机冷却以后开关恢复接通,电路恢复工作。为了克服惯性惰走,调节型电动执行机构的电动机控制电路均有电制动功能。
2、减速器:角行程执行机构采用行星减速加涡轮涡杆传动机构,既有较高的机械效率,又具有机械自锁特性。直行程执行机构的减速器由多转执行机构减速器配接丝杆螺母传动装置组成。
3、力矩行程限制器:它是一个设置在减速器内的标准单元,由过力矩保护机构、行程控制机构(电气限位)、位置传感器及接线端子等组成。
(1)过力矩保护机构:内行星齿轮在传递力矩时产生的偏转拨动嵌装在齿轮外圈的摆杆,摆杆的两端各装有一个测力压缩弹赞作为正、反向力矩的传感元件,当输出力矩超过设定限制力矩时,内齿轮的偏转使摆杆触动力炬开关,切断控制电路使电动机停转。训整力炬限制弹资的压缩量即可调整力炬的限定值。该保护具有记忆功能,对应于接线图中的电器设备是力矩开关LEF、LEO。当该保护动作以后,在排除机械力矩故障后,执行机构断电或信号瞬间反向一下即可恢复(即记忆解除)正常工作。
(2)行程控制机构:由凸轮组和微动开关组成。该凸轮组通过齿轮减速装殷,与减速器传动轴相连,通过调整分别作用于正、反方向微动开关(即行程限位开关)的凸轮板的位置可限定执行机构的行程(行程开关FCO,FCF)。该电气限位的范围在出厂时已经调好,一般情况下请勿随便调整,以免损坏机构。
(3)位丑传感器:采用高精度、长寿命的导电塑料电位器作为位置传感元件,它与凸轮组同轴连接,整体式比例调节型电动执行机构位置指示信号,是将电位器随输出轴行程变化的电阻值送人PM-2控制板的比较放大电路,并由它送出一个4-20mA的DC电流信号用于指示。
4、开关控制箱:在开关控制箱内装有PM电子位置定位器。
5、手轮:在故障状态和调试过程中,可通过转动手轮来实现手动就地操作。
6、机械限位装置:主要用于故障时以及防止手动操作时超过极限位置保护。角行程电动执行机构的机械限位采用内置扇形涡轮限位结构,外形体积小,限位可靠;直行程电动执行机构的机械限位采用内置挡块型限位结构,可十分有效地保护阀座、阀杆、阀芯。
位置定位器实质上是一个将控制信号与位置反馈信号进行比较并放大以控制电动机开停和旋转方向的多功能大功率放大板,它与执行机构的动力部件相连以控制执行机构按系统规定的状态工作。位置定位器主要由比较、逻辑保护、放大驱动及功率放大等电路组成。控制单相电动机的位置定位器功率放大部分主要由光电祸合过零触发固态继电器(无触点电子开关)构成。其主体部分示意如图4所示。需要注意的是“手动一自动”转换开关,该开关的作用是在没有外加信号时,与手动调整电位器P1配合使用,以便观察或调试执行机构。用后一定要将其拨回“自动”位世,以免影响投人系统自动控制。
以MD系列电动执行机构的整体式比例调节型为例。
位置传感器部分
(1)电动执行机构接受控制系统发出的开、关信号后,电机能正常转动,但没有阀位反馈。其可能原因是:
1)位置传感器的电位器与行程控制机构不能同轴旋转,需检查连接部分是否损坏;
2)电位器损坏或性能变坏,阻值不随转动而发生变化;
3)位置传感器的电位器及放大板间连接导线是否正常;
4)PM放大板是否损坏,有无反馈信号送出。
(2)电动执行机构接受控制系统发出的开、关信号后,电机能正常转动,但阀位反馈始终为一固定值,不随阀门的开、关而变化,其可能原因是:
1)导电塑料电位器的阻值为一恒值,不随转动而变,检修更换电位器;
2)放大板中有关部分异常,检查处理。
执行器
(1)执行机构接收控制系统发出的开关信号后,电机不转并有嗡嗡声。其原因可能是:
1)减速器的行星齿轮部分卡涩、损坏或变形;
2)减速器的斜齿轮传动部分变形或过度磨损或损坏;
3)减速器的涡轮涡杆或丝杆螺母传动部分变形损坏、卡涩等;
4)整体机械部分配合不好,不灵活,需调整加油。
(2)电气部分故障
1)电动执行机构接受控制系统发出的开、关信号后,电机不转,也无嗡嗡声。可能原因是:没有交流电源或电源不能加到执行机构的电机部分或位置定位器部分;PM放大板工作不正常,不能发出对应的控制信号;固态继电器部分损坏,不能将放大板送来的弱信号转变成电机需要的强电信号;电机热保护开关损坏;力矩限制开关损坏;行程限制开关损坏;手动/自动开关位置选错或开关损坏;电机损坏。
2)电动执行机构接受控制系统发出的开、关信号后,电机不转,有嗡嗡声。其可能原因是:电机的启动电容损坏;电机线圈匝间轻微短路;电源电压不够。
3)电动执行机构接受控制系统发出的开、关信号后,电机抖动,并伴有咯咯声,其原因可能是:PM放大板的输出信号不足不能使固态继电器完全导通,造成电机的加载电压不足;固态继电器性能变坏,造成其输出端未完全导通。
1、概述
热电厂锅炉装置采用了天津自动化仪表生产的电动执行机构,型号有A+RS100和B+RS160两种。通过它们调整锅炉的一、二次风机,引风机风门挡板开度,从而控制炉床温度,烟气含氧量及炉膛负压等工艺参数,是保证循环流化床锅炉稳定运行的重要条件之一。
2、电动执行机构的工作原理
2.1工作框图
公司热电厂采用的分立式调节型电动执行机构是引进法国伯纳德公司技术生产的,它主要有两部分组成:现场安装的远控型执行机构和控制室安装的位置定位器,其工作框图如图一:

图一 电动执行机构工作框图
位置定位器的作用是将控制信号及现场阀位反馈信号进行比较、放大后,输出至执行机构;执行机构则根据位置定位器发送来的信号,驱动单相电机转动,阀位随着减速器的变化而变化,当阀位反馈信号与控制信号差异小于位置定位器死区时,电机停转;至此,一次动作过程结束。
2.2工作原理图
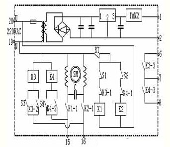
该种电动执行机构运行已五年时间,由于它的控制作用重大,从使用情况来看,曾多次影响到工艺的长周期稳定运行,因此,了解其工作原理、熟悉其故障现象、掌握其日常维护是非常必要的。它的工作原理图如下所示:

图二:电动机构执行原理图
S1,S2:行程限制微动开关
S3,S4:力矩限制微动开关
RT:过热保护开关
当执行机构电源接通后,交流接触器K1与K2即通电,触点K1-1与K2-1自行接通。当控制信号大于反馈信号时,位置定位器发出信号使端子20与15接通,则电机正转,带动减速器运转,凸轮也随之转动,(引起反馈信号增大);超行程时S1断开,K1失电,K1-1断开,电机停转。转动过程中发生过力矩的瞬间,S3接通,继电器K3吸合,使K3-2吸合,K3被锁定;同时,常闭触点K3-1断开,K1失电,电机停转。当控制信号小于反馈信号时,位置定位器发出信号,20与16接通,电机反转,动作过程原理同上。
最后减速器的转动通过凸轮带动单联导电塑料电位器转动,电流变换器TAM2输出4~20mADC反馈信号做远传指示。
3、电动执行机构故障分析
3.1性能指标
电动执行机构能否可靠运行,能否在规定的时间内和规定的条件下完成规定的功能,关键在于它的性能指标。性能指标一般用平均无故障运行时间MTBF来表示,它包含一些重要参数,如基本误差,回差,阻尼,死区等,这些参数在某种程度上反映了电动执行机构性能的好坏。
3.2主要性能指标及当前存在的问题
该种电动执行机构的有关技术参数:输入通道个数为1个,电阻为250欧,基本误差1[%],回差1.5[%],死区为0.5[%]~3[%]可调,阻尼特性无扰动。
虽然此种电动执行机构的某些技术参数可与国外同行相比,但由于受到国内生产企业非完善运营机制的制约,也存在着以下几点弊端:
(1)忽视基础技术的研究和开发
(2)通用元件的质量不高
(3)企业对生产的质量管理不严
由于以上几条弊端的影响,电动执行机构在运行过程中还是出现了许多故障,下面来详细介绍一下。
3.3故障分析
3.3.1运行初期
运行初期属于磨合期。其间出现的故障比较复杂,原因也是多方面的,如选型问题、设计制造问题或者安装及环境问题等等。举个例子,若力矩选得太小则可能影响其调节速度甚至根本无法调节。实际应用中有以下几条:设计时未注意连杆与执行机构的牢固连接,出现脱落现象;安装时将动力线和信号线使用同一根穿线管,造成信号干扰大;附近有未屏蔽的大电机设备,对执行机构电机的稳定运行产生影响;位置定位器的保险选型太大,造成其内部扼流线圈损坏等。对于这些问题,一定要及时观察,及时发现并处理,以免造成不必要的损失。
3.3.2运行中期
运行中期,电动执行机构的整体性能也由磨合期转入适应期,此时表现得较为稳定。出现的问题多是个别电子元器件存在质量问题所导致。如位置电流变换器TAM2,中间接触器K1、K2,过力矩的微动开关等,对于这些问题,除了及时向生产厂家反映以外,还要做好统计工作,注意多准备些备件,作为更换用。
3.3.3运行后期
进入运行后期,元器件的老化问题和传动部件磨损问题开始变得极为严重。如电机线圈老化造成绝缘降低,运行不稳;电机润滑不好使运行的稳定性下降;定位器的比较线圈老化或者位置电流变换器老化使定位精度下降;减速器的传动部件磨损导致电动机构无法调节等等,对于这些问题,应定期检查以防出现重大故障,另外准备备台也很有必要。
当然,在所有的故障因素中,客观因素也有一定的比例,在实际运行中有人为扳动,工艺挡板卡死,工艺误操作等等原因。
4、维护
从现场维护人员的实际经验出发,电动执行机构的维护应根据其不同使用时期而采取不同的重点维护措施,我们通常要做到以下几点。
4.1定期做润滑
电动执行机构的电机和传动部件需要使用润滑油来润滑,而润滑油的粘度又随油温变化。粘度过低,齿轮等传动部件的磨损增大;粘度太高,动作不良。因此,定期加润滑油可以延长其使用寿命。
4.2改善运行环境
为保证电动执行机构的可靠性,必须保证它运行在合适的运行环境,避免出现环境潮湿等其它环境因素造成线路短路或其它故障。
4.3定期检查
定期检查,及时发现运行中的事故隐患,将其消灭在萌芽状态,至少对于故障因素的查找有所帮助,避免走弯路。
4.4作好故障台帐的管理
处理过的每一次故障都要做详细记录,包括故障现象,故障分析及查找过程,故障原因,处理方法,预防措施等。这样不仅为今后处理相似的问题提供了参考价值,而且还能通过故障曲线提高查找故障因素的水平,起到达到事半功倍的效果。
4.5加强维护人员的技术培训和学习
对于热电岗位的人员,及时的技术培训和学习能帮助他们消除心理上的紧张因素,提高技能水平,并最终达到人人都能处理常见故障的目的。
5、总结
总体来讲,经历了近5年的实际维护,从目前的现状看,电动执行机构在使用还是比较满意的。当然,从利于维护的角度出发,希望专业设计人员在进行电动执行机构系统设计时,应充分考虑现场维护和管理的方便,如尽量简化系统,降低故障率;能够实现在线调试;所用元件标准化通用性高,易于修复;适当引入容错/纠错功能等,这样,电动执行机构的维护工作会越来越轻松,在工业中的使用也会越来越广泛。