电子百科
1.无机械触点,故不会出现触电磨损,使用寿命是无限的。
2.无动作声音,安静环保。
3.无震动和弹跳,防震抗摔。
4.体积小,安全可靠。
5.AC/DC兼用。
6.高速切换。
7.低放电电压。
8.低动作电流,低开路时的漏电电流。
9.输入与输出间完全绝缘。
10.可控制各种负载。
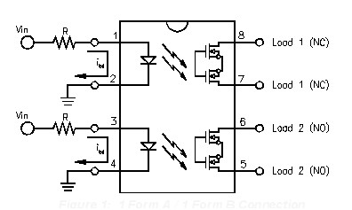
光耦继电器的应用电路如图。

Vin有电压输入,有电流从1管脚流到2管脚,管脚8和管脚7不导通(原来是常闭合导通的)。同样,Vin有电压输入,有电流从3管脚流到4管脚,管脚6和管脚5导通(原来是常开截止的)。
现在要计算限流电阻R的值。限流电阻R的值由下面公式决定:
R = (Vin - Vled) / Iled (1)
在这公式中:
R 是输入限流电阻
Vin是输入控制信号
Vled是LED正向压降电压
Iled是流过LED的正向电流
假设是在一个标准TTL的电路里,光耦继电器采用AQW610。
Vin =5V
Vled =1.5V
Iled =5mA(比maximum的3mA都要大)
因此限流电阻R=700Ω。