电子百科

IT(AV)--通态平均电流
VRRM--反向反复峰值电压
IDRM--断态重复峰值电流
ITSM--通态一个周波不反复浪涌电流
VTM--通态峰值电压
IGT--门极触发电流
VGT--门极触发电压
IH--维持电流
dv/dt--断态电压临界上升率
di/dt--通态电流临界上升率
Rthjc--结壳热阻
VISO--模块绝缘电压
Tjm--额定结温
VDRM--通态反复峰值电压
IRRM--反向重复峰值电流
IF(AV)--正向平均电流
可控硅的检测
1.单向可控硅的检测
万用表选用电阻R×1档,用红黑两表笔分别测任意两引脚间正反向电阻直至找出读数为数十欧姆的一对引脚,此时黑笔接的引脚为控制极G,红笔接的引脚为阴极K,另一空脚为阳极A。此时将黑表笔接已判断了的阳极A,红表笔仍接阴极K。此时万用表指针应不动。用短接线瞬间短接阳极A和控制极G,此时万用表指针应向右偏转,阻值读数为10欧姆左右。如阳极A接黑表笔,阴极K接红表笔时,万用表指针发生偏转,说明该单向可控硅已击穿损坏。
2.双向可控硅的检测
用万用表电阻R×1档,用红黑两表笔分别测任意两引脚正反向电阻,结果其中两组读数为无穷大。若一组为数十欧姆时,该组红黑表笔所接的两引脚为第一阳极A1和控制极G,另一空脚即为第二阳极A2。确定A、G极后,再仔细测量A1、G极间正反向电阻,读数相对较小的那次测量的黑表笔所接的引脚为第一阳极A1,红表笔所接引脚为控制极G。将黑表笔接已确定了的第二阳极A2,红表笔接第一阳极A1,此时万用表指针应不发生偏转,阻值为无穷大。再用短接线将A2、G极瞬间短接,给G极加上正向触发电压,A2、A1间阻值约为10欧姆左右。随后断开A2、G极短接线,万用表读数应保持10欧姆左右。互换红黑表笔接线,红表笔接第二阳极A2,黑表笔接第一阳极A1。同样万用表指针应不发生偏转,阻值为无穷大。用短接线将A2、G极间再次瞬间短接,给G极加上负向的触发电压,A1、A2间阻值也是10欧姆左右。随后断开A2、G极间短接线,万用表读数应不变,保持10欧姆左右。符合以上规律,说明被测双向可控硅管未损坏且三个引脚极性判断正确。
检测较大功率可控硅管是地,需要在万用表黑笔中串接一节1.5V干电池,以提高触发电压。
引言
1958年,从美国通用电气公司研制成功第一个工业用可控硅开始,电能的变换和控制从旋转的变流机组、静止的离子变流器进入以电力半导体器件组成的变流器时代。可控硅分单向可控硅与双向可控硅。单向可控硅一般用于彩电的过流、过压保护电路。双向可控硅一般用于交流调节电路,如调光台灯及全自动洗衣机中的交流电源控制。
双向可控硅是在普通可控硅的基础上发展而成的,它不仅能代替两只反极性并联的可控硅,而且仅需一个触发电路,是目前比较理想的交流开关器件,一直为家电行业中主要的功率控制器件。近几年,随着半导体技术的发展,大功率双向可控硅不断涌现,并广泛应用在变流、变频领域,可控硅应用技术日益成熟。本文主要探讨广泛应用于家电行业的双向可控硅的设计及应用。
双向可控硅特点
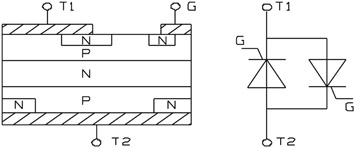
双向可控硅可被认为是一对反并联连接的普通可控硅的集成,工作原理与普通单向可控硅相同。图1为双向可控硅的基本结构及其等效电路,它有两个主电极T1和T2,一个门极G,门极使器件在主电极的正反两个方向均可触发导通,所以双向可控硅在第1和第3象限有对称的伏安特性。双向可控硅门极加正、负触发脉冲都能使管子触发导通,因此有四种触发方式。

图1 双向可控硅结构及等效电路
双向可控硅应用
为正常使用双向可控硅,需定量掌握其主要参数,对双向可控硅进行适当选用并采取相应措施以达到各参数的要求。
耐压级别的选择:通常把VDRM(断态重复峰值电压)和VRRM(反向重复峰值电压)中较小的值标作该器件的额定电压。选用时,额定电压应为正常工作峰值电压的2~3倍,作为允许的操作过电压裕量。
电流的确定:由于双向可控硅通常用在交流电路中,因此不用平均值而用有效值来表示它的额定电流值。由于可控硅的过载能力比一般电磁器件小,因而一般家电中选用可控硅的电流值为实际工作电流值的2~3倍。同时,可控硅承受断态重复峰值电压VDRM和反向重复峰值电压VRRM时的峰值电流应小于器件规定的IDRM和IRRM。
通态(峰值)电压VTM的选择:它是可控硅通以规定倍数额定电流时的瞬态峰值压降。为减少可控硅的热损耗,应尽可能选择VTM小的可控硅。
维持电流:IH是维持可控硅维持通态所必需的最小主电流,它与结温有关,结温越高,则IH越小。
电压上升率的抵制:dv/dt指的是在关断状态下电压的上升斜率,这是防止误触发的一个关键参数。此值超限将可能导致可控硅出现误导通的现象。由于可控硅的制造工艺决定了A2与G之间会存在寄生电容,如图2所示。我们知道dv/dt的变化在电容的两端会出现等效电流,这个电流就会成为Ig,也就是出现了触发电流,导致误触发。

图2 双向可控硅等效示意图
切换电压上升率dVCOM/dt。驱动高电抗性的负载时,负载电压和电流的波形间通常发生实质性的相位移动。当负载电流过零时双向可控硅发生切换,由于相位差电压并不为零。这时双向可控硅须立即阻断该电压。产生的切换电压上升率(dVCOM/dt)若超过允许值,会迫使双向可控硅回复导通状态,因为载流子没有充分的时间自结上撤出,如图3所示。

图3 切换时的电流及电压变化
高dVCOM/dt承受能力受二个条件影响:
dICOM/dt—切换时负载电流下降率。dICOM/dt高,则dVCOM/dt承受能力下降。
结面温度Tj越高,dVCOM/dt承受能力越下降。假如双向可控硅的dVCOM/dt的允许值有可能被超过,为避免发生假触发,可在T1 和T2 间装置RC缓冲电路,以此限制电压上升率。通常选用47~100Ω的能承受浪涌电流的碳膜电阻,0.01μF~0.47μF的电容,晶闸管关断过程中主电流过零反向后迅速由反向峰值恢复至零电流,此过程可在元件两端产生达正常工作峰值电压5-6倍的尖峰电压。一般建议在尽可能靠近元件本身的地方接上阻容吸收回路。
断开状态下电压变化率dvD/dt。若截止的双向可控硅上(或门极灵敏的闸流管)作用很高的电压变化率,尽管不超过VDRM,电容性内部电流能产生足够大的门极电流,并触发器件导通。门极灵敏度随温度而升高。假如发生这样的问题,T1 和T2 间(或阳极和阴极间)应该加上RC 缓冲电路,以限制dvD/dt。
电流上升率的抑制:电流上升率的影响主要表现在以下两个方面:
①dIT/dt(导通时的电流上升率)—当双向可控硅或闸流管在门极电流触发下导通,门极临近处立即导通,然后迅速扩展至整个有效面积。这迟后的时间有一个极限,即负载电流上升率的许可值。过高的dIT/dt可能导致局部烧毁,并使T1-T2 短路。假如过程中限制dIT/dt到一较低的值,双向可控硅可能可以幸存。因此,假如双向可控硅的VDRM在严重的、异常的电源瞬间过程中有可能被超出或导通时的dIT/dt有可能被超出,可在负载上串联一个几μH的不饱和(空心)电感。
②dICOM/dt (切换电流变化率) —导致高dICOM/dt值的因素是:高负载电流、高电网频率(假设正弦波电流)或者非正弦波负载电流,它们引起的切换电流变化率超出最大的允许值,使双向可控硅甚至不能支持50Hz 波形由零上升时不大的dV/dt,加入一几mH的电感和负载串联,可以限制dICOM/dt。
·为了解决高dv/dt及di/dt引起的问题,还可以使用Hi-Com 双向可控硅,它和传统的双向可控硅的内部结构有差别。差别之一是内部的二个“闸流管”分隔得更好,减少了互相的影响。这带来下列好处:
①高dVCOM/dt。能控制电抗性负载,在很多场合下不需要缓冲电路,保证无故障切换。这降低了元器件数量、底板尺寸和成本,还免去了缓冲电路的功率耗散。
②高dICOM/dt。切换高频电流或非正弦波电流的性能大为改善,而不需要在负载上串联电感,以限制dICOM/dt。
③高dvD/dt(断开状态下电压变化率)。双向可控硅在高温下更为灵敏。高温下,处于截止状态时,容易因高dV/dt下的假触发而导通。Hi-Com双向可控硅减少了这种倾向。从而可以用在高温电器,控制电阻性负载,例如厨房和取暖电器,而传统的双向可控硅则不能用。
门极参数的选用:
门极触发电流—为了使可控硅可靠触发,触发电流Igt选择25度时max值的α倍,α为门极触发电流—结温特性系数,查数据手册可得,取特性曲线中最低工作温度时的系数。若对器件工作环境温度无特殊需要,通常α取大于1.5倍即可。
门极压降—可以选择Vgt 25度时max值的β倍。β为门极触发电压—结温特性系数,查数据手册可得,取特性曲线中最低工作温度时的系数。若对器件工作环境温度无特殊需要,通常β取1~1.2倍即可。
触发电阻—Rg=(Vcc-Vgt)/Igt
触发脉冲宽度—为了导通闸流管(或双向可控硅),除了要门极电流≧IGT ,还要使负载电流达到≧IL(擎住电流),并按可能遇到的最低温度考虑。因此,可取25度下可靠触发可控硅的脉冲宽度Tgw的2倍以上。
在电子噪声充斥的环境中,若干扰电压超过触发电压VGT,并有足够的门极电流,就会发生假触发,导致双向可控硅切换。第一条防线是降低临近空间的杂波。门极接线越短越好,并确保门极驱动电路的共用返回线直接连接到TI 管脚(对闸流管是阴极)。若门极接线是硬线,可采用螺旋双线,或干脆用屏蔽线,这些必要的措施都是为了降低杂波的吸收。为增加对电子噪声的抵抗力,可在门极和T1 之间串入1kΩ或更小的电阻,以此降低门极的灵敏度。假如已采用高频旁路电容,建议在该电容和门极间加入电阻,以降低通过门极的电容电流的峰值,减少双向可控硅门极区域为过电流烧毁的可能。
结温Tj的控制:为了长期可靠工作,应保证Rth j-a 足够低,维持Tj不高于80[%]Tjmax ,其值相应于可能的最高环境温度。
双向可控硅的安装
对负载小,或电流持续时间短(小于1 秒钟)的双向可控硅,可在自由空间工作。但大部分情况下,需要安装在散热器或散热的支架上,为了减小热阻,可控硅与散热器间要涂上导热硅脂。
双向可控硅固定到散热器的主要方法有三种,夹子压接、螺栓固定和铆接。前二种方法的安装工具很容易取得。很多场合下,铆接不是一种推荐的方法,本文不做介绍。
夹子压接
这是推荐的方法,热阻最小。夹子对器件的塑封施加压力。这同样适用于非绝缘封装(SOT82 和SOT78 ) 和绝缘封装( SOT186 F-pack 和更新的SOT186A X-pack)。注意,SOT78 就是TO220AB。
螺栓固定
SOT78 组件带有M3 成套安装零件,包括矩形垫圈,垫圈放在螺栓头和接头片之间。应该不对器件的塑料体施加任何力量。
安装过程中,螺丝刀决不能对器件塑料体施加任何力量。
和接头片接触的散热器表面应处理,保证平坦,10mm上允许偏差0.02mm。
安装力矩(带垫圈)应在0.55Nm 和0.8Nm 之间。
应避免使用自攻丝螺钉,因为挤压可能导致安装孔周围的隆起,影响器件和散热器之间的热接触。安装力矩无法控制,也是这种安装方法的缺点。
器件应首先机械固定,然后焊接引线。这可减少引线的不适当应力。
结语
在可控硅设计中,选用合适的参数以及与之相对应的软硬件设计,用可控硅构成的变流装置具有节约能源、成本低廉等特点,目前在工业中得到飞速的发展。
0 引言
双向可控硅(TRIAC)在控制交流电源控制领域的运用非常广泛,如我们的日光灯调光电路、交流电机转速控制电路等都主要是利用双向可控硅可以双向触发导通的特点来控制交流供电电源的导通相位角,从而达到控制供电电流的大小[1]。然而对其工作原理和结构的描述,以我们可以查悉的资料都只是很浅显地提及,大部分都是对它的外围电路的应用和工作方式、参数的选择等等做了比较多的描述,更进一步的--哪怕是内部方框电路--内容也很难找到。
由于可控硅所有的电子部件是集成在同一硅源之上,我们根本是不可能通过采用类似机械的拆卸手段来观察其内部结构。为了深入了解和运用可控硅,依据现有可查资料所给P型和N型半导体的分布图,采用分离元器件--三极管、电阻和电容--来设计一款电路,使该电路在PN的连接、分布和履行的功能上完全与双向可控硅类似,从而通过该电路来达到深入解析可控硅和设计实际运用电路的目的。
1 双向可控硅工作原理与特点
从理论上来讲,双向可控硅可以说是有两个反向并列的单向可控硅组成,理解单向可控硅的工作原理是理解双向可控硅工作原理的基础[2-5]。
1.1单向可控硅
单向可控硅也叫晶闸管,其组成结构图如图1-a所示,可以分割成四个硅区P、N、P、N和A、K、G三个接线极。把图一按图1-b 所示切成两半,就很容易理解成如图1-c所示由一个PNP三极管和一个NPN三极管为主组成一个单向可控硅管。

在图1-c的基础上接通电源控制电路如图2所示,当阳极-阴极(A-K)接上正向电压V后,只要栅极G接通触发电源Vg,三极管Q2就会正向导通,开通瞬间Q1只是类似于接在Q1集电极的一个负载与电源正极接通,随后Q1也在Q2的拉电流下导通,此时由于C被充电,即便断开G极的触发电源 Vg,Q1和Q2在相互作用下仍能维持导通状态,只有当电源电压V变得相当小之后Q1和Q2才会再次截止。

1.2 双向可控硅
相比于单向可控硅,双向可控硅在原理上最大的区别就是能双向导通,不再有阳极阴极之分,取而代之以T1和T2,其结构示意图如图3-a所示,如果不考虑G级的不同,把它分割成图3-b所示,可以看出相当于两个单向可控硅反向并联而成[1-2],如图3-c所示连接。

当T1与T2之间接通电源后,给G极正向触发信号(相对于T1、T2所接电源负极而言),其工作原理如前面单向可控硅完全相同。当G极接负触发信号时,其工作过原理如图4所示,此时Q3的基极B和发射极E处于正偏电压而致使Q3导通,继而Q1导通给电容C充电后致Q2导通并保持导通状态。
1.3 双向可控硅的主要特点
双向可控硅的英文简称TRIC是英文Triad AC semiconductor switch的缩写,其意思是三端交流半导体开关,目前主要用于对交流电源的控制,主要特点表现在能在四个象限来使可控硅触发导通和保持导通,直到所接电源撤出或反向[6][7]。
第一象限是T2接电源V的正极T1接电源V的负极,G触发信号Vg的正。
第二象限是T2接电源V的正极T1接电源V的负极,G触发信号Vg的负。
第三、四象限是T1接电源V的正极T2接电源V的负极,G触发信号分别接Vg的正、负极。
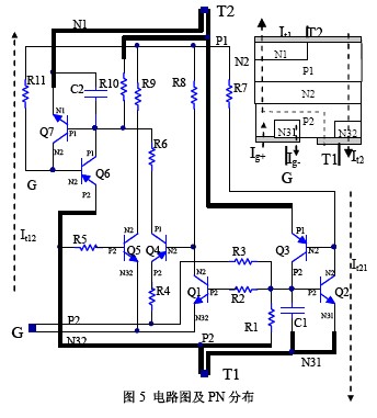
2 类双向可控硅电路设计
在理解了前面所述双向可控硅的内部结构和工作原理之后,依据其内部结构采用我们熟悉的晶体管来设计一种类似有双向可控硅工作的双向可触发电路。如图5所示,电路采用用7个三极管和几个电阻组成。把图5电路中PN结的结构按图6所示结构图描出,与图3-a、b比较很是相似。在图5所示电路中,内部电流在外界所接电源的极性不同而有两种流向,如It12 和It21所示,It12流向是从P2流入经N2-P1-N1流出,It21从P1流入经N2-P2-N32流出;G极触发电流Ig+由P2流入或Ig- 从N31流出。下面是所设计电路在四个象限的触发导通工作过程。

2.1 T2接电源Vt21正极,T1接通电源Vt21负
此时当G极接Vg+为正电压, Q4、Q5、Q6、Q7处于反向截止,Q1的B极和E极之间无正偏压也处于截止状态,Vg+由P2输入后经R3使Q2的B极和E极之间产生正偏电压而导通,从而促使Q3导通,这时即使撤出Vg+,在电容C1的的作用下,Q2、Q3也仍然能处于导通状态,只有当Vt21先反向或撤除才重回截止。当G极接 Vg为负,Q4、Q5、Q6、Q7同样处于反向截止状态,Q1的B极和E极之间因Vg产生正偏电压而导通,从而使Q3、Q2导通并得以保持导通状态。
2.2 T1接电源Vt12正极,T2接通负电源Vt12的负极
此时G极接Vg为正, Q1因B极和E极之间处于反向偏压而截止,Q3处于反向截止,Q2因B极和E极之间处于正向偏压导通而导致Q4、Q7的导通,从而Q6、Q7导通并保持导通状态,只有当Vt12先反向或撤除才重回截止。当G极接Vg为负,Q1、Q2、Q3和Q4处于反向截止, Q5的B极和E极之间因Vg而处于正偏导通,从而使Q6导通,继而Q7、Q6导通并得以保持导通状态。
3 电路制作与实验验证
为了验证所设计电路,采用比较常用的NPN三级管S8050和PNP三极管S8550来设计制作实际的测试电路板(PCB),如图5所示。图6 中所标识的T2、T1和G与图5所示的相同,也类似于双向可控硅的T2、T1和G三个接线极。利用该模块电路串入负载接通正或负的直流电源和触发信号来测试,所得结果如图7所示,在正或负触发信号接入前电流表上的指示为0,当正或负触发信号接通并撤离后电流表指示依然保持原来的电流值。该实验表明该电路在正负电源供电情况下能双向触发导通。

该模块电路在接通交流电源和脉冲控制信号时,其测验结果如图8所示。示波器探针1接触发信号,探针2接模块电路的两端T1-T2之间的电压。在触发信号为0是,T1-T2之间的电压等于电源电压值,表明该电路没有导通,当触发信号脉冲到来时,T1-T2两端的电压值为0,表明模块电路已经导通。

4 结束语
在详细解读了双向可控硅的内部结构和工作原理的基础之上,设计了一款以7个三极管为主要元器件和电阻电容可以被双向触发的控制电路。利用常用的对管S8050和S8550制作出实验电路验证了该电路的正确性。在今后具体运用过程中可以通过对此电路的相关器件做适当调整来满足具体的需求和设计要求。同时,利用所设计的电路形象具体地解释了双向可控硅的工作原理与过程。