电子百科

红外接收头一般是接收、放大、解调一体头,一般红外信号经接收头解调后,数据 “0”和“1”的区别通常体现在高低电平的时间长短或信号周期上,单片机解码时,通常将接收头输出脚连接到单片机的外部中断,结合定时器判断外部中断间隔的时间从而获取数据。重点是找到数据“0”与“1”间的波形差别。
3条腿的红外接收头一般是接收、放大、解调一体头,接收头输出的是解调后的数据信号(具体的信号格式,搜“红外 信号 格式”,一大把),单片机里面需要相应的读取程序。
红外通信是利用红外技术实现两点间的近距离保密通信和信息转发。它一般由红外发射和接收系统两部分组成。发射系统对一个红外辐射源进行调制后发射红外信号,而接收系统用光学装置和红外探测器进行接收,就构成红外通信系统。
先讲一讲什么是红外线。我们知道,人的眼睛能看到的可见光按波长从长到短排列,依次为红、橙、黄、绿、青、蓝、紫。其中红光的波长范围为0.62~0.76μm;紫光的波长范围为0.38~0.46μm。比紫光波长还短的光叫紫外线,比红光波长
红外接收头的参数如下:
工作电压:2.7~4.5V
工作电流:1.7~2.7mA
接收频率:37.9kHz
峰值波长:940nm
静态输出:高电平
输出低电平:≤0.4V
输出高电平:接近工作电压
红外接收头的应用:
广泛应用在家用电视TV,DVD们不再制作接收放大电路,这样红外接收头简化了电路。
红外接收电路通常由红外接收二极管与放大电路组成,放大电路通常又由一个集成块及若干电阻电容等元件组成,并且需要封装在一个金属屏蔽盒里,因而电路比较复杂,体积却很小,还不及一个7805体积大!
SFH506-38与RPM-638是一种特殊的红外接收电路,它将红外接收管与放大电路集成在一体,体积小(大小与一只中功率三极管相当),密封性好,灵敏度高,并且价格低廉,市场售价只有几元钱。它仅有三条管脚,分别是电源正极、电源负极以及信号输出端,其工作电压在5V左右.只要给它接上电源即是一个完整的红外接收放大器,使用十分方便。
它的主要功能包括放大,选频,解调几大部分,要求输入信号需是已经被调制的信号。经过它的接收放大和解调会在输出端直接输出原始的信号。从而使电路达到最简化!灵敏度和抗干扰性都非常好,可以说是一个接收红外信号的理想装置。

一、红外线接收头,标准频率为38KHZ。
二、红外线接收头,现使用电压范围一般为:2.7-5.5V.
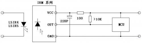
三、红外线接收头,引脚分布,左边信号输出(OUT),中间接地,右边引脚为电源(VCC)
