电子百科

霍尔传感器是根据霍尔效应原理而制成的电流和电压传感器。根据对霍尔电势处理的方式不同,霍尔传感器又可分为以下两类:
第一类是直接将霍尔电势做适当放大处理以后提供给检测仪器或控制设备,就是所谓的直接检测式霍尔电流传感器。这种传感器耐压等级高,成本低,性能稳定,但精度受温度变化影响大,动态响应特性很不理想。我公司采用电路补偿,圆满解决以上问题。
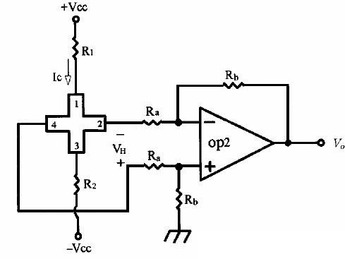
第二类是磁场平衡式霍尔传感器,它采用了单或双霍尔元件,并工作在零磁通状态,且有以下特点:①测量范围宽,可测量各种电流,如直流、交流、脉冲电流等。②电气隔离性能好。③测量精度高,线性度好。④抗外界电磁和温度等因素的干扰能力强。⑤电流上升率大,响应速度快。⑥过载能力强。⑦体积小,重量轻,安装简单、方便。目前的产品中以磁场平衡式霍尔传感器为主。
霍尔传感器用它可以检测磁场及其变化,可在各种与磁场有关的场合中使用。霍尔传感器以霍尔效应为其工作基础,是由霍尔元件和它的附属电路组成的集成传感器。霍尔传感器在工业生产、交通运输和日常生活中有着非常广泛的应用。
一、霍尔效应霍尔元件 霍尔传感器:
(一)霍尔效应:
如〔图1〕所示,在半导体薄片两端通以控制电流I,并在薄片的垂直方向施加磁感应强度为B的匀强磁场,则在垂直于电流和磁场的方向上,将产生电势差为UH的霍尔电压,它们之间的关系为。图中d 为薄片的厚度,k称为霍尔系数,它的大小与薄片的材料有关。上述效应称为霍尔效应,它是德国物理学家霍尔于1879年研究载流导体在磁场中受力的性质时发现的。
(二)霍尔元件:
根据霍尔效应,人们用半导体材料制成霍尔元件。它具有对磁场敏感、结构简单、体积小、频率响应宽、输出电压变化大和使用寿命长等优点,因此,在测量、自动化、计算机和信息技术等领域得到广泛的应用。
(三)霍尔传感器:
由于霍尔元件产生的电势差很小,故通常将霍尔元件与放大器电路、温度补偿电路及稳压电源电路等集成在一个芯片上,称之为霍尔传感器。霍尔传感器也称为霍尔集成电路,其外形较小,如〔图2〕所示,是其中一种型号的外形图。
二、霍尔传感器的分类:
霍尔传感器分为线性型霍尔传感器和开关型霍尔传感器两种。
(一)线性型霍尔传感器由霍尔元件、线性放大器和射极跟随器组成,它输出模拟量。
(二)开关型霍尔传感器由稳压器、霍尔元件、差分放大器,斯密特触发器和输出级组成,它输出数字量。
三、霍尔传感器的特性:
(一) 线性型霍尔传感器的特性:
输出电压与外加磁场强度呈线性关系,如〔图3〕所示,在B1~B2的磁感应强度范围内有较好的线性度,磁感应强度超出此范围时则呈现饱和状态。
(二)开关型霍尔传感器的特性:
如〔图4〕所示,其中BOP为工作点“开”的磁感应强度,BRP为释放点“关”的磁感应强度。
当外加的磁感应强度超过动作点Bop时,传感器输出低电平,当磁感应强度降到动作点Bop以下时,传感器输出电平不变,一直要降到释放点BRP时,传感器才由低电平跃变为高电平。Bop与BRP之间的滞后使开关动作更为可靠。
另外还有一种“锁键型”(或称“锁存型”)开关型霍尔传感器,其特性如〔图5〕所示。 当磁感应强度超过动作点Bop时,传感器输出由高电平跃变为低电平,而在外磁场撤消后,其输出状态保持不变(即锁存状态),必须施加反向磁感应强度达到BRP时,才能使电平产生变化。
四、霍尔传感器的应用
按被检测对象的性质可将它们的应用分为:直接应用和间接应用。前者是直接检测受检对象本身的磁场或磁特性,后者是检测受检对象上人为设置的磁场,这个磁场是被检测的信息的载体,通过它,将许多非电、非磁的物理量,例如速度、加速度、角度、角速度、转数、转速以及工作状态发生变化的时间等,转变成电学量来进行检测和控制。
(一)线性型霍尔传感器主要用于一些物理量的测量。例如:
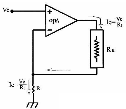
1.电流传感器: 由于通电螺线管内部存在磁场,其大小与导线中的电流成正比,故可以利用霍尔传感器测量出磁场,从而确定导线中电流的大小。利用这一原理可以设计制成霍尔电流传感器。其优点是不与被测电路发生电接触,不影响被测电路,不消耗被测电源的功率,特别适合于大电流传感。
霍尔电流传感器工作原理如〔图6〕所示,标准圆环铁芯有一个缺口,将霍尔传感器插入缺口中,圆环上绕有线圈,当电流通过线圈时产生磁场,则霍尔传感器有信号输出。
2.位移测量: 如〔图7〕所示,两块永久磁铁同极性相对放置,将线性型霍尔传感器置于中间,其磁感应强度为零,这个点可作为位移的零点,当霍尔传感器在Z轴上作△Z位移时,传感器有一个电压输出,电压大小与位移距离大小成正比。如果把拉力、压力等参数变成位移距离,便可测出拉力及压力的大小,如〔图8〕所示,是按这一原理制成的力矩传感器。
(二)开关型霍尔传感器主要用于测转数、转速、风速、流速、接近开关、关门告知器、报警器、自动控制电路等。
1.测转速或转数: 如〔图9〕所示,,在非磁性材料的圆盘边上粘一块磁钢,霍尔传感器放在靠近圆盘边缘处,圆盘旋转一周,霍尔传感器就输出一个脉冲,从而可测出转数(计数器),若接入频率计,便可测出转速。 如果把开关型霍尔传感器按预定位置有规律地布置在轨道上,当装在运动车辆上的永磁体经过它时,可以从测量电路上测得脉冲信号。根据脉冲信号的分布可以测出车辆的运动速度。
2.各种实用电路: 开关型霍尔传感器尺寸小、工作电压范围宽,工作可靠,价格便宜,因此获得极为广泛的应用。下面列举两个实用电路加以说明:
电路1 防盗报警器 ,如〔图10〕所示,将小磁铁固定在门的边缘上,将霍尔传感器固定在门框的边缘上,让两者靠近,即门处于关闭状态时,磁铁靠近霍尔传感器,输出端3为低电平,当门被非法撬开时,霍尔传感器输出端3为高电平,非门输出端Y为低电平,继电器J吸合,Ja闭合,蜂鸣器得电后发出报警声音。
电路2 公共汽车门状态显示器 : 使用霍尔传感器,只要再配置一块小永久磁铁就很容易做成车门是否关好的指示器,例如公共汽车的三个门必须关闭,司机才可开车。电路如〔图11〕所示,三片开关型霍尔传感器分别装在汽车的三个门框上,在车门适当位置各固定一块磁钢,当车门开着时,磁钢远离霍尔开关,输出端为高电平。若三个门中有一个未关好,则或非门输出为低电平,红灯亮,表示还有门未关好,若三个门都关好,则或非门输出为高电平,绿灯亮,表示车门关好,司机可放心开车。

霍尔传感器有下列三种用法:
(A) 事先使一定电流流过霍尔传感器,用以检出磁场或变换成磁场的其它物理量的方法。
(B) 利用组件的电流、磁场及作为其变量的该两种量的乘法作用的方法。
(C) 利用非相反性(即在一定磁场中,使与输入端子通以电流时所得的输出同方向的电流流过输出端子时,在输入端子会产生与最初的电压反方向的霍尔电压的现象)的方法。
在这些具体例中,有不少在组件的灵敏度及温度特性上,霍尔传感器形成1 匝(Turn)的线圈有妨碍而难以符合实用。但利用霍尔探针测定磁场因属于比较简便的用法,已经定型,另外例如无电刷马达(霍尔马达)开关等也逐渐进入实用的阶段,磁头的制造也有人尝试过。
图1系表示3到5端子的霍尔传感器的使用方法,在三端子霍尔传感器之输出可以产生输入端子电压之大致一半与输出信号电压之和的电压,而在四端子及五端子霍尔传感器中,在原理上虽然可以免除输入端子电压的影响,但实际上即使在无磁场时,也有起因于组件形状之不平衡等因素之不平衡电压存在。
