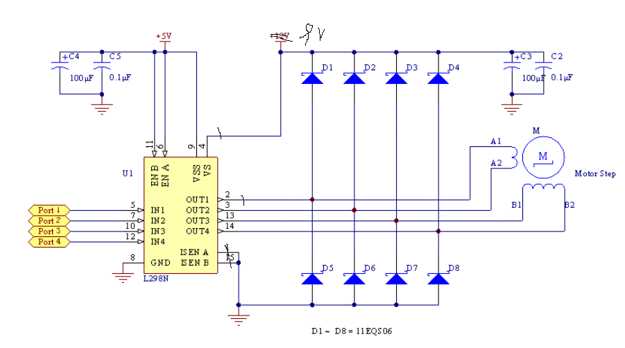
电源
就是一个红外循迹小车,我这样计划的:系统采用9V锂电池供电,单片机电源:9V经7805输出5V(数字5V),电机用L298N驱动,下面附上298的电机驱动图(我的是直流电机,额压3V-9V),其中298的VS=9V直接接到9V锂电池,另外9V锂电池经LM2576-5.0输出5V(模拟5V)给298的VSS。不知道我上面的电路规划对不?请前辈们纠正下,还有7805的“地”与298的“地“,以及,2576的”地“,这三个地可以接在一起吗? 还是298的”地“与2576的”地”接一起,然后用磁珠或电感连接7805的“地”,最终接到锂电池的负极。
下面附上图:



另外补充下,我的板子是自己用洞洞板焊接的,用的焊锡走线。散热架在测试时拆下来了。这是我以前的一块板子。

