0
问答首页 最新问题 热门问题 等待回答标签广场
我要提问

请问贴片三极管的型号

各位师傅:我有一个贴片三极管,它的背面的CODE是:XD  封装比TO-23要小点点,请问这是什么型号的三极管,谢谢!
提问者:hetao1111 地点:- 浏览次数:2749 提问时间:12-17 01:24
我有更好的答案
提 交
13条回答
chaoyuang 12-22 09:35


BZX99-C10__IC-ON-LINE[1][1].CN.pdf(54.1 KB, 下载次数: 11)2009-11-4 11:28 上传点击文件名下载附件




渔具在此→

1. 先用这本手册,按"XD"代码查

〓◆ 贴片元器件应用手册 514页 35.0M 高清pdf+书签 ◆〓



2. 再用下面工具按查得的型号"BZX99"找资料

http://cn.ic-on-line.cn/iol_rc500/datasheet_list/rc500.htm

3. 收藏起来以备后用
s934275423 12-19 01:04
TYW:你好!这是个稳压二极管呀!我问的是三极管,基极带电阻的。
60user188 12-24 09:12


你看一下是否三个脚都有连接线,封装及代码都符合了
稳压管1脚串电阻是对的
jhdfvs 12-20 23:24
TWY:你好!BCR555的封装是TO-23,我的样品封装比TO-23要小,尺寸是2*1.2MM,在线路上通电电压三个脚都有电压。
预言者J 12-17 20:32


不通电用通表量eb及cb脚正反向通断情况,再找一个9012三极管对照测量,看是否一样,一样的话可基本判断为BCR555.
sot-23封装为2.8mm x 1.3mm,你用游标卡尺量的吗?
wuyan637419 12-22 10:15
TWY:你好!用万用表的二极管档量,E-B,B-E,C-B,B-C,E-C均为无穷大,只有C-E呈现二极管正向导通的特性,尺寸是2*1.2MM,我是用游标卡尺量的,它比TO-23是要小的。我有9012 8550的TO-23封装样品。同时这个三极管是PNP的,做电源导通功能。
崔佳雯啊 12-18 20:44


"E-B,B-E,C-B,B-C,E-C均为无穷大",怎么能判定是pnp三极管?


有可能是厂家自已搞的封装,2*1.2MM,3个脚的没见过,
2个脚的,XD代码的有,大小也相符

BZX284-C10__IC-ON-LINE[1][1].CN.pdf(58.01 KB, 下载次数: 7)2009-11-4 13:21 上传点击文件名下载附件
60user104 12-23 18:14
就是674XXX图中的Q2是什么型号的三极管,E极的电压为1.5V,B极为0.9V,C极为1.45V,根据电压判断是PNP管。
胡政鹏测试321 12-21 04:40
tyw:你好!不好意思,应该是原理图错误,我估计是个场效应管,P沟道的。如果是这样的话它应该是什么型号呢?谢谢!
广州洋钒 12-23 08:01
给你个专业查询贴片元器件的网站http://clivetec.superihost.com/SMD_Codes.htm
胡政鹏测试bbs 12-23 12:59


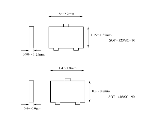
封装有可能是sot-323或sot-416



pu76543 12-17 16:26
好的,谢谢你们。
bozai602 12-21 06:11


确认封装后用狗狗搜




RN1304.pdf(299.05 KB, 下载次数: 2)2009-11-4 16:21 上传点击文件名下载附件




RN1304__IC-ON-LINE[1][1].CN.pdf(247.71 KB, 下载次数: 2)2009-11-4 16:27 上传点击文件名下载附件



撰写答案
提 交
1 / 3
1 / 3