0
问答首页 最新问题 热门问题 等待回答标签广场
我要提问

电源电路降压电路电源

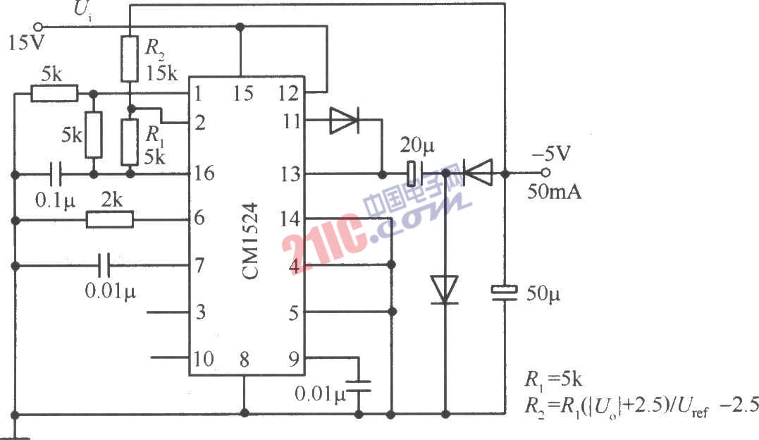
由CW1524组成的降压式斩波开关稳压电源电路

由CW1524组成的降压式斩波开关稳压电源电路
提问者:aaabbb567 地点:- 浏览次数:7764 提问时间:06-19 02:54
我有更好的答案
提 交
1条回答
jfsdwer 06-20 08:06

 

撰写答案
提 交
1 / 3
1 / 3
相关电源电路
无噪声的的功放电源电路
LG CF-25H84彩电开关电源电路
LG MC-8AA机心彩电开关电源电路
LG MC-022A机心彩电开关电源电路
LG MC-019A机心彩电开关电源电路
相关降压电路
采用内部RSENSE和LT3975降压型稳压器的LT6110(在3.3V)
采用降压开关稳压器LT1074测试电路设计
LTC1625:高效率降压型转换器电路图
降压电路图
MC34063降压变换器电路
相关电源
TDA16846组成的彩电开关电源原理图
联想LX-PL4C2型彩色显示器开关电源电路
长虹CN-9机心彩电开关电源电路
索尼KV2184彩电开关电源电路
王牌TCL-3460D彩电开关电源电路