选择峰值保持用电容器
在使用OP放大器的模拟电路中,所使用的从动元件的性能左右全体电气特性的例子不少见。所以元件的选择非常重要,如何选择高性能的元件,决定工程师的水平。下面介绍其中的一例,针对由电容的特性决定差别的峰值保持电路进行实验。
图1是检测信号波形的最大值时的时序图。开始时将电路复位(检测最大值前),在下一个复位到来之前的瞬间检测并保持信号的最大振幅。图1表示电路构成。检测出的峰值用电容CH进行模拟保持。

图1 峰值保持电路的动作波形
但这样的电路,不能靠电容CH永久地保持峰值电压,随着时间△T的经过,电压会下降△V。电压下降的原因,是缓冲放大器的输入偏置电流IB和保持电容CH的绝缘电阻引起的泄漏。
复位特性也有问题。如果峰值保持电路有多通道,则为提高信号处理的吞吐量,应尽量缩短复位时间。此电路中的复位,就是使保持电容C,短路放电,通过短路而应该变成零电位的峰值保持输出电压,实际上随着时间的经过又开始上升。
此现象称为电容的导电吸收。由于导电吸收依赖于所使用的电容的品种,所以电容的选择很重要。
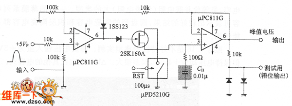
图2所示的是称为反馈型峰值保持的电路。速度中等,但能得到高精度的电压保持。所用的OP放大器是FET输人型,在常温(25℃)的输入偏差电流变为50pA。

图2 反馈型峰值保持电路的构成
实际试验此电路的电容的保持特性,最初将铝电解质电容和钽电解质电容除外,因为它们没有适于保持用的绝缘特性。
被用于保持用的电容的静电容量一般为0.001μF~0.1μF,想长时间保持时需大容量。这样在要求高速响应时,使用小容量的电容。这里用C,=0.01pF进行测试。图3就是用于实验的各种电容的外观。

图3 使用在峰值屏蔽电路实验中的各种电容(从左到右,圆盘型、陶瓷、层压陶瓷、层压薄膜、聚酯薄膜、聚苯乙烯)
选择聚苯乙烯系列电容用于保持特性
保持电路的特性,就是观察峰值保持后的电压的垂下特性,表示此垂下特性的称为定常偏差(△V/△T)。所谓的定常偏差小的电容,是等价并联电阻(绝缘电阻)大的类型。一般的薄膜系列电容可表示出较好的结果,圆盘型的陶瓷电容和积层陶瓷电容都不能使用。
图1是不好特性的典型实例。峰值电压输人虽为+5V,但保持电压却为+4.7V,误差很大。△V/△T也比其他的电容大。

图1 使用陶瓷电容时的电压保持特性
在保持电路中,不仅是保持特性,还需探求导电吸收现象小的电容。而不使用的电容有陶瓷、积层陶瓷、积层薄膜、聚酯薄膜。图2是研究特性最差的圆盘型陶瓷电容的导电吸收的曲线。复位5ms以后产生了e=12OmV的电位。如果这个导电吸收电压大时,输人电压振幅的最小电平就会被限制,测定的动态范围就会变小。

图2 使用陶瓷电容时的复位波形
可显示好结果的是聚苯乙烯电容和苯乙烯电容(双信电机的QS系列),复位后的电压几乎不变化,所以照片中止。