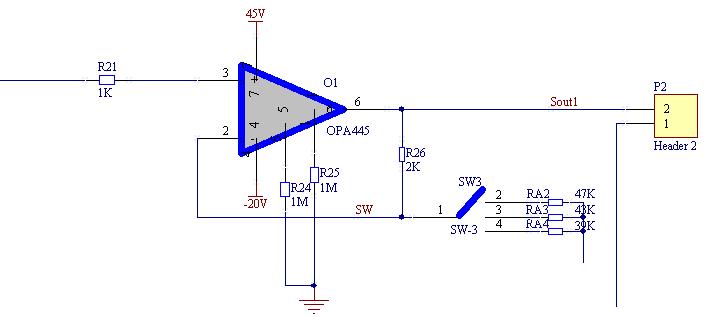
在做一个手持设备,将一个信号放大,三路输出,用运放做一个负反馈放大。问题是接一个运放输出时运放发热,再加一个运放两路输出时发烫,再加一个运放三路输出时烫手。找了很久没找到原因。
1.开始怀疑布线问题,直接跳线,还是发热。
2.在运放电源引脚接两个滤波电容,分别为104和331,温度上升变慢,但持续升高。
3.怀疑电源电压过高,正电源为45V,负电源为-20V,运放为OPA445,。但PDF指示电源电压可工作在正负45,并且只焊一个运放的时候只是一点发热,多焊两个是却发烫。无解啊
图(1):

,共有三路,测试时无信号输入,无负载
图(2):
