0
问答首页 最新问题 热门问题 等待回答标签广场
我要提问

关于光耦工作状态的问题




各位大侠,对于光耦的工作状态,作为开关管是工作在饱和状态,这点是肯定的。
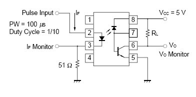
1、有点是不明白的地方:设定好电路的if,则ic=if*ctr,就已经确定了IC,并据此计算RL?还是IC的值应该是(Vcc-Vce)/RL,设定RL就是设定了IC?(电路中实际IC到底更接近于哪个值?)
如果两个方法设定的ic值不一样,比如if*ctr<(Vcc-Vce)/RL,电路会存在隐患吗


感谢大家的支持!!
提问者:请叫我保尔 地点:- 浏览次数:9835 提问时间:06-26 12:43
我有更好的答案
提 交
10条回答
60user146 06-30 20:59
饱和是vce(图中Vo)比较小的状态,和Ic没有直接的关系。
RL电阻的作用是提供Ic,没有的话Ic=0.
LZ要好好看看模电
asd009 06-29 03:53
IC的值应该是(Vcc-Vce)/RL,设定RL就是设定了IC,你所说的IC=If*CTR是Ic的最大值。
51欧姆电阻是限制发光二极管电流的。
xiaojiazhu 06-26 18:06


回3#
我现在有个使用光耦的电路
IF=(5-1.67)/510=6.67ma
ctr范围15%~25%,按照最小ctr计算IC=6.67*0.15=1.0ma
电路RL取值22k,根据(Vcc-Vce)/RL,计算ic=30/22k=1.36ma
我想通过提高if来解决,但是看了if跟vo的关系表后,感觉提高if,可能vo输不出30v来。
但是电路能够工作,不知道这样会存在什么隐患?
急盼回复!
学生物的程序猿 07-06 05:02
在MAX IC的情况下,RL决定了你的signal rise time
南山铝业14 06-30 16:53
"如果RL取值使IC>If*CTR,光耦会不工作的。这么理解对吗?"
虽然计算RL取值使IcIC>If*CTR,实际上由于Vcc和RL限制了IC的值。就算是三极管饱和压降是0,IC最大也就是Vcc/RL。
像5#你说的情况,虽然设定了1.36mA但实际上IC就是1mA,VCE并不是固定的,而是随着RL的变化而变化的。因此电路可以工作,但是这样的话会使输出信号的低电平高一些,可能会有点影响。

不过我没有用过,只是从理论上分析的,可能不全对。
上海四通仪表股份有限公司 07-04 16:13


之前说的不太对,在饱和导通情况下,而Ic是由Vcc,RL 跟三极管自身的特性共同决定的,计算就是通过(VCC-VCE)/RL。因而最大的Ic并不是1mA,而是你实际测量的VCE算出来的。
RL大一些,IC设定的小一些,是三极管进入饱和的程度小些,关断时间会减小的。
LY90186 07-03 11:40
这就相当于三极管的输出特性曲线了,光耦工作在开关状态时,是在饱和区,。
对于30V的输出,是三极管截止时的输出,if取多大并不影响。
selina1023 07-02 13:56
够详细!!赞一个
60user38 06-27 11:54


11# 天神下凡

想了想,还是11楼说的对!
我被if限制住了,三极管的截止输出vcc跟if的取值没有关系。而且光耦饱和时,vce是固定的约0.3v吧
liangye19961006 07-03 18:43
应该是根据负载电流选定IF
撰写答案
提 交
1 / 3
1 / 3