电路的容、感、阻性的直观观察
相信很多电子专业的学生在学习模电时都对电路的感性还是容性困惑过吧,这次我用仿真软件对电路的感容性进行直观的观察,希望能给初学者一点启示。
电容、电感和电阻都是电抗元件。若一个电路中含有两种或以上的电抗元件时,什么元件电抗最大,电路就表现出它的性质。也就是说,当电容最大时,电路呈现容性;当电感最大时,电路呈现感性;当电阻最大时,电路呈现阻性。电容、电感和电阻都可以对交流电流起阻碍作用,这种阻碍作用可以用“电抗”来表示。既然都是对电流起阻碍作用,那么为什么还要分容性、感性和阻性呢?原因就在于这三种元件对交流电的相位影响不一样,纯电容电路的电压滞后于电流π/2个周期;纯电感电路的电压超前于电流π/2个周期;纯电阻电路的电压与电流的相位相同;如图1所示。有了这个规律,我们就可以从电路的电流电压相位关系上直观的观察电路的性质了。
当电路中同时出现电容电阻电感这三种元件时,这三个作用会同时纯在,哪个作用最强烈,电路就会呈现它的性质。
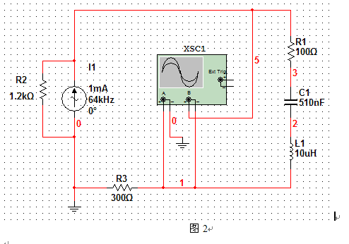
电路的性质是如何在这三种性质间变化的呢?下面就让我们用图像直观的观察下,它能使我们更加感性地理解电路的各种性质的特点。这次实验的工具是multisum10,它是一种精密的模拟电路仿真软件。进入multisim10,按图2连接电路图,右边A、B之间是由电容、电阻和电感组成的一段电路,它可能表象容性或是感性也可能是阻性;通过观察电路中的电流和电路两端的电压相位关系就能直观的看到电路地性质。

图2
在图2中,要想知道A、B间的电路呈现什么性质,只要测量出其中的电压电流关系。电压可以由示波器直接测量,为了能在示波器上直接观察A、B间的电流大小,我在电路中串联个小阻值电阻R3,它可以将电流信号转换为电压信号,它两端的电压大小是和电路中的电流成线性比例关系的,测量它两端的电压波形就能知道电路中电流的波形。
现在实验开始,我们让电源的频率从低到高的变化,观察A、B之间的电压电流关系。
第一步,把电源的频率调为100Hz,观察示波器A、B通道的波形如图3所示;图中带三角形标记的波形是通道A的波形(也就是R3两端的电压波形),它与电路中电流波形同相;没有做标记的波形是B通道波形,也就是电路A、B间的电压波形。从图中可以看出电压相位基本滞后于电流π/2个周期,说明电路A、B间容性占据绝对优势。此时电路中的电抗主要来自电容C1。.

图3
第二步,把电源电压频率提升到5kHz,观察示波器波形如图4所示,从图中可以发现电压的相位仍然滞后于电流,但是差距明显变小了。这说明电路的性质正在向纯阻性转变!

图4
第三步,根据RL串联电路的谐振规律公式:file:///C:/DOCUME%7E1/ADMINI%7E1/LOCALS%7E1/Temp/msohtml1/01/clip_image014.gif,可以算出这个电路的谐振频率是64335Hz。下面我们就把电源的频率调到64kHz,继续观察示波器波形,如图5所示。这次电路中电压与电流的相位同相了,这说明电路基本呈现出了纯阻性!

图5
第四步,继续增加电源频率到1MHz,观察示波器波形,如图6所示。可以看出电压的相位已经超前电流的相位了,差距在0——π/2之间,说明电路已经呈现出了一定的感性,但是还没达到纯感性电路的水平。

图6
第五步,增加电源频率到50MHz,示波器波形如图7所示,可以看出电压相位已经超前电流相位接近π/2周期,说明A、B之间的电路基本呈现出了纯感性。
通过了直观的实验观察你是不是对电路地性质有了更深的了解了呢?呵呵!

图7