0
问答首页 最新问题 热门问题 等待回答标签广场
我要提问

电源

DC/DC电源模块电路中电感的问题

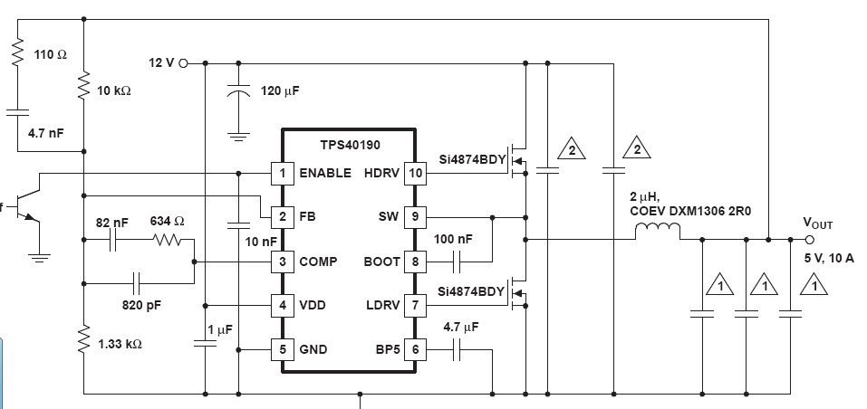
   一个12--5VDC/DC电源模块电路,问题是电源输出为0V。

最终检测出来是电感问题,是加电启动后呈现高阻态么?掉电后我用欧姆档测试电感是没问题的。不理解具体原因。我原先分析时就先把电感排除了~绕了一大圈之后 最后又转回来了。对电感理解简单了,有人能讲解一下么。参考设计如下

提问者:q153605268 地点:- 浏览次数:5809 提问时间:10-31 18:16
我有更好的答案
提 交
1条回答
60user23 10-23 02:12
电感有低频和高频之分,绕线方式,线径,磁芯材料等等,都对电感有影响
撰写答案
提 交
1 / 3
1 / 3
相关电源
TDA16846组成的彩电开关电源原理图
联想LX-PL4C2型彩色显示器开关电源电路
长虹CN-9机心彩电开关电源电路
索尼KV2184彩电开关电源电路
王牌TCL-3460D彩电开关电源电路