0
问答首页 最新问题 热门问题 等待回答标签广场
我要提问

电源

电源方案

之前做了个电路,供电输入电源是AC24V,进入电路板后整流给电路板供电(电压大约为24*1.4=33V),直流电压的输出电流不超过1.5A,现在外部输入电源改为AC32V,要获得之前的33V直流电压,是把AC32V转为AC24V呢(这样就不用改之前的电路板了)。还是把AC32V整流成32*1.4=45V,然后再通过降压芯片降压到33V好呢。

提问者:shuijun556 地点:- 浏览次数:6753 提问时间:10-31 10:42
我有更好的答案
提 交
3条回答
伊丹姿子 10-31 18:42

还是把AC32V整流成32*1.4=45V,然后再通过DC-DC开关稳压芯片降压到33V,加上合适的低通π型滤波更好。

forum.jpg

maishengwei 11-02 14:59

用高压输入的DCDC降压模块吧;
chenliang513 10-25 13:31

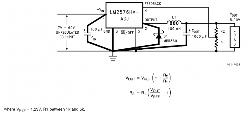
 用LM2576HV的

撰写答案
提 交
1 / 3
1 / 3
相关电源
TDA16846组成的彩电开关电源原理图
联想LX-PL4C2型彩色显示器开关电源电路
长虹CN-9机心彩电开关电源电路
索尼KV2184彩电开关电源电路
王牌TCL-3460D彩电开关电源电路