0
问答首页 最新问题 热门问题 等待回答标签广场
我要提问

电源电路

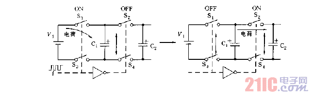
充电泵电路原理空载电路图

充电泵电路原理空载电路图
提问者:野性Rude 地点:- 浏览次数:5405 提问时间:03-31 19:13
我有更好的答案
提 交
1条回答
xuyin8425 04-08 16:54

充电泵电路原理空载电路图.gif

撰写答案
提 交
1 / 3
1 / 3
相关电源电路
无噪声的的功放电源电路
LG CF-25H84彩电开关电源电路
LG MC-8AA机心彩电开关电源电路
LG MC-022A机心彩电开关电源电路
LG MC-019A机心彩电开关电源电路