0
问答首页 最新问题 热门问题 等待回答标签广场
我要提问

电源

线性变压器,开关电源

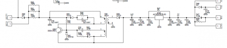
附件是我从网上一个地方看到的电路,用的直流输入,可是不知道这个变压器是怎么工作的,能否指点,


forum.png

提问者:yysdywerw 地点:- 浏览次数:1520 提问时间:10-29 15:25
我有更好的答案
提 交
3条回答
60user93 04-12 06:44
变压器初级次级 Vi:Vo=N1:N2 看变压器的规格书看匝数比
mvuywerw 04-11 20:02

变压器不是用在交流里面的吗,这里是直流输入

60user92 04-09 16:56

RCC的反激 

撰写答案
提 交
1 / 3
1 / 3
相关电源
TDA16846组成的彩电开关电源原理图
联想LX-PL4C2型彩色显示器开关电源电路
长虹CN-9机心彩电开关电源电路
索尼KV2184彩电开关电源电路
王牌TCL-3460D彩电开关电源电路